Мониторы среди Hi-Fi (2 онлайн)

Рассказать какую вы использовали hi fi акустику в качестве мониторов
philips 587
Купил по совету товарища,которому посоветовал Иван Казаков(гитарный мастер)
Устраивают. Использую несколько лет.
 
  • Like
Реакции: АлександрSova
Судя по замерам, весьма близки к мониторам из известного хайфая также и верхние Dynaudio.
Например, C1.
Впрочем, они и сами неплохо стоят, и усиление им нужно тоже на уровне.
 
Судя по замерам, весьма близки к мониторам из известного хайфая также и верхние Dynaudio.
Например, C1.
Впрочем, они и сами неплохо стоят, и усиление им нужно тоже на уровне.
За такие деньги это должны быть супер-пупер мониторы. Не в дизайн же они все вбухали)
 
За такие деньги это должны быть супер-пупер мониторы. Не в дизайн же они все вбухали)

Ну... 2007 год, по дизайну - половинка контуров, так что звучать действительно должны отлично. Насчет "мониторности" - есть вопросы, потому что контуры звучат очень "музыкально", но совсем не "мониторно".
 
Насчет "мониторности" - есть вопросы, потому что контуры звучат очень "музыкально", но совсем не "мониторно".
Конфиденс это линейка выше контуров, и должна быть точнее.
Что касается мониторности/музыкальности, то М5Р у Каца по всем ТТХ эквивалент Эвиденсов.
Микрохирургичности у них, конечно, может не хватать, т.к. по многим отзывам они "не играют", пока не навалишь погромче.
 
Кстати о Конфиденсах. Один пользователь с сундука написал
Учитывая многолетнюю работу в театре для меня настройки АС Dynaudio Confidence безболезненны для ушей и психики на контрасте с привычным звучанием оркестра.
Думаю, это что-нибудь да значит...
 
@Ocean, из контекста понятно, что человек с этим оркестром каждый день работает. То есть хотя бы типичной хайфайной вранины в них не очень много.
А там ХЗ как они соотносятся с задачами мультижанрового контроля.
 
@Ocean, из контекста понятно, что человек с этим оркестром каждый день работает. То есть хотя бы типичной хайфайной вранины в них не очень много.
А там ХЗ как они соотносятся с задачами мультижанрового контроля.

Честно говоря, не очень понимаю, что подразумевается под "хайфайной враниной" (не рассматривайте, пожалуйста, это замечание, как наезд или повод для отклонения от темы), думаю, вы имеете ввиду, что разные колонки, тем не менее, отвечающие всем требованиям стандарта Hi-Fi, окрашивают звук по-своему, что позволяет покупателям делать выбор согласно своим симпатиям. Так вот, не скажу про конфиденсы - не слышал, но контуры, как я уже отметил, играют весьма музыкально, какой-то особой "мониторности" я там не заметил, хотя сравнить возможность была - рядом стояли LYD-ы (не "высший свет", но тоже dynaudio и вполне себе мониторы)
 
не очень понимаю, что подразумевается под "хайфайной враниной"
Ну например вот такое

тем не менее, отвечающие всем требованиям стандарта Hi-Fi
Если внимательно посмотреть на этот стандарт 1974 г., получится, что большинство АС сейчас им отвечают. В том числе и те, что я привел выше. Кроме Легасей, наверное...
Вы же понимаете, что +- 4 Дб в полосе 100-4000 могут звучать адски по-разному, тем более, что выше-ниже совсем никаких критериев нет.

Так вот, не скажу про конфиденсы - не слышал, но контуры, как я уже отметил, играют весьма музыкально, какой-то особой "мониторности" я там не заметил, хотя сравнить возможность была - рядом стояли LYD-ы (не "высший свет", но тоже dynaudio и вполне себе мониторы)
Ну вот если сравнить вот это
и это
то мне кажется, что понять, кто более или менее мониторен, не сложно.
Ну и вообще, "особой мониторности" от больших пассивных полочников ждать тяжело.

А вот еще один вариант с откровенно мониторной родословной...
Однако ценник, конечно, внушает. Даже на Авито...
 
Ну... Dali - ключевое слово "wireless", что сразу добавляет в копилку вопросов протокол передачи и его качество/защищённость от помех. Клипш, конечно, потенциально любим, но за свои рупорники, а тут вполне Hi-fi, но полочники и, похоже, из киношной серии (могу ошибаться). Вывод, в общем, прост - пора доработать стандарт Hi-Fi, чтобы уточнить некоторые параметры.
 
Ну... Dali - ключевое слово "wireless"
Недавно слушал их обычные "начальные" полочники - такая прям "сладкая" и шелковая верхушка, что слушал бы и слушал... но в контексте работы (мне нужен был настольный временный вариант) - твёрдое "нет".
 
Кстати, есть ещё куда падать.
Мониторы среди блютус-колонок.
Kef ls50 wireless.
На удивление неплохие характеристики, судя по обзорам.
 
Вот
Правда, не знаю, LSX и LS50 W одно и то же или нет, но на вид по идее да.
На Авито в районе килобакса есть, только с прослушкой проблематично будет...
 
  • Like
Реакции: коб
Угу, даже в мониторном разделе SOS был обзор. Только прайс конский.
Где правильный ящик , там и ценник соответствующий . Для сравнения:
[automerge]1580326330[/automerge]
:)
 

Вложения

  • ls50-1-kef.jpg
    ls50-1-kef.jpg
    175,3 KB · Просмотры: 455
  • JU9sf5j6jJA.jpg
    JU9sf5j6jJA.jpg
    92,3 KB · Просмотры: 387
  • Like
Реакции: solo541
@FedorM, LSX - это уменьшенный вариант, 4.5 дюйма.

@коб, Ну не в 2.5 раза дороже пассива с таким же ящиком. Пассивы стоят 76000, активы со скидкой сейчас 130, а без - 173500.
 
Ну не в 2.5 раза дороже пассива с таким же ящиком.
Могут себе позволить.
Альтернатива с эквивалентным звуком и функционалом на базе пассива будет не дешевле, и без штатной фазовой коррекции в принципе.
Как основная система для современного цифрового меломана с маленькой комнаткой вообще офигенно.
 
  • Like
Реакции: коб
Кажись, я нашел святой грааль :D
ЗЯ 8'. В статье на SOS пишут, что по звуку похожи на NS-ки, но естественно лучше.
Позиционируются как студийные мониторы
 
  • Like
Реакции: AlexLazer
Не знаю, упоминались ли тут Spendor S3/5 разных видов, но тоже как вариант. На вторичке недорого, и вроде хвалят...
 
  • Like
Реакции: TheTapeless

Вложения

  • 666SB35fig3.jpg
    666SB35fig3.jpg
    43 KB · Просмотры: 392
  • 11ohmxover.jpg
    11ohmxover.jpg
    44,6 KB · Просмотры: 381
Вроде бы это одни из многих мониторов BBC..
Да и ваша зелёная кривая выглядит неплохо.
 
Вроде бы это одни из многих мониторов BBC..
Да и ваша зелёная кривая выглядит неплохо.
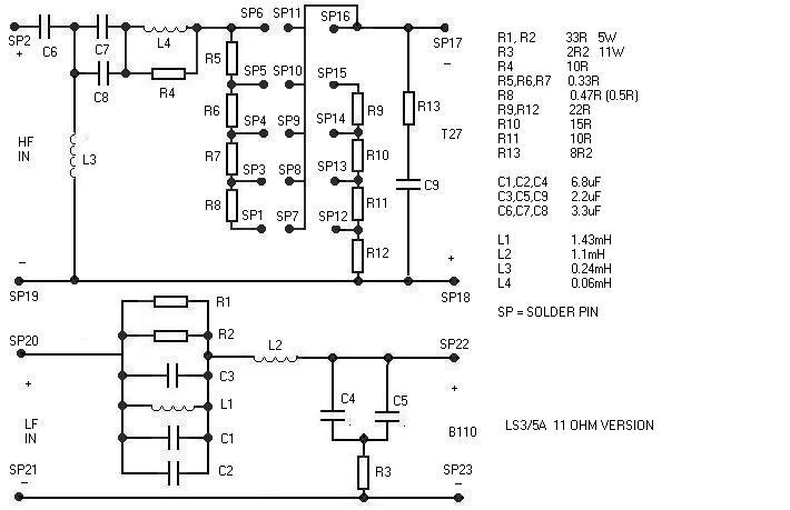
Тогда , когда это разрабатывалось , задачи были другие . Я почему дал схему фильтров ? В ней видно две точки , по сути пассивной эквализации . Скорей всего ,этот монитор , был предназначен для контроля дикторской речи на радио и телевидении. А музыку слушать он и сейчас хорош.....
 
Скорей всего ,этот монитор , был предназначен для контроля дикторской речи на радио и телевидении
Ну да. Ближнее поле, баса нет, середина аккуратно выдвинута. Или сурраунд, или голос.
Главное, что не смайликом, без фи и без ярко выраженного горба на "недобасе", что свойственно очень многим хифишным полочникам.
 
  • Like
Реакции: коб
Насколько я помню, там такой сложный кроссовер не для красоты, а потому что бекстреновый басовик на верхнем краю диапазона оченно нехорошо себя вел. Многие кевларовые/алюминиевые драйверы ведут себя не лучше и эквализируются активно по сей день. Многополосная акустика - та еще "химия" в принципе...
 
И кстати все это не имеет отношения к упомянутому Спендору, а тот - далеко не LS3/5a
 

Сейчас просматривают