Усилитель для пассивных мониторов (14 онлайн)

Но, всего знать невозможно, может кто-то другой подскажет о других известных заводских устройствах с таких фильтром.
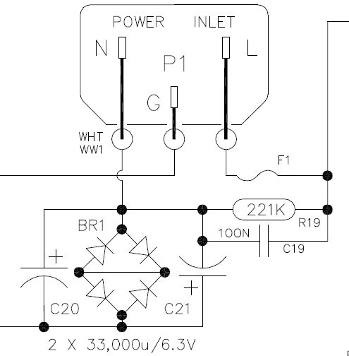
Во всех Брайстонах стоят такие фильтры:
Bryston PWR.jpg
Обычно такого фильтра вполне хватает для защиты от постоянки, но в отличие от схемы, предложенной ув. Лонгом в ней гораздо гуманнее требования к конденсаторам.
 
  • Like
Реакции: mexap
-- Заметим в скобках, что лично я - вообще ничего не предлагал, собс-но. :)
Я из схемы предложенной mexap, вычленил ту часть, которая убирает постоянку,
дабы LordPain было проще собрать.

В Брайстонах - да, есть такое, что таки сильно удивляет, бо обратное напряжение
на электролитах в ней достигает 1,5 вольта, что не есть хорошо.

-- @Boka, не надо МНЕ доказывать невозможное - это ещё никому ни разу не удавалось, по крайней мере по технике.
Ламповых усей я в своё врем тоже некоторое количество сделал :) , и что там и как - знаю сам.
И остаюсь на своём:
насчёт 35 кгц - сорри, это в младшую группу детсада побаечки.
Не согласны - плз, привозите усь ко мне, померяем. При свидетелях, под нагрузкой,
мошность во всей полосе - и именно измериловкой, которой можно верить.
Докажете свою правоту - оплачу Вам все расходы на поездку!
Докажете мою - с Вас точно такая же сумма.
Пожертвую её на съезды РММ.
Ы?... :p
 
Слушать через хороший ламповый усилитель музыку приятно.
-не всю , а определенную типа джаза и т.п
-еще приятнее слушать через хороший транзисторный , причем тип произведений уже не играет роли
-да брайстоны удивляют насколько знаю схему от постоянки все так и собирают как Михаил нарисовал, да и вообщем придумать больше нечего, кроме
вариаций на тему диодов и номиналов емкостей, еще могу порекомендовать разделительный транс после нее поставить где-то на кило
Оборудование комплект 60 квт звука под ключ ... часть усилков - 87 штук были Grand 300 .
-концертная практика и прослушивание музыки через мониторы - разные вещи, сейчас вообще весь концертный аппарат это массивы с классом D,
я например не хочу такое слушать дома хотя проникновение уже идет полным ходом ( те же icepower)
 
Последнее редактирование:
  • Like
Реакции: diggidon и Long
---------------------
... П ... С ...
ДЕТСАД ...

-- Почему-то ни доли секунды не сомневался в подобном ответе. :p
Ответить Вам нечего, подтвердить свою правоту - тоже нечем.
Зачем тогда пишите ахинею? Провоцируете скандал? Специально?
Ну-ну.

А побаечек про "легендарную" и "потрясающую" аппаратуру - я за свою жизнь
слышал СТОЛЬКО, что на несколько жизней хватит.
Только вот все они фуфлом оказались....
 
Спасибо всем за ответы! Как и подозревал ниже 500$ нечего и думать.. а тут еще и биампа захотел.. А кстати, нужен ли он, биамп этот? Забыл сказать что усь для мониторинга нужен. Сейчас пользую НАД312 если что.
 
Почему-то ни доли секунды не сомневался в подобном ответе.
Да товарищ вообще мастер высокохудожественных ответов, как то:
Дышащие герцовые низа , плотная КИНАПовская серединка
или
И скрипки ... почему-то начинают ... петь ...
Только какое отношение вся эта псевдолирическая лабуда имеет к мониторингу в сфере звукозаписи?
 
  • Like
Реакции: akaabd, Long и diggidon
@Boka, ох уж эти врываторы :) чтож вам не сидится то на своих уютненьких вегалабах и самоделкинах?) приходите в нашу секту аудиоатеистов, как миссионеры актуальных религий, без гостинцев, без доброго слова, лишь со своими "здравыми меломанами", "60квт под ключ" и лампами тыкаете, еще и на отцов наших кидаетесь. Вы хоть потрудитесь узнать, с кем в полемику вступаете, и что этот человек сделал для российского звука в целом.
 
Как и подозревал ниже 500$ нечего и думать.. а тут еще и биампа захотел..
-я уже писал присмотритесь к модулям icepower ( те которые они изначально делали для bang ollafsen) достаточно недорого
для биампа и уделают большинство т.н "мощняков" на tda lme и т.д , единственно питание придется делать и корпус
-дышащие герцовые низа это всего лишь плохой демпинг фактор любого усилителя( либо непорядки с плаванием постоянки) ,
кстати у " лампачей" так сказать это вообще родовая болезнь
надо понимать что таких звуков в природе нет ( инфраниз) и кроме шторма и урагана их никто не издает ( и то опосредственно)
-да забыл коробленый винил издавал , но правда повыше все-таки 10-15гц
 
Последнее редактирование:
  • Like
Реакции: Long
Кстати ,я как то сомневаюсь в теории Sunet ,что ламповый усилитель можно сделать вообще без искажений , ну если разумеется лампу для подсветки в транзисторной схеме не использовать , любая лампа будет обогащать звук гармониками и искажать ..в этом ее суть , за это ее и любят, в гитарных усилителях ) например )... но мониторинг , да и в принципе честный звук с лампой крайне плохо совместим ..

Всякие придурки аудиофилы на своих придурастых аудиофильских форумах , продвигают обратные теории , особенно мне нравится "о большем динамическом диапазоне " у лампы )
любая лампа даже до перегруза - компрессит звук .
 
  • Like
Реакции: newbie и Long
А вот появляются объявления о продаже тех же Брайстонов с заменёнными ёмкостями. Мол с "тех" пор всё давно испортилось, а мы вот поставили современнее, лучше и больше. Стоит на это смотреть или покупать оригинал?
 
Многие Брайстоны на ходу очень давно. Мой например 3BST аж 1998 года, но у них гарантия 20 лет, я спросил у их техподдержки, надо ли менять емкости, они говорят пока не надо. А вообще рекаппинг дело стоящее, электролиты сильнее прочих компонентов деградируют, да и технологии их изготовления совершенствуются со временем. Но только при замене надо ставить хорошие, а не что попало. Поэтому стоит уточнить, что там они поменяли. Не получилось ли шило на мыло...
 
Последнее редактирование:
что ламповый усилитель можно сделать вообще без искажений
-можно конечно , обратную связь или всякого рода компенсации никто не отменял, лично как-то собирал с к.г 0.002%
( схема из радио 90х годов) 25вт , играл хорошо но ламповый призвук все равно не уберешь ничем да и транс выходной
проблематично, мне лично больше понравились мутанты , вход на лампе выход транзисторный
о продаже тех же Брайстонов с заменёнными ёмкостями. Мол с "тех" пор всё давно испортилось, а мы вот поставили современнее, лучше и больше.
-современные емкости некоторых типов явно лучше чем старые( это я про электролиты конечно) , а вот конкретно брайстон
я вообще не стал бы брать из-за ущербной схемотехники, за такое бабло и дешевле можно что нибудь приличное взять типа уся
Д.Андронникова и еще усей кучи авторов( благо востребованная тема ), да тот же филигрэйн ( получше брайстона будет)
-а вообще усилители это вообщем достаточно личная тема , слишком много их хороших и похожих по звуку
мне например больше всего понравился в свое время accuphase ( марку не помню ) и quad только не 405 а следующий ( тоже не помню 500 какой-то)
-у знакомого есть ввс-2011 ( не знаю какого автора) вообще звук полный отпад
 
Последнее редактирование:
  • Like
Реакции: mitinglas и Long
-не всю , а определенную типа джаза и т.п
-еще приятнее слушать через хороший транзисторный
-- Джаз через лампу - имхо, таки приятнее.
Ностальгия... :rolleyes:

да тот же филигрэйн ( получше брайстона будет)

-- Не исключено, но есть подозрение, что к звучанию Брайстонов просто привыкли, как к "типа, стандарту".
 
  • Like
Реакции: dr_pavlic и smack
я вообще не стал бы брать из-за ущербной схемотехники, за такое бабло и дешевле можно что нибудь приличное взять типа уся
Д.Андронникова и еще усей кучи авторов( благо востребованная тема ), да тот же филигрэйн ( получше брайстона будет)
-а вообще усилители это вообщем достаточно личная тема ...

Вот куда крестьянину податься? Всего не перекупишь, не переслушаешь... Может какой А класс не мощный поискать?
 
Не исключено, но есть подозрение, что к звучанию Брайстонов просто привыкли, как к "типа, стандарту".
-именно так и есть , D.J Angel рассказывал , будучи в жапании на студии уставленной брайстонами , типа "а
другие уси не пробовали может звук получше будет" , они ответили "нет они у всех стоят значит так и надо"
[DOUBLEPOST=1473112612][/DOUBLEPOST]
Может какой А класс не мощный поискать?
-да заодно и яичницу с картошкой можно жарить , и отопление зимой не нужно , лучше поищите end of
millenium вполне себе хороший усь без оос
-а потом поймите сам по себе а-класс ничего не дает , ну работает себе транзистор ( повторитель) без отсечки тока с к.г 1.5-3%
дальше то что звук от этого никак не улучшается, вес да улучшается за счет радиаторов только и всего
некоторые да при этом кричат " вот он теплый звук класса-а", насчет теплого не знаю а вот что он не соответствует оригиналу это точно
 
Последнее редактирование:
  • Like
Реакции: Long и mitinglas
quad только не 405 а следующий ( тоже не помню 500 какой-то)
Quad 520f ( в наличии)

есть подозрение, что к звучанию Брайстонов просто привыкли, как к "типа, стандарту".
У нас их до сих пор мало, так что привыкли на уровне мастеринговых студий только там , "у них". Но реально очень хороший усил. ( в наличии)
Пара NS 10 MS +Bryston 3B-ST - проверенный десятилетиями референсный Near Field control.( в наличии)
 
-да заодно и яичницу с картошкой можно жарить , и отопление зимой не нужно , лучше поищите end of
millenium вполне себе хороший усь без оос

Где их искать? Вроде столько народу грамотного и рукастого. Судя по форумам что только не собирают! Но куда потом всё это девается? На большинстве самоделкинских форумах барахолки либо нет, либо очень не большая...
The End Millenium ver 4. clone выгдядит очень симпатично, но все ссылки ведут к обсуждениям. Кто б продал... Видел вроде на Авито объявление, что человек на заказ делает...
 
На большинстве самоделкинских форумах барахолки либо нет, либо очень не большая
-- А она там просто не нужна. Люди занимаются этим только как хобби, не ради денег.
Можно попробовать написать кому-нить там в личку - авось и сделают!
(Ещё можете попробовать ADCOM-ы поискать, недорого и вполне прилично.)

P.S. Кстати: http://pro-acoustics.ru/StudioAmp/novyy-tovar
 
Последнее редактирование:
Видимо что-то испортили... Из скальпеля сделали швейцарский нож.
При этом схема усилителя THEENDMILLENIUM была в значительной части переработана, усовершенствована и получила множество сервисных функций по сравнению с оригиналом.
ВЕРДИКТ: Редкое и безупречное сочетание лучших черт «лампового» и «транзисторного» звука.
 
По определению М. А. Бонч-Бруевича, «режим А характеризуется тем, что при действии сигнала рабочая точка не выходит за пределы практически прямолинейного участка динамической характеристики лампы. При этом нелинейные искажения минимальны, но коэффициент полезного действия (КПД) каскада оказывается низким» из-за необходимости пропускать через усилительный элемент значительный ток покоя. В транзисторной радиотехнике каскад, отвечающий процитированному определению, называют недонапряжённым, а каскад, в котором на пике сигнала наблюдается насыщение или ограничение тока — перенапряжённым («напряжённость» в этом контексте есть относительная мера амплитуды входного сигнала). Режим работы на границе недонапряжённого и перенапряжённого состояний называется критическим.

В режиме A рабочая точка находится на середине линейного участка вольт-амперной характеристики транзисторов, поэтому нелинейные искажения сигнала минимальны. В отсутствие сигнала через выходной каскад протекает значительный ток покоя, транзисторы в течение рабочего периода никогда не закрываются, т. е. каждый транзистор участвует в усилении обеих полуволн сигнала - и положительной, и отрицательной. Потребляемая мощность постоянна, а мощность рассеяния максимальна при малых сигналах. Термостабильность в этом режиме наихудшая.

В режиме B рабочая точка выходного каскада смещена до критического значения коллекторного тока и каждую половину периода происходит переключение транзисторов - каждый из них усиливает свою "половинку" сигнала. В отсутствие сигнала транзисторы закрыты, ток покоя не протекает. Потребляемая мощность пропорциональна выходной, а мощность рассеяния приблизительно постоянна (максимально 22% от выходной) . Термостабильность исключительно высокая. Самый главный недостаток, перечеркивающий все достоинства - при возбуждающих сигналах, близких к отсечке коллекторного тока транзисторов, возникают значительные переключательные искажения, с которыми не справляется никакая отрицательная обратная связь.

Режим AB - попытка примирить волков и овец. Рабочая точка выбрана в начале линейного участка вольт-амперной характеристики транзисторов, поэтому при малых сигналах каскад работает фактически работает в режиме A, а в режим B переходит при достаточно сильном возбуждении. В отсутствие сигнала через выходной каскад протекает некоторый ток покоя, иногда весьма значительный. КПД при этом снижается и появляется проблема стабилизации тока покоя. Термостабильность - удовлетворительная.

Характер искажений сильно зависит от режима работы выходного каскада, особенно при малых уровнях сигнала. Искажения при среднем уровне сигнала примерно одинаковы для всех усилителей. При больших уровнях сигнала начинается ограничение (клиппирование) сигнала в выходном каскаде и искажения возрастают во много раз. Вот почему помимо коэффициента нелинейных искажений важно знать, при какой мощности он измерялся. Искажения малого сигнала максимальны у каскадов в режиме B.

Плата за малые искажения "чистого" класса A непомерна. В среднем три четверти потребляемой мощности превращается в тепло и рассеивается внушительными радиаторами. Стереоусилитель мощностью 100 Вт на канал превращается в скромный электрокамин мощностью 400 Вт, который чем тише звучит, тем больше греется. В квартире камин не помеха, но в машине нужен только зимой. А экономичные усилители класса B явно проигрывают по качеству звучания и не устроят придирчивого меломана. Компромиссные усилители в режиме AB мечутся в поисках "золотой середины" между экономичностью и качеством звучания. Так в начале 80-х появились усилители класса A+. По качеству звучания они приближаются к усилителям класса A, а по экономичности - к AB. Цена такого достижения немалая - усилитель стал практически вдвое сложнее (и существенно дороже) .

В усилителях класса D возможен режим непосредственного усиления цифровых сигналов без их преобразования в аналоговую форму.

Принцип работы усилителей этого класса состоит в том, что выходной каскад возбуждается импульсами прямоугольной формы. Затем последовательность прямоугольных импульсов поступает на усилитель мощности, работающий в ключевом режиме. Фильтр НЧ на выходе выделяет полезный сигнал, подавляя при этом несущую частоту, ее гармоники и боковые полосы спектра.

КПД этих усилителей доходит до фантастической цифры 92-95%. Это преимущество особенно проявляется при усилении сигналов малого уровня. Однако искажения сигналов малого уровня больше, чем среднего. Коэффициент нелинейных искажений обычно лежит в пределах от 0,01 до 0,1%.

По Брайстону: Серия ST (по имени Стюарта Тейлера – ведущего инженера компании) с применением фирменного квадро-комплиментарного (quad-complimentary) выходного каскада, который передает сигнал на выход единым целым, без разбивки на две полуволны. Схемотехника актуальна и применяется в более новых SST и SST2.
 
Последнее редактирование:
  • Like
Реакции: кактус
В усилителях класса D

коэффициент нелинейных искажений обычно лежит в пределах от 0,01 до 0,1%.
А ведь совсем недавно для усилителей класса АВ искажения 0,03 % считались верхом совершенства! Думаю что и сегодня это очень хороший показатель. Сейчас научились делать цифровые усилители которые на самом деле хорошо звучат! Удивляюсь и радуюсь. Особенно те что с импульсным питанием...3 килоВатта в корпусе 1U - с ума сойти! Признаюсь что сколько я не мучался, получить хороший звук при импульсном питании мне не удалось... но есть люди которые на этой специализируются, работают, ищут и добиваются успеха! Искренне радуюсь и за них и за нас!
 
  • Like
Реакции: mitinglas

От 130 000 р.??? Ну как-то перебор для меня :) Мне Филигранъ тогда милее :) При этом для меня 200Вт излишне. Можно мне 1, 5Вт, но безупречных? Чтобы сравнить с текущими наличиствующими. А то я боюсь, что в моих условиях и задачах, на моей акустике я не услышу разницы.
 
@mitinglas, если вам нужно 5 ват , покупайте любой уси 70-100ват, и слушайте на 10-15% громкости. И будет безупречно звучать. На малой громкости почти все звучат хорошо...:)
 
  • Like
Реакции: mitinglas
и quad только не 405 а следующий ( тоже не помню 500 какой-то)
Кстати, есть в наличии Quad 520 (без "F") - встречал как-то давно на ebay наборы для улучшайзинга этого усилителя, но руки так и не дошли не то что купить, а даже разобраться чего там конкретно и какие улучшения должны быть в звуке. Может кто-нибудь из форумчан пробовал прокачивать этот усилитель?
И по Accuphase согласен - потрясающий усилитель. Несколько лет назад снимал квартиру у знакомого: в гостиной - а он немного аудиофил - стоял какой-то Accuphase (сидюк с цифровым входом и усилитель) c акустикой Cabasse. Долгими зимними вечерами переслушивал все свои любимые записи. До сих пор ни на каких мониторах, ни с аналогом, ни с протулзами не могу добиться такого звука, какой выдавал тот "тракт" - вот прям хоть бери его на мастеринг и реампинг устраивай ))
Но понятно, что такие произведения искусства - они всё же для потребления записей, а не для честного мониторинга при их производстве.
 
@mitinglas, если вам нужно 5 ват , покупайте любой уси 70-100ват, и слушайте на 10-15% громкости. И будет безупречно звучать. На малой громкости почти все звучат хорошо...:)

То то я думаю, что это у меня всё так хорошо звучит :) А на эту ветку зайдёшь: D - кошмар "проникающий уже" в студии, Bryston - схематически ущербен, Adcom - стар, А класс - грелка. Микросхемы - не кошерно. Лампа - красит, искажает. Даже Филигран - и тот гудит!
 
Да, был у меня мс2 1250, пару раз включил на мониторы, продал аудиофилам.
Просто сварочный аппарат какой-то. По энергопотреблению.
@mitinglas, если прям вот надо, можете взять на пробу два уся, которые мне без надобности. Один jbl mpx 300(350,400?) Вроде бы клон от приличного крауна.
Второй кажись conford аглицкий, юзался для ns-ок 10.
емнип, оба звучали вполне ровненько, а ценник вполне умеренный, до 300 грина, соотв. 18-20 тыр.
 
  • Like
Реакции: mitinglas
@mitinglas, если прям вот надо, можете взять на пробу два уся, .

Спасибо, подумаю. Эдакой особой необходимости нет. Да и у меня усей в наличии есть :) Просто читая наших уважаемых мэтров, устыжаешься простоте своих решений :) Ну и думаешь, дай куплю этакий окончательный, правильный, совершенный, референсный аппарат, который потом не будут на форуме склонять. Пока проще-дешевле Филиграна не нашёл. А у меня 5 дюймовые ширики в 80-90 см. от уха с чуствительностью в 92дБ основными излучателями работают. Как-то Филигран даже 400-й мне кажется излишне для них мощный... Шипеть ещё в простое будет.

Продолжаю с интересом читать :)
 
По поводу использования мощного усилителя на малой мощности...это не совсем так. Лучше всего использовать усилитель на мощности 20-50%. Как на максимальной, так и на малой мощности обычно искажения растут.

По поводу высоких требований к усилителям. Это ведь мониторинг! Если мерять 70см-тровым метром, то сами понимаете... так что требования к мониторному усилителю высоки и никуда от этого не деться! Но и перегибать не стоит. Ведь динамическая головка искажает значительно больше чем усилитель. Так что сверхкачественный и дорогой усилитель совсем необязателен.
 

Сейчас просматривают