Клуб пользователей Октава:] (2 онлайн)

  • Автор темы Автор темы Tenet
  • Дата начала Дата начала
Что вы вкладываете в термин "неудачная модель"? Явный брак или индивидуальные АЧХ каждого конкретного экземпляра?
Если с первым вариантом всё ясно, то как "не нарваться" на "неудачный" экземпляр, покупая дистанционно?
Про явный брак, я думаю, говорить не стоит - он может быть у любого производителя! Думаю, речь идет об разбросе экземпляров. Но всё же "Октава" молодец, что прикладывает индивидуальную АЧХ. Выбирать экземпляр по индивидуальной АЧХ вполне можно (именно экземпляр, а не модель!).
исключительно ради праздного любопытства, не могли бы вы выложить скан (либо фото) АЧХ вашего экземпляра 519
Вот это было бы очень интересно! А вот такая "типовая" повергает, мягко говоря в недоумение. Цена деления 1 дб? Или может всё же 2 дБ?? Если 1 дБ, то зачем прорисовывать на типовой узкие зигзаги +/-1 дб (они даже для Neumann уложатся в допуск, а уж у Октавы разброс реальных будет поболее!) Обычно типовая АЧХ рисуется заметно более сглаженной
 
@Германий, Далеко не надо ходить,на сайте Октавы,только давно видел,но не понятно почему такие перепады именно на этот мик,у других ровная.
 
@akaabd, скажу честно я никогда и не интересовался этими графиками. Всё на слух))). Я даже и не думаю, что мне повезло с 5000-ой. Может есть и лучше модели из 5000, так как говорят, что они не одинаковые с конвейера выходят и надо ехать в Тулу и выбирать чисто на слух))). Но он на данный момент меня вполне устраивает, по крайней мере по сравнению с Роде к2.
 
  • Like
Реакции: Zvuk-Ach
Но он на данный момент меня вполне устраивает, по крайней мере по сравнению с Роде к2.
Согласен,сам всё на слух,у меня 4000ый,хоть и не часто щас пользуюсь Октавой(ещё 101 и пара 102),но это потому что хороший винтаж имею,не знаю кому как но Роде мне никогда не нравились, у Октавы школа старая,всё равно это даёт о себе знать,не зря старый мастер доктор Тирш хвалил Октаву и писал что капсюль102-5000 очень сильно ему напоминает Нойман 67,просто верхов больше.не знаю от натяжения плёнки.или чего другого.
 
@Германий, а через что Вы в 32 бита писали, если не секрет?
Я не совсем понял вопроса. Есть микрофон Октава 5000, он подключён в преамп Лонг стереоченнал, затем из преампа в АЦП дигилаб 202, а оттуда уже в комп по AES/EBU в Кубейс 5.5.1, где выставлены параметры проекта, и какие они выставлены, так и будет записываться вокал))). И если выставить 96/32, то и вокал (и все остальные аудиофайлы) будут 96/32. Поясните вопрос, может я чего не понял?
Есть конечно одно "но". Если затем весь проект выводить в аналог на оцифровщики, которые поддерживают только 24 бита, то и писать в 32 просто бессмысленно, и даже вредно. Да и в моём случае 96 тоже не подходит. Ведь у меня behringer 8200, а они только 48/24.
А вот когда я по цифре скидываю микс (не проводя через микшер (сумматор), то и проект 96/32 очень даже кстати)). Только потом микс приходится ресемплером и дизерингом обрабатывать, что тоже ухудшает микс, но не настолько всё-таки, как когда работаешь в 44/16.
 
Последнее редактирование:
@Германий, я о том, что Digilab 202 вроде бы поддерживает разрядность только до 24-bit. И от выставления 96/32 в Кубе эти самые реальные 32 бита не появятся ниоткуда. Глаз за это зацепился просто.
Вообще есть ли на рынке оцифровщики, которые дают на выходе реальный сигнал 32-bit?
 
Упс, это да. Битность только до 24-ёх. Просто никогда не смотрел, так как у меня все проекты 48/24, потому как затем в беринжеры, где только 48/24. А так, да. Тогда 96/24 наверное лучший вариант записи при цифровом миксе))). Хотя и 48/24 совершенно устраивает.))) Просто именно 44/16 как ни странно звучит у меня как наждачка)))). Почему не знаю. Клок правда даёт карта РМЕ RayAdat, а говорят, что она, когда сама раздаёт клок, то это не лучший вариант))). Я конечно не очень-то верю в это, ведь именно РМЕ-шные карты считаются по клоку самые стабильные, но если кто-то что-то знает прошу написать. Может раздавать клок с digicon ADC 202 и РМЕ и всему остальному? Где-то на форумах я читал, что именно РМЕ как раздатчик клока не самый лучший вариант. Правда это было в 2008 году))). Наверное уже всё изменилось и даже есть специальная кнопка steady clock и если её отключить, то SRC и не работает как бэ))).
Если кто об этом чего-нибудь знает прошу написать))).
 
Последнее редактирование:
  • Like
Реакции: Sharu
Камрады! Попал в руки раритет = Октава МК-12 (ламповый!) 1972 г... Заинтересовала история его создания/производства. Может кто располагает такой инфой?
Всем откликнувшимся - спасибо!
 
Скину-тка я сюда пожалуй эти два файлика. Напомню:
1) Октава 519
2) Октава 5000
Спето одним разом. Через что и как написано выше.
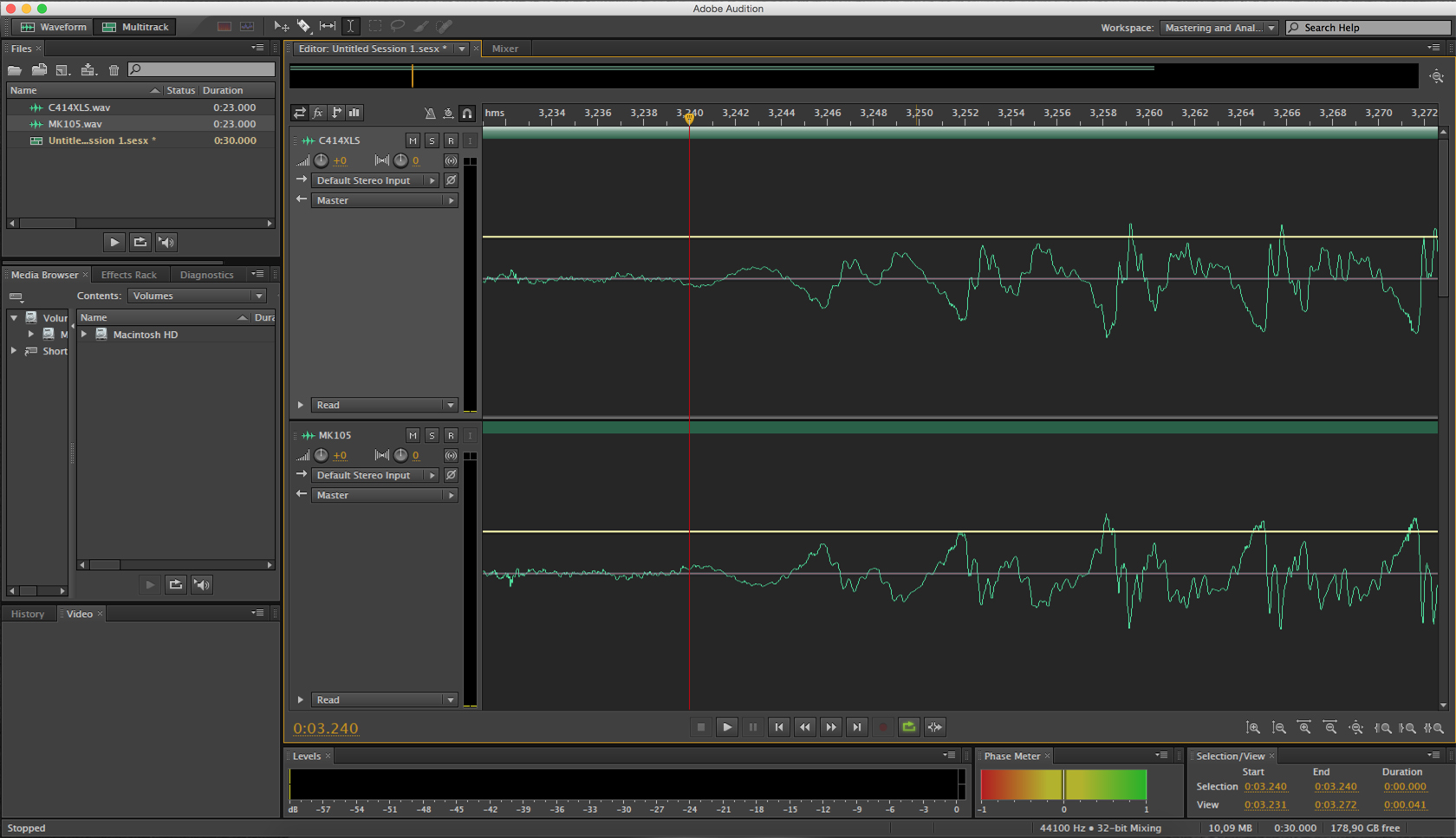
Спасибо за сравнение! У Вас записано только все в противофазе, нажмите на Лонге кнопку Phase - Октавы все с "противной" фазой ведь))
 
  • Like
Реакции: studio666
@KonG Секундочку! А как проверить фазу? у меня 5000... И как вы поняли, что в противофазе микр?
 
Последнее редактирование:
А как проверить фазу? у меня 5000...
Запишите рядом нормальный брендовый.
Скорее всего, (судя по тенденции общей) - будет в противофазе.
Для опытного образца это не страшно, бывает, транс крутит фазу, схема... а вот для серийного - удивительно.
У нас и тут "особый путь" и "их" фаза - нам не указ.
 
  • Like
Реакции: studio666
А разве эта самая перевёрнутая фаза играет какую-то существенную роль в звуке? И как понять перевёрнута она или нет? У меня нет брендового микрофона))). Если бы был, я может и не купил бы октаву))).
 
А разве эта самая перевёрнутая фаза играет какую-то существенную роль в звуке?
-для одиночного микрофона фаза по моему без разницы , для группы да могут начаться вычитания и частотные
искажения если фаза где-то не совпадает у одного или нескольких микрофонов, проверяется вообщем элементарно
берем два микрофона рядом и что-нибудь мычим , если уровень резко падает по сравнению с одним то противофаза
-на этом эффекте когда то делали уменьшение пролаза гитар и ударных в микрофоны при живье, на небольшом
расстоянии от основного прикрепряли вспомогательный микрофон включенный в противофазе, исполнитель
пел в один микрофон , второй весьма сильно уменьшал звук со сцены путем взаимо вычитания
Запишите какой-нибудь звук с резкой атакой и взгляните в любом звуковом редакторе на осциллограмму записанного сигнала. "Правильная" фаза начинается с положительной полуволны.
-очень большие сомнения у меня относительно такого способа определения фазы
 
  • Like
Реакции: bitpak
Если писать барабан микрофоном сверху, то в момент удара мембрана начинает движение от микрофона и создает разрежение воздуха, что эквивалентно как раз отрицательной полуволне. Это все зависит от инструмента и его принципа работы
 
  • Like
Реакции: convex

Вложения

  • c414_mk105_phase.jpg
    c414_mk105_phase.jpg
    466,4 KB · Просмотры: 219
Для меня это дано уже не новость. Когда то была у меня Октава МКЛ-4000. до этого ещё была МК-101, ситуация та же - фаза перевёрнута! Мне это ни как не мешало, развернуть фазу не проблема просто об том надо помнить. У меня только вопрос к здешним комрадам из Тулы имеющим отношение к данному производству НАХ??)) Какова сверх задача этого явления практически на всех изделиях Октавы?? Наследство старорежимного магнитофонного прошлого?, Или дешёвый ход, - проявить (выделить) вокал в миксе??))) чтоб торчал хорошо;)
 
Какова сверх задача этого явления практически на всех изделиях Октавы??
-помнится мне когда-то давно у xlr распайки были две разных ( американский стандарт или европейский не помню точно)
много путаницы было с фазами , потом утрясли ( какой-то вариант отменили) , может они до сих пор по старому
лепят
 
-помнится мне когда-то давно у xlr распайки были две разных ( американский стандарт или европейский не помню точно)
много путаницы было с фазами , потом утрясли ( какой-то вариант отменили) , может они до сих пор по старому
лепят
Первый раз слышу про разные стандарты, надо будет погуглить этот вопрос, а вот то что XLR стандарт пришёл из авиации история известная, а там вряд ли могли быть такие разночтения в стандартах, всё таки авиация. Хотя всё может быть.
Суть проблемы - волокита ( сбор необходимой документации и прочая организационная мелочь).
Вполне вероятно, что в ближайших планах приведение ТУ гражданской продукции к современным стандартам нет, ибо (1) загружены оборонным заказом и (2) отсутствуют кадровые ресурсы для осуществления "модернизации" ТУ.
После таких заявлений, в моих глазах репутация ОКТАВЫ просто рухнула! Для них это просто побочный продукт, результат конверсии. Вот вам и культура производства отечественного производителя))
 
@digilab2, @Saymon, европейская наша теперь стандартная, американская- 2-й минус, 3-й плюс. Например у симетрикса 501 американская распайка (больше под рукой с такой распайкой ничего нет).
Про приход из авиации никогда не слышал...
 
-так америкосы вроде тоже перешли на 2 плюс 3 минус не помню сколько лет назад , по крайней мере недавно было что-то ламповое из
нового там нормально было , и призм лира вроде тоже как надо,надо у Bloodykot спросить у него lynx hilo есть в наличии
-значит октава правильно делает , только неизвестно под кого
 
а вот то что XLR стандарт пришёл из авиации история известная
-я тоже такое слышал , правда слышал еще версию про медицинское оборудование 40 годов ( в авиации были подобные но все были с закрутками)
После таких заявлений, в моих глазах репутация ОКТАВЫ просто рухнула!
-да бросьте , на любом преампе есть кнопка фазы для этого , в конце концов откручивается пара винтиков и перепаиваются провода внутри
микрофона , так сказать если невмоготу
[DOUBLEPOST=1462973162][/DOUBLEPOST]
В конце концов, всё это - "закулисные интриги" производства.
-какие там закулисные игры , как после войны б-29 на туполеве содрали , так до сих пор xlr и распаивают, хотя может просто
цифирки на чертеже перепутали
 

Сейчас просматривают