Микрофоны ЛОМО

  • Автор темы Автор темы macho
  • Дата начала Дата начала
Идентифицировал резьбу паука ломо - 8мм. Но не нахожу переходников для микр.стойки с резьбы 16 или 9мм на 8.
 
Сейчас писал бэк-вокал дома. Решил ради прикола попробовать 19А4, хоть он вроде как и не вокальный по предназначению... типа начнём, не понравится - другой поставлю. И в итоге, ещё сидя в ушах и разговаривая с певицей, понял, что менять его не буду... "дорогой" фирменный винтажный ламповый звук с мягкими шипящими. Пока писал - кайфовал, а дальше, как говорится, "вскрытие покажет". )
Ещё бы на круге попробовать, должно по идее ещё лучше быть, но не в моей комнате.
 
у меня была "мыльница" 19А13. тоже какое то время лежала в шкафу, но как только была протестирована на голосе, больше ни во что голос не писали. ни U87 ни C414 близко к нему не стояли на голосе.
 
  • Like
  • Love
Реакции: Arlekin, The GP и Alex_HS
226635
 
Хорошо ж сакс звучит! Несведенка. Записано для конкурса,по условиям которого нельзя постпродакш,сведение.
 
Хорошо ж сакс звучит! Несведенка. Записано для конкурса,по условиям которого нельзя постпродакш,сведение.

Микрофон хороший, звук мягкий всё остальное на любителя., исполнение вялое....
Та же тема в другом исполнении: и
Немного офтоп, но зачем такую тему выставлять на тестирование микрофона?
PS: знаю обоих гитаристов лично(но чтобы было понятно я не прикрываюсь). Просто меня иногда задевают такие каверы(для конкурсов).....
 
Кто в курсе какая направленность у 19а19у2 ?
 
  • Like
Реакции: Aмирханов
Та же тема в другом исполнении:

Я работал с ним в 1986-м году в кабаке в городе Жданов (Мариуполь). Впоследствии он стал гитаристом группы "Фристайл".


Что-то опять в моём 19-А-19 стал сигнал пропадать (ослабевать). Контакты? Или ёмкость какая-нить? Выключаю, подёргаю штеккер в микрофоне вперёд-назад - работает, а потом опять. Проблема рандомная, может очень долго не проявляться.
 
  • Like
Реакции: Alex Borg
@GeorgeM2, Надо у себя порыться. Вечно теряю, потом нахожу.
ЗЫ: Вот!
Огромное спасибо.

Схема очевидно снималась с переделанного блока, но напряжения указаны, хотя бы понятно куда копать.
В непеределаном блоке 20В-50 "только для микрофона 19А-4" 6 электролитов, один МБМ (между 6 и 3 выводами гнезда кабеля на микрофон) 3 постоянных, 2 подстроечных резистора и нет каменного стабилизатора.
Сейчас сравнил - и распиновка гнезда микрофонного кабеля не совпадает (и гнездо 6пин а не 7 как на схеме). Эх. Буду разбираться.

Отсюда следующий вопрос: а как разбирается сам микрофон? у него усилительная часть просто вынимается вниз, как у shoeps 221 или сперва надо как то голову с ручки снять? Может голова припаяна? боюсь что нибудь поломать, а без сравнения со схемой ещё и потрохов микрофона - подключать страшно, жалко ж мик.
 
Последнее редактирование:
...в моём микрофоне транс выдаёт какие то дикие напруги, как будто он на 127 вольт.
ии...
распиновка ручки микрофона тоже не совпадает. схема совпадает. сегодня выложу схему начерно а там буду думать как с ним быть.
 
...в моём микрофоне транс выдаёт какие то дикие напруги, как будто он на 127 вольт.
ии...
конкретнее
меряйте переменку до мостика

Обычно для получения +120 В анодного берут трансформатор с выходом ~150 В, после диодного моста на первом же конденсаторе фильтра это получается > +200 В. После этого цепочками резистор+ электролитический конденсатор это напряжение фильтруют и снижают до необходимого.
235939

На картинке часть схемы БП микрофона Apex 460, они решили, что им больше подходит ~200 В. Соответственно на конденсаторе С1 будет более +300 В.
 
235946

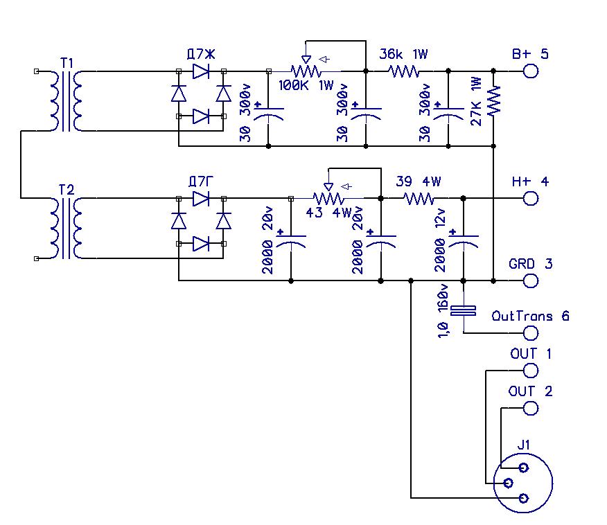
Вот фактическая схема моего 19А-4. Номинал С3 не виден, укажу позже, когда переберу весь БП (это похоже неизбежно).
резистор R"Б" - тоже не видно как его промаркировали, поэтому назвал от балды(по логике должен быть R6). номинал верный. %-))
Я совершенно уверен, что напряжения должны быть раза в два другими (судя по накалу лампы в 6,3в), буду разбираться с питальным трансформатором. Пока предполагаю 2 версии: транс на 127в (вопреки надписи на корпусе БП "220") или межвитковое в первичке. Что б транс вытащить - придётся раскидать половину блока, а оно на винтах с гайками. Эх.

Что касается распиновки: пайки входного разъёма на БП заводские, все остальные пайки БП заводские кроме пары мест: перепаян С7 и напаян кабель вместо выходного разъёма (который удалён).
микрофон: пайки в ручке заводские, кроме соединения 3-7 разъёма, которое очевидно чинилось (непонятно зачем, в микрофонном разъёме кабеля 7 пин не припаян). Так же в кабеле чинились пайки 2 и 4 ног разъёма к БП.
Так что распиновка похоже такая и была с завода.
 
Последнее редактирование:
  • Like
Реакции: Alex_HS
Ох уж эти советские конструкторы )) Обычно этот конденсатор ставят в самом корпусе микрофона. И это правильно, так на него будет меньше влияния от блока питания. Тут конструкторы видимо боролись за минимальные размеры микрофона или советский конденсатор 1 мкФ х 250-300 В оказался больше самого микрофона.
235954
 
  • Like
Реакции: GeorgeM2 и Alex_HS
235956


По блоку питания могу посоветовать. С1, 2 и 3 в высоком заменить на свежие элекктролитические конденсаторы максимальной емкости. Естественно они должны быть не меньших Вольт чем имеющиеся. Параллельно С3 поставить керамику 0.1-0.47 мкФ на соответствующие вольты.
На накал поставить схемку на LM317. Потенциометром R5 выставить 9 В для ее стабильной работы.
235957


Конденсаторы С12, С13 можно использовать 16 и даже 10 Вольт. Я ставлю не 1000, а 10000 мкФ.
 
Спасибо за советы, но фильтры питания думаю стоит причёсывать уже после того как разберусь с трансом. Всётаки более чем в 2 раза превышение выходных напруг по сравнению с тем что на выложеной вчера схеме это явно не беда фильтров...
Электролиты в блоке стоят ЭГЦ, есть немалый шанс что они и сейчас в порядке, тип был удачный. Разберу блок - промеряю. Вот шунтировать плёнкой - точно не помешает, горсть плёночных 0,1х500в у меня для этого всегда найдётся.
И насчёт "максимальной ёмкости" - диодный мост жалко, германий может не вынести заряда многотысячных емкостей. ;-)

Что касается С7 - конечно лучше бы его запихать в ручку, нооо... Даже современные плёночные в микрофарад (а тем более 5 как в схеме) на 300 вольт в ручку не войдут (фото ниже). Разве что керамика, но здесь ей не место. Так что тут без вариантов.

У кого нибудь (кроме Ноймана, хехе), был опыт использования китайских импульсных питальников на анодное? широко распространённые "жёлтые китайские модули" 1168 вроде должны подойти, если на выходе пару-тройку звеньев фильтров повесить. Но я их никогда не пробовал, может они вокруг лучат, может по какой другой причине неприменимы.
А транс перематывать - это неизвестно куда и кому заказывать, и сколько ждать. Готового 65в + 8в в продаже точно не найти, а китайских импульсников как грязи. Собрать из них новый блок питания гораздо проще выйдет.
Другое дело, что "проще" и "лучше" редко совпадают. %-(
 

Вложения

  • IMG_20231014_180307.jpg
    IMG_20231014_180307.jpg
    1,6 MB · Просмотры: 193
Последнее редактирование:
Спасибо за советы, но фильтры питания думаю стоит причёсывать уже после того как разберусь с трансом. Всётаки более чем в 2 раза превышение выходных напруг по сравнению с тем что на выложеной вчера схеме это явно не беда фильтров...
Для лампы 6С6б при +120 В анодного ставят резистор в аноде 100К. У вас 330К- следовательно анодное может быть запланировано +250 В.
235967


Вот схема микрофона на лампе 12AY7 - я на нее подаю +120 В анода, здесь +275 В.
 
  • Like
Реакции: Alex_HS
У кого нибудь (кроме Ноймана, хехе), был опыт использования китайских импульсных питальников на анодное?
Давно решено осуждать подобную практику для микрофоностроения.
А транс перематывать - это неизвестно куда и кому заказывать, и сколько ждать.
Вот, только вчера получил:
235968
235969


Параметры- количество обмоток, мощность, все на заказ.
 
  • Like
Реакции: Anthony Scott и GeorgeM2
Так, моя паника оказалась преждевременной. %-))

Нагрузил накальную секцию сопротивлением, померял - просадка мама не горюй, подоткнул микрофон, померял.
В общем карта напряжений под нагрузкой выглядит вот так, в первом приближении. Всё более менее в норме, для пущего перфекционизма - регулировать штатными потами есть куда.

А вот ёмкости не особо радуют, где потеря ёмкости процентов в 10, где утечки великоваты. еср везде не ниже 0,2. Всётаки старенькие, надо будет нарисовать новую плату фильтров и на неё новые ёмкости, самвху какую нибудь, и плёнкой\керамикой зашунтировать. будет чем заняться на неделе.

Насчёт LMки не уверен, если уж импульсники в питание не стоит - то и интегральному стабу там делать особо нечего, раз и без него, на резисторах всё работает.

Ну и С7 поменяю на чего нибудь плёночное, и ёмкость в 5мкф как на схеме. Оно сейчас стоит типа МБМ, их даже мерять - только время терять, проще сразу в мусорку.
 

Вложения

  • IMG_20231014_194509.jpg
    IMG_20231014_194509.jpg
    547,9 KB · Просмотры: 174
  • IMG_20231014_194515.jpg
    IMG_20231014_194515.jpg
    884,4 KB · Просмотры: 165
  • IMG_20231014_194525.jpg
    IMG_20231014_194525.jpg
    836,8 KB · Просмотры: 169
Вот более читаемый вариант заводской схемы БП 20в-50 от 19А-4. На 164% не уверен в номинале С7, т.к. он был менян, но похоже на правду.

В своём - все электролиты удвою по ёмкости, зашунтирую плёнкой, С7 поставлю плёнку 4,7мкф\350в, электролит 5мкф\6в в ручке мика попробую заменить на плёнку, если не влезет - поставлю лоу еср электролит.

Да, если кому то интересно - могу выложить схему БП Beag AT501\A он же криворуко скопированый венграми Shoepps\Neumann 221. (так же приволокли в ремонт, уже починил)
 

Вложения

  • 2023-10-16_09-24-15.jpg
    2023-10-16_09-24-15.jpg
    62,6 KB · Просмотры: 172
Последнее редактирование:
  • Like
Реакции: sergeybrest
Насчёт LMки не уверен, если уж импульсники в питание не стоит - то и интегральному стабу там делать особо нечего
Здесь Вы зря опасаетесь, LM это классический линейный стаб, он не продуцирует помехи, а его установка на накал даст только профит ))
если конечно принципиальным моментом не является сохранение аутентичности…
И диоды в накальном выпрямителе заодно можно заменить на 1n5391, 1n5392 либо из распространённых 1n4001…4007.
Решение с резистором и конденсатором большой ёмкости после LM-ки (по схеме @Aik_man ) более существенно снизит бросок тока при старте холодной нити накала лампы.
 
Последнее редактирование:
  • Like
Реакции: Long
Хм, а почему тогда не 7806 ? обвязки на 5 деталей меньше выйдет...
Выходное 6вольт - совпадает и с переделаной схемой выше, и с паспортом на лампу.

Да и бросок там, 500ма(холодная)>200ма(рабочий режим). По сравнению с el34 или 6550 - вообще ниочём. ;-)
 
Последнее редактирование:
  • Like
Реакции: Long
а почему тогда не 7806
7806 подойдёт конечно,
просто моё замечание касалось уже предложенной схемы на lm317.

Если можно, я 5 копеечек своих внесу… Обеспечение плавного старта любой лампы - это отнюдь не дилетантская фобия аудиофилов, а реальная мера по увеличению срока службы.
Кроме того, продлевает жизнь и плавная подача анодного после того, как катод будет прогрет. Скажу по собственному ремонтному опыту, что такие решения в студийном оборудовании (и БП ламповых микрофонов) не редкость,
равно как и игнорирование/удешевление у других. Например, в Sony c800 изготовитель вообще вкорячил в отсек с лампой элемент Пелетье )) для поддержания и стабилизации теплового режима лампы…
Rode ntk ругаемый на каждом углу за его верхастость - БП совершенен, вначале плавно накал, затем его плавно догоняет анод … это я к тому, кто и как относится/заморачивается.
Дорогие амплифаеры тож пробегали, там также всё плавно. Гитарное усиление- там как правило никто не парится, всё рубится резко (не встречал пока плавного старта, только анодное на отдельном тумблере), да и лампы в этой нише по сути - расходник.
Эти проблемы изучались давно, и вкупе с вышеописанными рекомендациями были описаны в зарубежных технических изданиях ещё в махровых 60-х годах.
Так что путь с lm317 - в более правильном направлении, имхо
(либо 7809 плюс последовательный резистор порядка 15ом и ёмкость 10000мкф на землю для плавного нарастания напряжения). С 317 можно более точно подстроить напряжение, да и добавить в управляющую ногу ещё большую ёмкость для увеличения разгона… А так разумеется, всё на ваш выбор. )
 
Последнее редактирование:
Местный гитарный мастер создал такой переходник для микрофонной стойки чтобы можно было накрутить родной паук Ломо.
 

Вложения

  • IMG_20231127_134550.jpg
    IMG_20231127_134550.jpg
    579,6 KB · Просмотры: 204

Сейчас просматривают