создание самодельного аналогового синтезатора с 4 - мя (8-ю) голосами без микроконтроллера (1 онлайн

  • Автор темы Автор темы Dmeerev
  • Дата начала Дата начала
Владимир, не могли бы Вы мне помочь в поисках простой схемки контроллера клавиатуры 1в/октаву для аналогового синтезатора. Ну, например, такого как WP-20? наверняка знаете о нем. Что б октавы на 2, больше и не нужно. Я сильно начинающий в этом деле, макет одного синта собрал, правда на обычном тональном генераторе (к155ЛА3). Теперь хочу на генераторе, управляемом напряжением, но не с регулировкой тона переменником, а с клавиатурой. А тут смотрю, Вы кк раз эту тему обсуждаете. Был бы очень благодарен.
 
Хоть я и не Владимир , но думаю чем-то могу помочь :)

На мой взгляд , наиболее выгодное решение :
218827
218828
 
  • Like
Реакции: кактус
Спасибо вам большое, Коб, кажется, начинаю въезжать в тему. Т. е., при нажатии клавиши замыкаются сразу два контакта - gate, и tune соответствующей ноты. Вот бы еще знать, как рассчитать номиналы резисторов в делителе напряжения, от каких показателей, собственно, плясать. Еще я читал, что существует какая-то диодная матрица, предотвращающая негатив при нажатии двух клавиш сразу, и обеспечивающая приоритет нмжней, например, по строю клавиши. Но не могу, пока, найти как это на схеме выглядит. А это схема какого аппарата?
 
  • Like
Реакции: коб
Вот бы еще знать, как рассчитать номиналы резисторов в делителе напряжения, от каких показателей, собственно, плясать.

Вам необходимо увеличить изображение , и вы увидите номиналы . Они внизу на делителе . Да вообще их там всего два : все последовательные =1ком, все параллельные =300 ком . Точность не хуже 1% .

Еще я читал, что существует какая-то диодная матрица, предотвращающая негатив при нажатии двух клавиш сразу, и обеспечивающая приоритет нмжней, например, по строю клавиши.

Здесь ничего этого не нужно . Схема обеспечивает верхнее выбирание тона ( как у гитары) , остальные ноты при нажатии в этот момент просто не звучат . Верхняя всегда доминантна .
 
Спасибо вам большое, Коб, кажется, начинаю въезжать в тему. Т. е., при нажатии клавиши замыкаются сразу два контакта - gate, и tune соответствующей ноты. Вот бы еще знать, как рассчитать номиналы резисторов в делителе напряжения, от каких показателей, собственно, плясать. Еще я читал, что существует какая-то диодная матрица, предотвращающая негатив при нажатии двух клавиш сразу, и обеспечивающая приоритет нмжней, например, по строю клавиши. Но не могу, пока, найти как это на схеме выглядит. А это схема какого аппарата?
Как я себе представляю схему: есть шина опорного стабилизированного напряжения. Между ней и землей установлены делители напряжения (два резистора последовательно) в точке соединения каждой пары резисторов получатся напряжения соответствующие определенной ноте. От каждого делителя напряжения через контакт клавиши управляющее напряжение подаётся на осциллятор через диод. Если диоды развернуты в сторону осциллятора то при нажатии нескольких клавиш будет напряжение самое высокое поступать на управляющий вход осциллятора. Если диоды развернуть в обратную сторону, будет выбираться самое низкое напряжение при нажатии нескольких клавиш. Таким образом реализуется одноголосный режим работы клавиатуры, при котором при нажатии нескольких клавиш будет звучать самая верхняя из нажатых или самая нижняя.
 
  • Like
Реакции: коб
@Vladimir74,

Есть много всевозможных решений аналогово клавиатурного контролера с использованием диодов в том числе . Но обычно их использование , определено наличием логических элементов и , или ключей ....

В вышеприведённом схемном решении необходимость в диодах отсутствует . При внимательном рассмотрении можно понять почему ....

Причём , главное достоинство этого контролера перед другими , даже не в этом . Но об этом в следующий раз:) ....
 
  • Like
Реакции: Vladimir74
Причём , главное достоинство этого контролера перед другими , даже не в этом

Так вот ! Главное достоинство этого контролера в том , что на выходе у него не просто линейно - возрастающее напряжение , а напряжение возрастающее по экспоненциальному закону . То есть ,подключив на выход обычный линейный VCО ,
после элементарной настройки единственным потенциометром в блоке клавиатуры (вольт/октава) ,вы получите темперированный строй инструмента . Такая система гораздо стабильнее и проще чем например " Муговская" , хотя не лишена своих недостатков .......Но об этом в следующий раз .......
 
  • Like
Реакции: Vladimir74
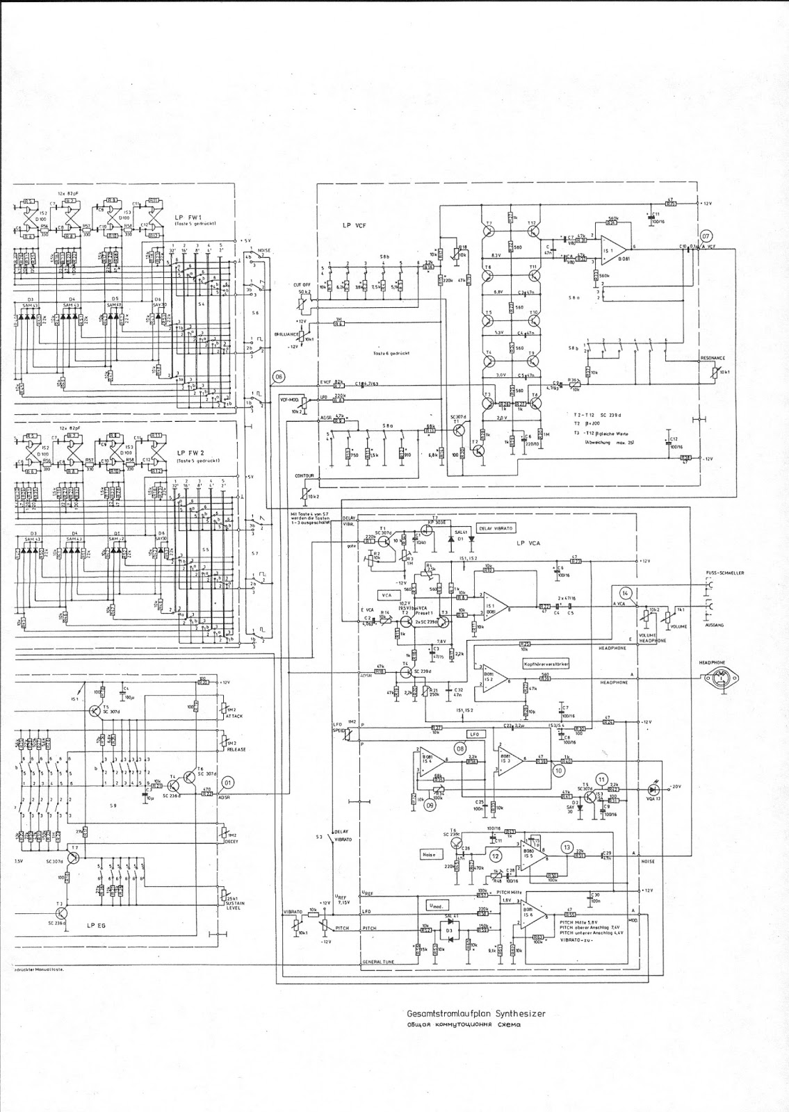
Всем здравствовать! Дорогие друзья, прошу консультации вот по какому вопросу: я тут собрал VCO экспоненциальный вот по этой схеме и сэтого сайта (см. в прикреплении). Спаялось все удачно, генератор заработал сразу, почти все настройки, указанные на сайте, получились. Сначала испытывал генератор, подавая сигнал на KEY сигнал от 0 до 5в через переменник, и все работало красиво. Потом я на макетке собрал из 1% резисторов клавиатуру, пользуясь вашими консультациями по этому вопросу, с которыми обращался ранее. Клава работает то же на ура, строй ровный, точный. В общем - то, что надо. Но тут обнаружился один неприятный факт, который не был заметен, при использовании вместо клавы потенциометра: когда на KEY сигнал не идет, т. е. - клавиша не нажата, генератор шумит, фонит и рычит просто невероятно. На меандре - еще куда ни шло, а на пиле - просто пипец! Смотрел осциллографом, показывает синусоиду, но с безобразными искажениями. Частота прыгала где-то в пределах 40-80Гц, напряжение - до 250 мВольт. А клавишу нажмешь - чистый нормальный звук, без всяких примесей. Чего я только не делал, ничего не получается. Генератор-то хороший, если бы не этот косяк, я эту схему и выбрал, что там вопрос термостабильности решен, и вольт/октава. Жалко будет забрасывать его из-за этого. Подскажите, пожалуйста, что тут можно сделать. Я англоязычный сайт переводил, и форум по нему - ничего по этому вопросу не нашел. Может на вход, помимо от клавиатуры, LFO, и прочего, нужно подавать какой-то сигнал, что бы убирать эти шумы?
 

Вложения

а почему должен замолкать этот VCO? судя по схеме он генерит что-то всегда. какой-то даташит на схему этого VCO есть?
возможно так и задумано, ведь после VCO всегда должен идти VCF и VCA.
 
Но вообще скорость сборки синтезатора хорошая. Всего 3 года прошло и уже есть прототип клавиатуры и работающий VCO :Dle8:
 
Да, я замыкал 6 вывод микросхемы на GND, вообще никакой реакции. С осциллографом не смотрел, но на слух разницы не ощутил. На оригинальном сайте, где описан этот генератор, есть видео, где его автор демонстрирует его работу, но он подает сигнал, опять же, через переменник, и еще подает управление, судя по эффектам, с LFO, так что там творится в режиме "клавиша не нажата" - не разберешь. И еще один странный факт: если обратите внимание на макет собраной платы со стороны элементов, то видно, что на ней присутствуют элементы в соответствии с принципиальной схеме. Там из конденсаторов всего два электролита, и оба в преобразователе питания - 100 и 10 мкф. А на той плате, что демонстрировали на видео, электролитов, как собак не резаных! Штук шесть! Похоже, автор тоже столкнулся с этой проблемой, и электролитами ее как- то пытался решить. А может и решил, только не показал как. Я тоже насовал в схему электролитов, и в схему питания, и, даже, на выходе. Но без результатно. Шумит, фонит, гудит...
Кстати, а про какие три года идет речь, уважаемый dugdum. Всего несколько месяцев, как я заморочился этой темой, постигаю все это, учусь, изучаю. Строить синтезатор еще опыта мало. Не, WP-20, и еще пару подобных, собрал, успешно. Но это не то. Хочу собрать, пусть и одноголосный, но клавишный. Решил, что этот именно генератор и будет основой, а тут такая засада.
dugdum, даташит и описание генератора, с переведенного на русский сайта, я выкладывал в предыдущем сообщении.
 
-- VLADIMIR KUCHUK, в вашем генераторе нет термостабилизации.
А дифпара чаще всего используется из микросхемы CA3046
на ней же и печка делается.
 
  • Like
Реакции: коб
Даааа , всё грустно . Не смотря на некоторое продвижение вперёд , очевидно что концепции построения инструмента у вас нет .
С чего надо начать , так это , научится задавать себе правильные вопросы ....
Ну возьмем для примера хотя-бы ваш случай , с VCO .
Первое , с чего-бы я начал , это определение тех параметры , которым должен соответствовать необходимый мне VCO .
Как не странно , я начну с конца . А именно : Базовая волновая форма . Это та базовая форма , которая мне позволит без особых проблем , построить остальные волновые формы .
В аналоговых синтезаторах -----это пила . В построенном вами VCO ---- пилы нет .
Этого уже достаточно , чтобы не строить этот генератор . Второе , стабильность строя . Понятно , что самая термонестабильная часть это экспоненциальный преобразователь . Вы написали , что проблема решена , но в схеме решения я не увидел . Это должно было выглядеть как подогрев кристаллов транзисторов преобразователя + термодатчик , чего нет , или на худой конец использованием терморезистора .

Это в кратце , те причины по которым мне не нравится ваша схема .....

Ну а что касательно:
" Почему она шумит ", то для неё не предусмотрена работа с нулевым напряжением на входе .......
 
Последнее редактирование:
P.S. Пардон, не заметил про траблы с молчанием генератора.
Так вот, как оно описано у вас - они будут всегда, это неизбежно.
Потому, что после отпускания клавиши на входе VCO будет х.з. что.
В синтах после клавиатуры стоит S&H, который запоминает последнее напряжение.
Таким образом, генератор будет звучать на последней ноте "до бесконечности". (Ну, почти... )
Управление громкостью звучания ноты осуществяется ПОСЛЕ генератора, посредством VCA.

А вообще - может, вам не мучаться с самодельными схемами VCO и прочего, а взять готовые?
Их делают даже в Риге, это клоны Куртиса (CEM) :
 
  • Like
Реакции: коб
Кстати, а про какие три года идет речь, уважаемый dugdum. Всего несколько месяцев, как я заморочился этой темой, постигаю все это, учусь, изучаю.
Да, сорри, перепутал вас с топикстартером )

Хочу собрать, пусть и одноголосный, но клавишный. Решил, что этот именно генератор и будет основой, а тут такая засада.

Лучше взять уже кем-то собранную, проверенную конструкцию и не изобретать велосипед. Это если прямо очень хочется попаять. Потому что музыкального смысла в этом нет. Я помню, сам потратил на сборку одноголосого аналогового синта и упаковку его в корпус 3 месяца жизни. Это ещё хорошо отделался. В целом, синт этот - не пригодился )
 
Последнее редактирование:
Да, сорри, перепутал вас с топикстартером )



Лучше взять уже кем-то собранную, проверенную конструкцию и не изобретать велосипед. Это если прямо очень хочется попаять. Потому что музыкального смысла в этом нет. Я помню, сам потратил на сборку одноголосого аналогового синта и упаковку его в корпус 3 месяца жизни. Это ещё хорошо отделался. В целом, синт этот - не пригодился )

Иногда процесс и является целью ......
 
  • Like
Реакции: belovw
Хочу собрать, пусть и одноголосный, но клавишный. Решил, что этот именно генератор и будет основой, а тут такая засада.

А чем вам не понравилось то что я предлагал , С тем блоком клавиатуры что я опубликовал , хорошо работает простой линейный генератор . Никакой экспоненциальный преобразователь там не нужен , потому , что клавиатура сама по себе уже экспоненциальная . Схема простая , стабильность шикарная , VCO , у меня для неё на одной ne5532 . К тому-же она может работать с нулевым напряжением на входе И плюс ко всему , пила на выходе ......
Если хотите схему скину .....
 
Да, да, уважаемый коб, скиньте схемку, буду Вам очень благодарен. И для предложенной Вами клавиатуры у меня все есть. Ту клаву собирал просто на макетке, что бы генератор проверить. Спасибо всем за пояснения, все таки форум - хорошая вещь. На счет термостабилизации понял, и про сам генератор понял. Не могу сказать, что время зря потерял - столько нового, мытарясь с ним, узнал. На счет не собирать, а купить - да у меня их два, и Ямаха, и Кассио, но это не то. Да, для музыцирования они годятся, но поэкспериментировать со звуком... Вопрос, а почему генератор с меандром и триугольником, как у этого, не строят синтезаторы? Ведь в том же WP-20, та же форма сигналов, и работает и с LFO, и с ADSR, и с фильтром, и VCA там есть, правда куцый какой-то, урезанный?
 
Вопрос, а почему генератор с меандром и триугольником, как у этого, не строят синтезаторы?

Тут как-раз всё просто. Все перечисленные вами волновые формы , легко получить из пилы , а вот пилу из них получить , весьма проблематично . А ведь пила является самой желанной из волновых форм в виду наибольшей пригодности для обработки фильтрами . Она богата гармониками и они равномерно распределены по спектру .....

пс. Схему завтра скину . На сегодня всё .
Всех благ........
 
На счет не собирать, а купить - да у меня их два, и Ямаха, и Кассио

-- Вообще-то я предлагал вам купить звуковые микросхемы для постройки синтезатора,
а не готовые инструменты.
На микросхемах от Куртиса (CEMxxxx) сделано огромное количество аналоговых синтезаторов.
Были ещё SSMxxxx от фирмы SSM, потом PMI, потом AD - но их давно уже нет.
А CEM-ы возрождены в полном объёме.
 
>От каждого делителя напряжения через контакт клавиши управляющее напряжение подаётся на...

-- Не обязательно. Зависит от конструкции самой клавиатуры.
 

Сейчас просматривают