Mercuriall Euphoria (1 онлайн

  • Автор темы Автор темы DGray
  • Дата начала Дата начала
да уж, неужели насколько наплевать на свою репутацию?
 
Naebachtung !))
:Dle25:

Вангую ответ , "наш плаг настолько точный, что вычитается в ноль с реальным ампом " )
 
Последнее редактирование:
  • Like
Реакции: zybex00
и правильно делают те же Neural DSP, они аккуратно уходят от ответственности и не пишут что эмулируют точную схему, а говорят мол "по-мотивам". Мне кажется так и надо делать всем разработчикам – привносить своё, а на стараться сделать 1 в 1. Вот тот же BST-100 пусть это и не точная копия (лоб в лоб не сравнивал), но я научился выжимать из него очень достойный звук и в целом он похож на прототип, т.е. как минимум "по-мотивам" ))
 
  • Like
Реакции: Oliver_Cray и PVDHP
Вот тот же BST-100 пусть это и не точная копия (лоб в лоб не сравнивал), но я научился выжимать из него очень достойный звук и в целом он похож на прототип, т.е. как минимум "по-мотивам" ))
Не вводите людей в заблуждение, там вообще ничего общего с солданой. Нембрини худший производитель плагинов в абсолютной категории (т.е включая бесплатные) на мой взгляд. Например у меркуриал как минимум скример реально хорош, маршал 800-й, это из того, до чего у меня руки дошли. У нембрини плохо всё, что я слышал, включая то, что он для хваленого uad выпускал под маркой брэйнворкс.
 
  • Like
Реакции: PVDHP
@DGray, так в пресс-релизе у меркуриалл и написано based on, и, помню, смотрел сравнение фортина с плагом, так там сразу было миллион оговорок, и усилок не тот самый, и крутить в ноль нет времени)
У нембрини плохо всё
Lo-Fi прикольный, если очень аккуратно его накручивать)
 
А может действительно лампы «протухли» и так сэмулировали? Но зачем тогда эти интриги и скандалы с тестами?
 
А может действительно лампы «протухли» и так сэмулировали? Но зачем тогда эти интриги и скандалы с тестами?
По словам @marth, лампы свежие были у референсного ампа.
Ну вот второй вопрос меня тоже угнетает. Я б понял если б производитель был вообще не в состоянии ничего стоящего сделать, тогда терять бы было нечего. А так непонятно. Тем более даже я не исключаю такую вероятность, что тот амп, с которым имел дело я мог быть с каким нибудь модом, о котором я представления не имел, поди разберись сейчас.
В общем интересно было бы найти человека со стороны, который мог бы реампы сделать с оригинального ампа, с конкретными настройками, и сравнить именно на этих настройках. Особенно хотелось бы с высоким уровнем перегруза потестить, там, по моим подозрениям, что то не так у плага. И так думать меня заставляет не только моя память и профайлы, но и примеры с того же, горячо нами всеми любимого ютьюба.
 
Да и потом, математические модели ламп то по идее давно у ребят уже есть, не считали же они специально севшие в этот раз
 
К сожалению должен признать, что в один файл вкралась досадная ошибка. В этом файле test_xtc_eu_preamp_ab.wav реально звучит один усилитель. Фаза перевернута, не чтобы ввести в заблуждения, у меня карта записывает с переворотом фазы, поэтому для корректного сравнения пришлось перевернуть, но при копировании попал не тот файл. Но ни в коем случае никого не хотел ввести в заблуждение. Подтверждение тому, что другой файл корректный, там сигнал с реального XTC и программы, с настройками как на скрине. В тесте, как и говорил каждый играет одинаковое число раз, но в разной последовательности (AABBABAB). Т.к. последовательность уже вычислили по форму волны, прикрепляю оригинальный скриншот. Файл test_xtc_eu_full_ab.wav удалю, чтобы он никого не смущал.
В остальном не понимаю, что вы хотите доказать. Программа звучит идентично оригинальному усилителю, в тесте с преампом это слышно. В усилителе лампы свежие, он 100% оригинальный.
@Aleksandr Oleynik, при всем уважении, я буду доверять все же звуку реального усилителя, своим ушам и приборам для контроля.
В ангажированную дискуссию, я вступать не буду, за результат своей работы мы отвечаем, если ошибаемся, то признаем то.
 

Вложения

  • 2020-03-21_17-50-19.png
    2020-03-21_17-50-19.png
    41,3 KB · Просмотры: 297
Последнее редактирование:
Кем ангажированную дискуссию )?) из всех участников продаете плагины только вы )))
 
Программа звучит идентично оригинальному усилителю
Тут постили видео реальных Богнеров с ютюба - на тех же настройках плагин абсолютно по-другому звучит. Вопрос, что же за усилитель у вас такой, если он идентичен плагину.
 
В ангажированную дискуссию, я вступать не буду, за результат своей работы мы отвечаем, если ошибаемся, то признаем то.

Ну какая-же ангажированность... тут в общем-то собрались потенциальные пользователи (и ваши покупатели!), и это совершенно в общих интересах выяснить что так, а что не так, и достичь результата - вам в продажах, юзерам - в использовании в своих миксах.

А вы, увы, немного странно реагируете на вполне допустимую, в принципе, критику. Ну крайне редко же бывает так, что одни хвалебные слова в ответ, и иногда пара капель дёгтя много полезнее цистерны мёда.
 
Программа звучит идентично оригинальному усилителю
Может быть усилитель, который вы используете был модифицирован? Вы проверяли его оригинальность? Может быть он просто неисправен?
 
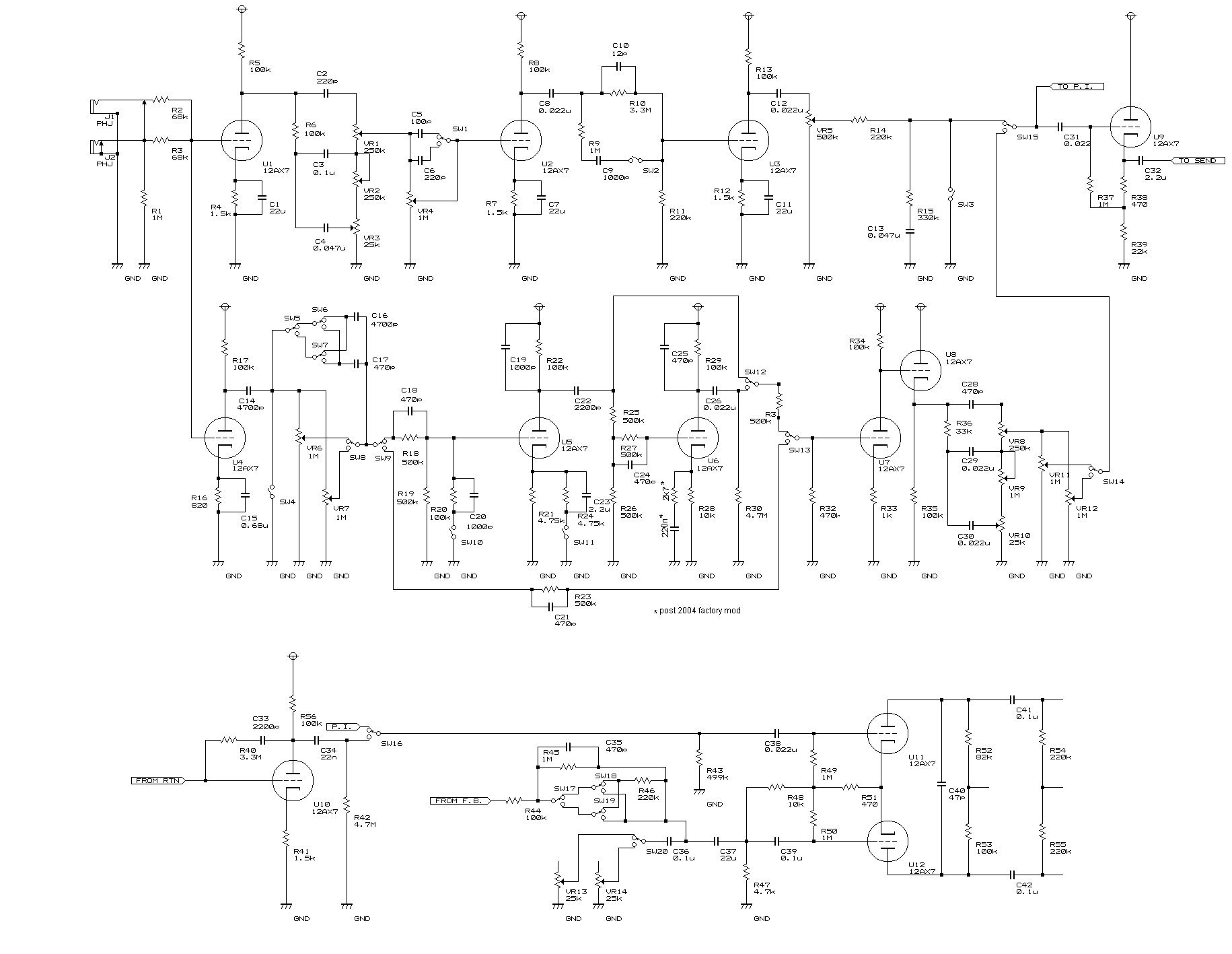
Оффтоплю дико. Году так в 15-ом когда я еще реампил через симулятор схем богнера xtc в vst, нашел одну схемку и в интернете и собрал ее в симуляторе схем для прогона, найти бы сейчас ее изначальную версию! Проект я тогда забросил почему-то, ну в общем есть виэстишка.

Похоже это та схемка

Upd: вспомнил, что там - синий канал, structure - включен.
 

Вложения

Последнее редактирование:
  • Like
Реакции: Lex248 и fewa-w
еще две схемы, было бы здорово увидеть этот плагин в 64
 

Вложения

  • XTC 101B - Preamp (pre-2004).jpg
    XTC 101B - Preamp (pre-2004).jpg
    230,3 KB · Просмотры: 266
  • XTC 101B - Preamp.pdf
    XTC 101B - Preamp.pdf
    38,1 KB · Просмотры: 177
  • Love
  • Like
Реакции: Lex248 и PVDHP
Ну какая-же ангажированность... тут в общем-то собрались потенциальные пользователи (и ваши покупатели!), и это совершенно в общих интересах выяснить что так, а что не так, и достичь результата - вам в продажах, юзерам - в использовании в своих миксах.

А вы, увы, немного странно реагируете на вполне допустимую, в принципе, критику. Ну крайне редко же бывает так, что одни хвалебные слова в ответ, и иногда пара капель дёгтя много полезнее цистерны мёда.
Под каждым словом подписываюсь. Именно тот факт, что аппарат для меня реально интересен и заставило установить и отслушать демку.
И да, я допускаю, что тот аппарат, который в 17-м году крутил и профилировал я мог быть с модом, к сожалению я тогда не проявил любопытства этим поинтересоваться у его хозяев. То есть я признаю, что теоретически мог ввести в заблуждение окружающих относительно качества симуляции. Именно по этому есть большое желание всётаки докопаться до истины.
Ок , мне запишут богнер настоящий ....через мои директы , в плекси мод )
и сравним :)
Артём, ну раз есть такая возможность, так может не только в плекси. Очень хочется проверить поведение красного канала на высоком гейне с низкими строями, что называется, из "независимого источника". Так, по ощущениям, по мере приближения гитарного строя к стандартному жизнь вроде налаживается, особенно без экстремальных уровней гейна, хотя всё равно не те ощущения.
Вот еще кстати интересное коротенькое сравнение красных каналов богнера и мини EVH 5153. Кто в теме, тот знает, на сколько "сфокусирован" звук на красном канале EVH, там впечатление присутствует, что скример уже "вшитый" стоит. В тесте при этом богнер не выглядит совершенно "рыхлым", да, не такой "четкий" как EVH, но не рыхлее пивика 5150, ну или по крайней мере сопоставим в этом плане. К сожалению строй не низкий, и палм мьюты только в самом начале, но всё равно слышно ж. К тому же видно, что у богнера "pre EQ" в нейтральном положении, то есть есть потенциал еще более сфокусированного звука добиться...
 
  • Like
Реакции: PVDHP
Под каждым словом подписываюсь. Именно тот факт, что аппарат для меня реально интересен и заставило установить и отслушать демку.
И да, я допускаю, что тот аппарат, который в 17-м году крутил и профилировал я мог быть с модом, к сожалению я тогда не проявил любопытства этим поинтересоваться у его хозяев. То есть я признаю, что теоретически мог ввести в заблуждение окружающих относительно качества симуляции. Именно по этому есть большое желание всётаки докопаться до истины.

Артём, ну раз есть такая возможность, так может не только в плекси. Очень хочется проверить поведение красного канала на высоком гейне с низкими строями, что называется, из "независимого источника". Так, по ощущениям, по мере приближения гитарного строя к стандартному жизнь вроде налаживается, особенно без экстремальных уровней гейна, хотя всё равно не те ощущения.
Вот еще кстати интересное коротенькое сравнение красных каналов богнера и мини EVH 5153. Кто в теме, тот знает, на сколько "сфокусирован" звук на красном канале EVH, там впечатление присутствует, что скример уже "вшитый" стоит. В тесте при этом богнер не выглядит совершенно "рыхлым", да, не такой "четкий" как EVH, но не рыхлее пивика 5150, ну или по крайней мере сопоставим в этом плане. К сожалению строй не низкий, и палм мьюты только в самом начале, но всё равно слышно ж. К тому же видно, что у богнера "pre EQ" в нейтральном положении, то есть есть потенциал еще более сфокусированного звука добиться...


Блин вот вы серьезно оперяетесь на память из 2017 года?)) Я звук пивика или солдано не помню уже через неделю после какого нибудь реампинга... И то, от расположения миков и их количества зависит чуть ли половина звука) и при том вы сравниваете плаг с видосами из ютуба, что как бэ вообще лол:D Если на то пошло, то надо сравнивать хотяб с одним и тем же импульсом на одном и том же ДИ-айнике
Мне к примеру плаг тоже не особо зашел с начала (митол нормальный не нарулишь). но как только я всунул свои импульсы, плагин зазвучал как надо, как минимум не хуже, а то и лучше неуралов каких нить. Так что мой совет, прежде чем писать гневный отзыв лучше сначала изучите плагин досконально, он не настолько прост в настройке как кажется, но результат в итоге того стоит.
Вот мой пример звука на Euphoria
 
Fireal
С чего вы взяли что у всех такие проблемы со слуховой памятью как у вас ?)
Для звукорежиссера это один из ключевых скиллов...

Причем тут мики и каибнеты , если речь вообще не о том , ..о характере перегруза )
 
  • Like
Реакции: PVDHP
точно не хуже Neural DSP (а может и лучше)
Для моих целей не особо вкатил этот плаг.
За последние пару лет, Plini единственный плаг, который захотелось купить, несмотря на наличие железного преампа, которым постоянно пользуюсь. Что-то они (Neural) нарыли интересное в плане зависимостей уровня подаваемого сигнала и поведения перегруза.
 
@Zerocool, Да но запомнить что было 2 года назад это нужно быть вундеркиндом звуковым)) а тем более запомнить звук того самого усилителя это еще надо постараться)
Ну да действительно причем тут кабы... Разные формы, динамики, колличество этих динамиков и тд. Про мики это вообще атас, во первых их очень много, во вторых звук зависит от определенного положения мика к кабинету ну и в третьих их количество. Я как то раз снимал звук 3мя миками ради интереса и мой пивик 6505+ в итоговом миксе звучал, ну вообще никак не пивик))
Я вот к чему клоню, каждый элемент привносит в звук что-то свои и иногда можно так наворотить и настроить что оранж какой нить будет звучать как маршалл и наоборот (я сильно утрировал, но думаю смысл понятен).
 
Fireal

Я вам еще раз повторю , условно говоря на зерно преампа и поведение на больших уровнях гейна( о чем идет речь ) - мики не влияют от слова совсем ) ...
Ваш пример это наглядно подтверждает - , рыхлое нечитаемое нечто )
 

Сейчас просматривают