Мелкие вопросы по ремонту, поиску схем и т.п. (3 онлайн)

  • Автор темы Автор темы Tuvalu
  • Дата начала Дата начала
@Long, там вроде сразу над юсб гнездом стояло что-то (пара конденсаторов, судя по маркировке на плате),
такое впечатление, что их разорвало и они куда-то улетучились))) там ещё на их месте потемнение , напоминающее дугу или нагар…
 
  • Like
Реакции: Eq Tunkul
если вы имеете ввиду f24 f11 f10 то это проходные конденсаторы фирмы мюрата , номинал без выпайки установить невозможно
при выпайке обычным паяльником они как правило ломаются, еще видны сгоревшие дорожки на плате и явно пргоревшие конденсаторы
один судя по всему вообще испарился либо отвалился
собственно с прогоревших конденсаторов и дорожек и хотелось начать ...

как видно два кондера испарилось ... третий явно в удручающем состоянии то есть под замену ... надеюсь юсб контроллер жив...
 
@Long, там вроде сразу над юсб гнездом стояло что-то (пара конденсаторов, судя по маркировке на плате),
такое впечатление, что их разорвало и они куда-то улетучились))) там ещё на их месте потемнение , напоминающее дугу или нагар…
все верно ...был пробой на корпус... фото собственно уже после зачистки .... написал в клавию насчет сервис мануала ... но надежды мало ... решил фото рабочего агрегата поспрашать
 
собственно интересуют вот эти три элемента...
один больной, другие два улетели на радугу
202800
 
@Eq Tunkul, если написали в клавию надо было конкретно спросить номиналы кондеров С110, С111, С112. Хотя вряд ли что ответят.
Дорожки видно что и откуда.
 
  • Like
Реакции: Eq Tunkul
мысль хороша ... попробую в догонку отправить вопрос

они реально долго отвечают. Когда я от них получил ответ, я уже сам забыл о чём спрашивал. Наберитесь терпения дожидаясь от Клавии ответа. :)
 
  • Like
Реакции: кактус и Eq Tunkul
Замнеть элементы не проблема, а вот то что заработает ЮСБ маловероятно после такого "удара".
 
-да в общем можно посмотреть схему любого контроллера usb там входные цепи одинаковы примерно
я бы проверил еще диоды d7 d8 ( tvs должны быть) если целы то может сам контроллер жив
 
  • Like
Реакции: кактус и Eq Tunkul
-да в общем можно посмотреть схему любого контроллера usb там входные цепи одинаковы примерно
я бы проверил еще диоды d7 d8 ( tvs должны быть) если целы то может сам контроллер жив
спасибо ...проверю

жду ответа от клавии ... и фото от знакомого у которого сей агрегат вроде как тоже должен быть
 
Контроллер с вероятностью 99% погиб. Но хоронить аппарат рано, глянул, она даже на алиэкспрессе есть. Купить, да феном перепаять.
 
-- На самом деле - если снимите все дохлые детали и восстановите дорожки,
то при исправном контроллере всё должно будет заработать.
 
На Клавию к сожалению в сети вообще мало схем, но я предполагаю, что они велосипед не изобретают каждый раз, например БП сходится и в NL3 и Nord Electro и так далее, может и этот USB порт у всех Клавий у которых он есть по одной общей схеме сделан. В таком случае можно если есть возможность разобрать другую Клавию с USB и глянуть чем обвешан порт, можно измерить конденсаторы и впаять такие же.
 
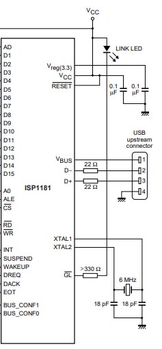
мне кажется достаточно взглянуть на даташит на этот контроллер и там скорее всего будет стандартная схема включения с обвязкой USB порта. 1811.jpg

немало уже этих контроллеров на G2 у народа сгорело. может и не стоит повторять схему, которую намудрили с подключением usb инженегры клавии, а переделать, чтобы как из даташита на контроллер? :rolleyes:
 
Последнее редактирование:
  • Like
Реакции: кактус
ISP1181 контроллер, в типовой схеме стоят кондеры 0,1uF и в сигнальной цепи два резистора по 22 ома и все. Если конденсаторы сумели испариться, скорее контроллеру конец. Диоды д7,д8 шотки скорее целы. с112 тоже уже полуиспарился не оставлять, его там нет.))) Площадки для них тоже сгорели. Ставьте кондеры все 3 на 0,1uF проверяйте , если контроллер вдруг целый, вам повезло. А так и его менять.
Уже кто то колхозил в вашей клавии, выше по фото где 4 диода и зеленый электролитический конденсатор, не очень красиво и хорошо.
 
Последнее редактирование:
  • Like
Реакции: dugdum® и Long
Focusrite VoiceMaster Pro - ищу схему, сил нет. Писал в support, но молчат. Буду премного благодарен.
 
-- У меня много лет валялось это барахло, оставленное кем-то на ремонт.
За много лет поисков найти схему не удалось.
Таким его и забрали в конце концов....
 
  • Like
Реакции: mxc
-- У меня много лет валялось это барахло, оставленное кем-то на ремонт.
За много лет поисков найти схему не удалось.
Таким его и забрали в конце концов....
Да, помню, вы про всю эту серию Platinum говорили. Что VoiceMaster, что Twintrak - сделаны так, что проще повеситься, чем отремонтировать. Двухсторонний монтаж на smd, 4-слойные платы, их идиотское крепление к корпусу, куча шлейфов, коммутация сигнала на кнопках сомнительного качества, горы электролитов... Но отдал их мне на ремонт друг, надо помочь...
 
-- Если не путаю с другими аппаратами, то внутри сама коммутация сигналов была вообще на оптронах
(чёрненькие, с 4 выводами.)
Может, и без схемы справимся сообща. На что именно аппарат жалуется (ну, кроме сгнившего пластика
на неработающих поэтому кнопках)?
 
-- Если не путаю с другими аппаратами, то внутри сама коммутация сигналов была вообще на оптронах
(чёрненькие, с 4 выводами.)
Может, и без схемы справимся сообща. На что именно аппарат жалуется (ну, кроме сгнившего пластика
на неработающих поэтому кнопках)?
спасибо за помощь.
не, на оптронах там динамическая обработка. сигнал коммутируется через 12-ногие кнопки типа PBS-851-12, которые я в продаже не нашёл, да и выпаивать их смерти подобно из такой платы. приходится разбирать кнопки на плате и чистить - в них тупо зелено от оксидов.
хотел поменять разделительные ёмкости, поэтому нужна схема - менять всё подряд я застрелюсь.
пластик и всё остальное выглядит норм. проблема ещё в том, что в обоих аппаратах кто-то грубо рылся до меня.
 
-- Контакт-60 и спирт не помогают?
заливал спиртом из шприца под напором, всё равно пришлось разбирать. на расчёске контактов внутри - толстый слой творога из окислов.

ага. нашёл такие 6-ногие, они хуже тех, что стоят в приборах - вместо латуни в новоделе что-то серебристое магнитящееся.
 
-- Вот оно - следствие идиотизма разработчиков и крохоборства манагеров.
В нормальных аппаратах используется командная кнопка, с одним контактом.
Всё остальное управляется электронно.
 
  • Like
Реакции: Anthony Scott и mxc
-такие кнопки где-то видел в продаже если вспомню отпишу, контактная система там говно мы в мониторки такие шестиконтактные ставили
на управление релюшками ломались достаточно часто
 
  • Like
Реакции: Anthony Scott и mxc
всем привет! реально ли найти фейдера на старикана Mackie 24/8?
 

Сейчас просматривают