-4580 тоже не лучший в мире оу , только что не открываешь там только они и присутствуют , зто значит что мы что-то-- Они, конечно, не самые лучшие в мире
не понимаем либо нам подсовывают изначально туфту -одно из двух
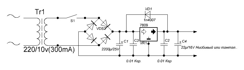
-ну из дешевых лучше только 317 , 337 остальное по цене просто сильно выше, по параметрам разница незначительна
я уже отписывал что очень неплоха новая серия ti ldo tps7axxx но цена зашкаливает , с моей точки зрения
дешевле джанга собрать на ne5534 или opa209 в виде модуля - точно будет лучше , а дешевле несомненно
опять же фишка в том что от стабилизаторов запитывается , например цифру типа цап лучше от них не питать непосредственно ( плохая реакция на импульсную нагрузку)
входные каскады преапмов тоже предпочтительней 317,337 (шум меньше) , аппараты типа беринжер, маки и т.д и т.п да согласен
вполне себе сойдут и 78,79
Последнее редактирование:

