да что там говорить. бегло погуглил и убедился что он там есть, даже название микросхемки имеется - LT3949наличия DC-DC преобразователя внутри.
так что там явно не 5В питание.
да что там говорить. бегло погуглил и убедился что он там есть, даже название микросхемки имеется - LT3949наличия DC-DC преобразователя внутри.
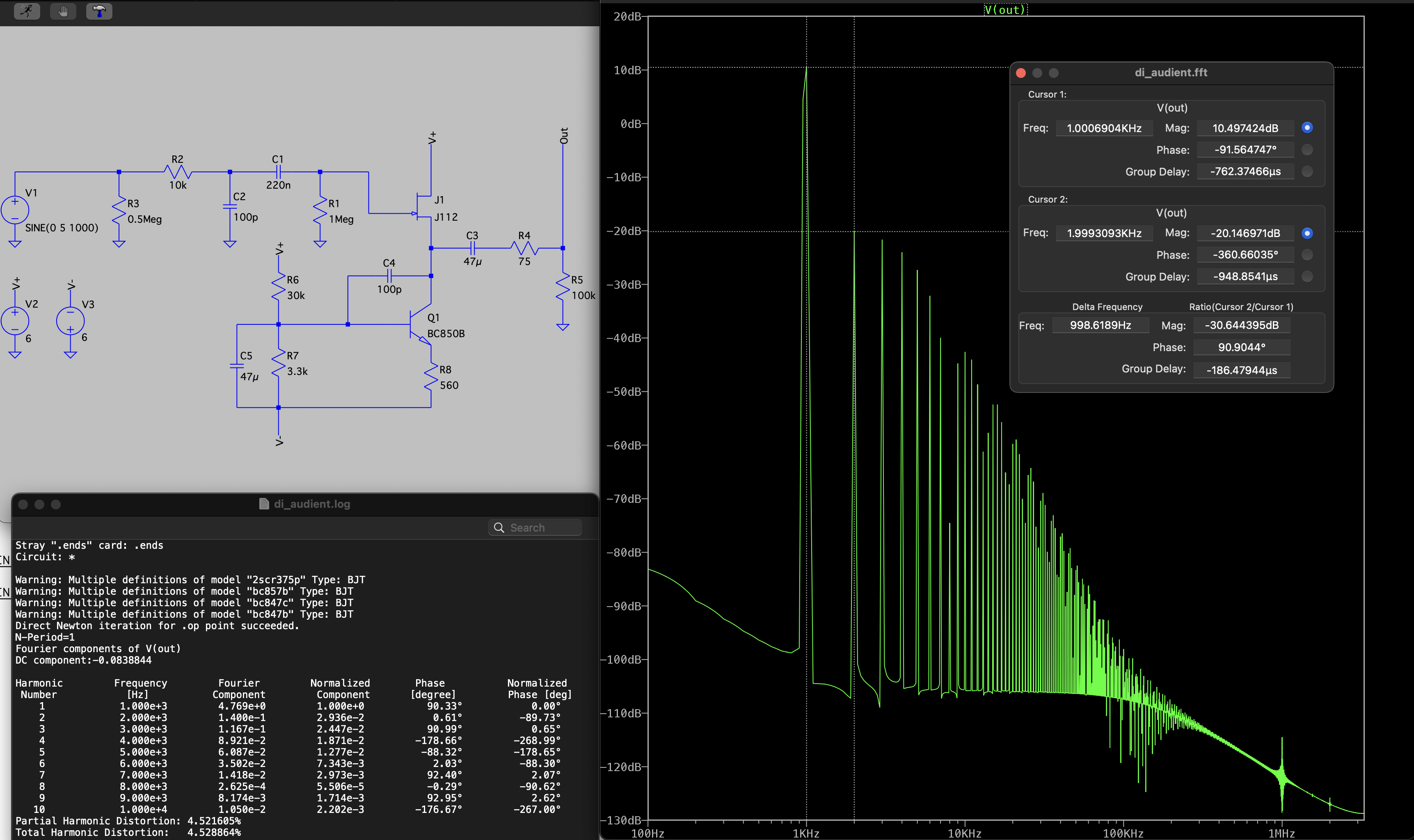
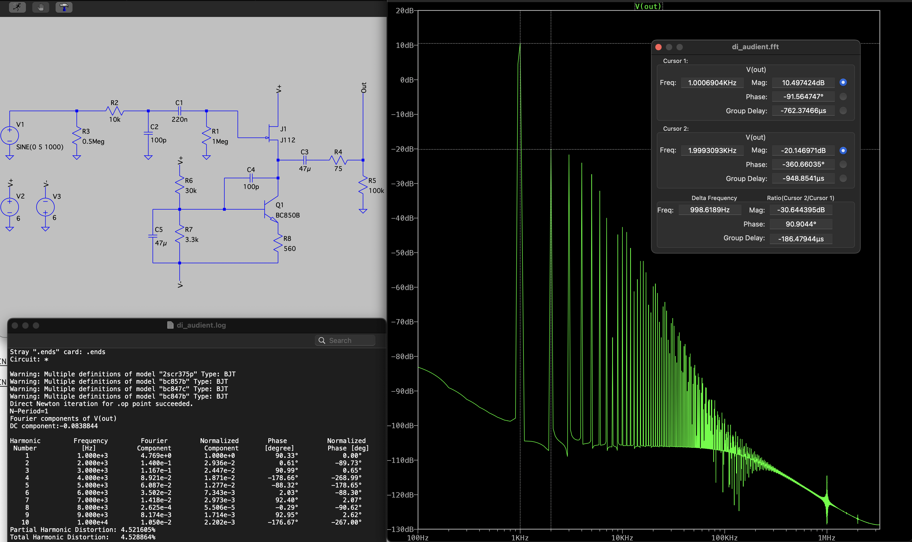
@dugdum® питание от USB, вот и определили. фиг знает как этот преобразователь там работает, но при размахе амплитуды в 5В, полуволна 2.5В легко перегружается и слабыми датчиками. когда у меня была гитара с sh-4, амплитуда в пике достигала 6В (тут даже и 9В питание не спасёт), так что внешний буфер и на 18В.
у аудиента видимо контроля качества вообще нет. поспрошал у знакомых перегруза нет и на более выхлопных датчиках с аудиентами.
у меня вход перегружается с датчиком 8к. ок, на днях достану из чулана осциллограф, посмотрю амплитуду. но там 6В и в жизни не будет. если бы было питание 12В то карта бы не обсиралась
p.s. а карту вскрывать не охота, там пломба и она на гарантии ещё полгода
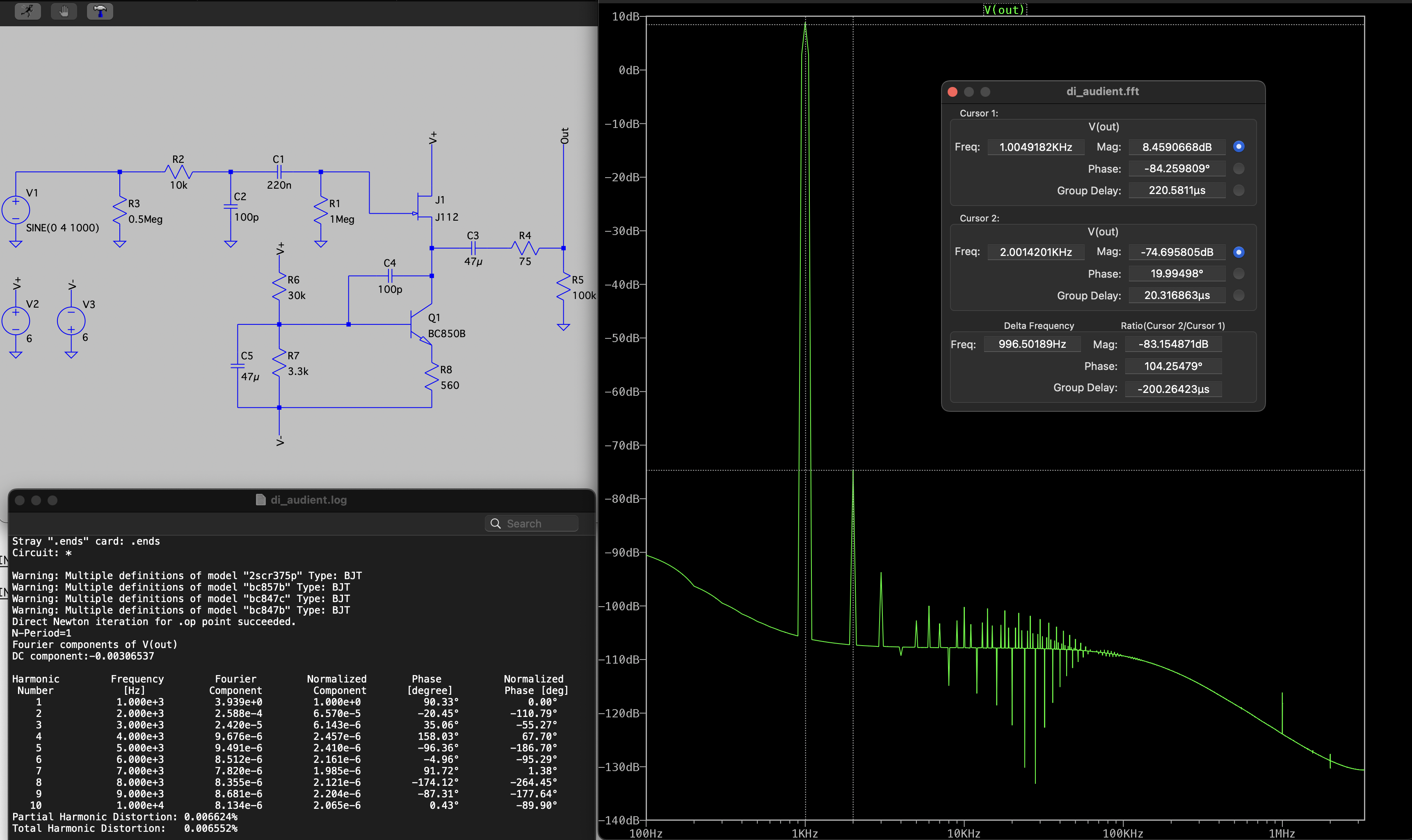
не совсем так. 12dBu это 8.72В размах амплитуды.12dBu = 3V
не должно быть большой разницы, RME тоже 500 кОм делает. Но если тесты сравнительные сделать с пассивным датчиком и хорошим кабелем, то 500 кОм будет глуше и это будет слышно.Т.е.не могу сказать, что 500ком глухо как-то звучит.
Volt тоже отлично
мы сейчас обсуждаем явный брак в картах аудиент. читайте внимательнееУ меня иногда клипует и volt и motu при сильных акцентах в рифах. Я люблю рифы) 6-я струна утолщённая. Gibson Explorer датчики родные, близко к струнам, чтоб жужало)
Думаю сильно зависит, от того, кто и как играет, если гладить струны ничего клиповать ни на чём не будет.
Я подключал её к usbc, может, если бы к usb3 подключил клипинг бы ушел?
попробуйте просто спалить гитару, эффект может быть непредсказуемым@Sharu ну мне не стыдно об этом признаться, но это ровным счётом не меняет ситуацию. так как я сегодня-завтра ставлю датчик погорячее и есть вероятность, что передозить будет. я по-крайней мере разобрался и да, виноват аудиент, так как вопрос оптимизации схемы в двух деталях – один добавить, другой убрать. вообще странно, что производитель выпускает железки с DI-входом и не тестирует на различных датчиках и гитарах – читай с разной амплитудой

Это потому что краснуха, была бы липа, другое делогитара краснуха с датчиком Suhr Doug Aldrich и расстояние 2мм – не клипует.