В помощь начинающему Микрофоноделкину - поиск своего звука

  • Автор темы Автор темы real64
  • Дата начала Дата начала

real64

Active Member
5 Апр 2012
437
184
43
Вы можете попросить нашего модератора выделить товарищу Старатель место для темы?
Можно и в этот раздел.
Конструкторское бюро - "В помощь начинающему Микрофоноделкину - поиск своего звука".
-----------------
Я ой как поучаствую...
Просмотрел темы раздела. С подобной тематикой были, но там как правило, участники решали (удачно или нет) конкретные вопросы. Если это кому нибудь нужно (интересно) давайте в этой теме обсуждать любые вопросы по схемотехнике, конструированию микрофонов. Мэтры конечно же скажут. что все уже было, обсуждалось, причем неоднократно и на разных площадках. Но давайте не забывать и о новичках, заинтересовавшихся этой тематикой. Попробуем? Получится - хорошо. Не будет интереса - тема сама собой отомрет.
 
  • Like
Реакции: garri и Павлунчик
Начнём с истории ...
Первый в мире микрофон (и телефон) изобрёл замечательный итальянец Антонио Меуччи в далёком 1859 году. В 1860 году опубликовал статью в итальянской газете Нью-Йорка, в которой рассказал о своем изобретении, способном передавать звуки по электрическим проводам. Свой аппарат Меуччи назвал Teletrofono.
Долгое время, прохвост и шарлатан - Шурик Белл считался официальным изобретателем телефона и только 11 июня 2002 года Конгресс США в резолюции № 269 признал право изобретения телефона за Антонио Меуччи.
И пошло-поехало, так сказать...
---------------------------------------
Первый в мире конденсаторный микрофон (по общепринятой версии) был разработан Edward Christopher Wente почти 105 лет назад.
Фото не нашёл.
---------------------------------------
Georg Neumann and Co. была основана в Германии в 1928 году и стала всемирно известной благодаря своим микрофонам. Он разработал и выпустил первый коммерческий конденсаторный микрофон, CMV3, который из-за своей формы получил прозвище «бутылка». Его капсула, обозначенная как M1, была изготовлена вручную, а передняя мембрана сделана из позолоченного ПВХ. Эти микрофоны имели частотную характеристику от 20 Гц до 20 кГц. В 1932 году Нойман выпустил CMV3A, который предусматривал сменные головки, с новой капсулой, обозначенной M7, с двойной мембранной конструкцией. Подавление звука, достигающего задней части капсулы, привело к появлению кардиоидного рисунка, став первым кардиоидным микрофоном.

км.gif
 
Последнее редактирование:
На просторах интернета можно найти различные схемы. Можно например взять схемы микрофонов и сделать клон, но желание есть подстроить звучание под себя. То есть, если голос не басовый но хочется плотности - добавить, если голос сильно шипящий - забрать, или например насытить сигнал, вмеру. Хочу понять как и где это делать, на основе простых схем. Для мозга трудно прочитать и понять информацию о полевые транзисторы, каскады, автоматические и ручные настройки. Впринципе как не ясно - не лезь, могут сказать специалисты, или найди кого-то и пусть сделает.... но есть интерес, есть желание, есть простые схемы, но принцип не ясен. давайте на основе простых элементов, и различных вариантов их подключения специалисты помогут их понять. На просторах интернета нет информации почему именно это подключение дает такой звук, а подключение такое другой. Там идут басы, там режем верх, а там а там а там.... вот наиболее распространенные схемы
185047
185048
185049
185050

Почему нойман u87, km, и в большинстве конденсаторных микрофонов используют первую схему?
 
вот наиболее распространенные схемы

Не совсем. Последняя схема - разработка группы участников темы (на этом форуме) - :
В помощь Самоделкину. "Нерадивый" конденсаторный микрофон зазвучит лучше!

Альтернативная схема с фантастически точным звучанием. Отличается невозможностью прямого подключения к трансформаторному преду и отсутствием возможности введения в схему "обрезного" фильтра на НЧ.
Ни одной известной фирмой в мире производится не будет ибо нарушает общепринятые стандарты подключения.
Обсуждается в другой теме. Здесь обсуждение этой схемы ("FIN") не разрешаю.
Подпись - :
(Глав. Ред. Схемы "FIN") :)
 
Не совсем. Последняя схема - разработка группы участников темы (на этом форуме) - :
В помощь Самоделкину. "Нерадивый" конденсаторный микрофон зазвучит лучше!

Альтернативная схема с фантастически точным звучанием. Отличается невозможностью прямого подключения к трансформаторному преду и отсутствием возможности введения в схему "обрезного" фильтра на НЧ.
Ни одной известной фирмой в мире производится не будет ибо нарушает общепринятые стандарты подключения.
Обсуждается в другой теме. Здесь обсуждение этой схемы ("FIN") не разрешаю.
Подпись - :
(Глав. Ред. Схемы "FIN") :)
Вот видите и у вас есть какие-то нарушения, как и умене с трансом для достижения результата но не об этом. :)

я имею вопросы по схемам и как они влияют на формирование звука.

Насколько я понял что вторая схема дает полевому транзистору правильную работу и ток? Можно ли его использовать в первой схеме вместо резитора 47ком?
Почему в большинстве схем (первой схемы) используют, вроде как стандарт, 47 ком или 20 при различных полевих но не второй полевой транзистор как стабилизатор? Я так думаю, потому что от резистора 47 ком и резистора в истоке можно регулировать уровень искажений и уровень усиления точнее, или я ошибаюсь?
 
Вот видите и у вас есть какие-то нарушения, как и умене с трансом

Только особо не радуйтесь - "нарушительница" схема "FIN" отлично дружит с самым популярным в мире стандартом подключения студийных микрофонов (48 Вольт фантом на резисторах 2X6.81кОм).
Стандарт IEC 61938 . Прочитайте его.
"FIN" лишь нельзя включать напрямую в трансформаторный фантом. Это и не нужно, прямо скажем - бессмысленно.
Схема "FIN" создана исключительно для достижения рекордно высокоточной передачи звучания конденсаторного капсюля с поляризацией. Звучания, которого невозможно получить с применением трансформатора.
Ещё раз повторю Вам для лучшего запоминания - :
1) ЦЕЛЬ - рекордно высокоточная передача звучания капсюля.
2) Самое НЕПРЕОДОЛИМОЕ препятствие в достижении этой ЦЕЛИ - ТРАНСФОРМАТОР.
Так, что это чисто условное "нарушение".
Но оно не даёт возможности известным фирмам пиратить это схемное решение, что весьма и очень забавляет.
--------------------------
В Вашем же случае применён НЕ микрофонный трансформатор + включенный наоборот, что вызвало сильное рассогласование по сопротивлениям - вот это действительно нарушение режимов работы. А в схеме "FIN" режим работы практически идеальный. Большой сигнал передаётся с "нулевым" КНИ даже через ёмкость 0,1 пФ (эмулятор) - один из редчайших абсолютных рекордов в "микрофоностроении". Приблизиться к нему всегда желает rode, neumann, akg и др. в своих ОООС-ных схемах вынужденных (в ущерб более высокоточной передаче) придерживаться требований универсальности подключения - туда им и дорога :)
---------------------------
Так что совсем "не как у Вас" :)
 
Давайте будем с вами создавать инструкцию для новичков.
Я буду задавать вопросы, будем постепенно разбирать схему и ее свойства на форумирование звука, со временем мы дойдем и до практических нюансов и оценки звучания.
Выше написаны вопросы.
Вы как практик и человек с опытом, как человек что создала идеальную схему с форумчанами можете помочь в создании очень простых соображений формирования звука, который в интернете нет.
 
я имею вопросы по схемам и как они влияют на формирование звука.

Схемы не формируют звук - задача усилителя внутри конденсаторного микрофона - усилить мощность сигнала капсюля.
Усилить мощность! Об изменении формы сигнала посредством усилителя мощности- речи быть не может!
Эти специальные усилители мощности должны обладать очень высоким входным сопротивлением и, как можно более низким выходным сопротивлением.
В рекламе лучших микрофонов всегда можно слышать о высокоточном усилителе внутри, который не привносит в звучание НИЧЕГО. Т.е. - не искажает сигнал идущий с капсюля.
Вот так пишут в рекламе neumann - :
"""...cерия работает с бестрансформаторным выходным каскадом. Это означает: чистый и прямой звук, очень «близкий» к акустическому источнику, и мощная передача низких частот вплоть до самых низких частот. Выходной каскад без трансформатора также делает микрофон устойчивым к электромагнитным полям и минимизирует потери при передаче""".
Т.Е. Реклама почти открытым текстом говорит об ущербности трансформаторного звучания!
Ничего не напоминает? :)
В схеме "FIN" передача НЧ "ещё мощнее" (если говорить словами немецкой рекламы), а ВЧ избавлены от лишнего хлама в виде доп каскадов, диодов, стабилизатора тока, корректирующего конденсатора на переходе транзистора, дросселя и электролита на выходе.
Это надо видеть!
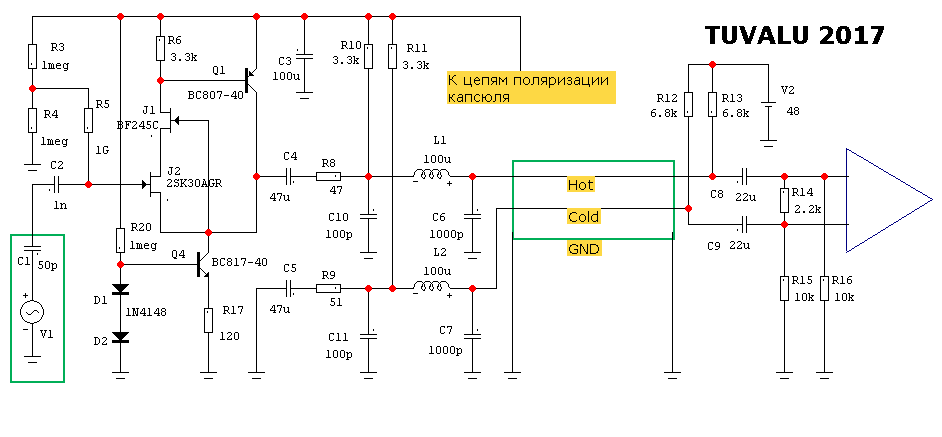
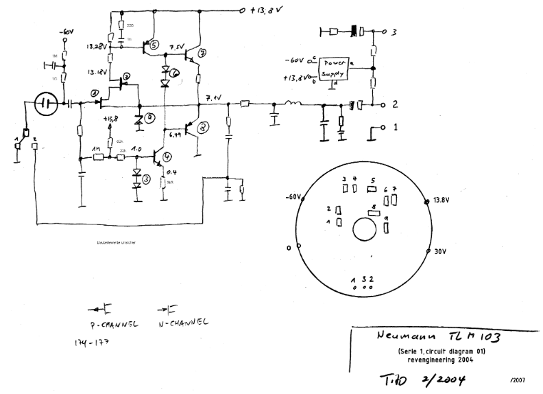
TLM-103...

103.png
 
Схемы не формируют звук - задача усилителя внутри конденсаторного микрофона - усилить мощность сигнала капсюля.
Усилить мощность! Об изменении формы сигнала посредством усилителя мощности- речи быть не может!
Эти специальные усилители мощности должны обладать очень высоким входным сопротивлением и, как можно более низким выходным сопротивлением.
В рекламе лучших микрофонов всегда можно слышать о высокоточном усилителе внутри, который не привносит в звучание НИЧЕГО. Т.е. - не искажает сигнал идущий с капсюля.
Вот так пишут в рекламе neumann - :
"""...cерия работает с бестрансформаторным выходным каскадом. Это означает: чистый и прямой звук, очень «близкий» к акустическому источнику, и мощная передача низких частот вплоть до самых низких частот. Выходной каскад без трансформатора также делает микрофон устойчивым к электромагнитным полям и минимизирует потери при передаче""".
Т.Е. Реклама почти открытым текстом говорит об ущербности трансформаторного звучания!
Ничего не напоминает? :)
В схеме "FIN" передача НЧ "ещё мощнее" (если говорить словами немецкой рекламы), а ВЧ избавлены от лишнего хлама в виде доп каскадов, диодов, стабилизатора тока, корректирующего конденсатора на переходе транзистора, дросселя и электролита на выходе.
Это надо видеть!
TLM-103...

Посмотреть вложение 185070
Но за цену одного 87-го можно купить целых три 103-х. И как-то никто вроде не обменивает 87-е на 103.
 
Но за цену одного 87-го можно купить целых три 103-х. И как-то никто вроде не обменивает 87-е на 103.

87-ой давно уже берёт своим именем, а не возможностями. Выразительная зудилка для хилых некрасочных голосов. А каков у нас основой контингент желающих причаститься?
Вот и считайте...
Заходят новорожденные недопевцы, недодикторы в интернет, смотрят "последние известия", а там уже 50 лет одно и то же. Ну, думают, неспроста... и цена неспроста... все побежали... куда мне деваться...
— Зверь, именуемый кот! — кричал Насреддин, покраснев и приседая от натуги. — Находящийся в клетке! Он имеет четыре лапы! Четыре лапы с острыми когтями, подобными иглам! Он имеет длинный хвост, свободно изгибающийся вправо и влево, вверх и вниз, могущий принимать любые очертания — крючком и даже колечком! Зверь, именуемый кот! Он выгибает спину и шевелит усами! Он покрыт черной шерстью! Он имеет желтые глаза, горящие в темноте подобно раскаленным угольям! Он издает звуки — противные, когда голоден, и приятные, когда сыт! Зверь, именуемый кот! Находящийся в клетке, в прочной надежной клетке! Каждый может его """ИМЕТЬ ЗА ТРИ КИЛОБАКСА""" без всякой для себя опасности! В прочной надежной клетке! Зверь, именуемый кот!...
 
  • Haha
  • Like
Реакции: Music_Hawk и real64
87-ой давно уже берёт своим именем, а не возможностями. Выразительная зудилка для хилых некрасочных голосов. А каков у нас основой контингент желающих причаститься?
Вот и считайте...
Заходят новорожденные недопевцы, недодикторы в интернет, смотрят "последние известия", а там уже 50 лет одно и то же. Ну, думают, неспроста... и цена неспроста... все побежали... куда мне деваться...
— Зверь, именуемый кот! — кричал Насреддин, покраснев и приседая от натуги. — Находящийся в клетке! Он имеет четыре лапы! Четыре лапы с острыми когтями, подобными иглам! Он имеет длинный хвост, свободно изгибающийся вправо и влево, вверх и вниз, могущий принимать любые очертания — крючком и даже колечком! Зверь, именуемый кот! Он выгибает спину и шевелит усами! Он покрыт черной шерстью! Он имеет желтые глаза, горящие в темноте подобно раскаленным угольям! Он издает звуки — противные, когда голоден, и приятные, когда сыт! Зверь, именуемый кот! Находящийся в клетке, в прочной надежной клетке! Каждый может его """ИМЕТЬ ЗА ТРИ КИЛОБАКСА""" без всякой для себя опасности! В прочной надежной клетке! Зверь, именуемый кот!...
Так TLM-103 тоже вроде Neumann, но вот легендой никак не станет.
 
В большинстве микрофонах используют такую схему.
185074

Как ниже мы видим что схема дает возможность искажать сигнал, то есть насыщать его. Такая схема стоит у того же самого neumann u87. Но как оказалось Павлунчик (в своей теме) как и тут уже который раз избегает это. В своей теме он сказал (на подобную схему) что педали не обсуждаем. Так давайте поговорим об опедаливании звука в микрофонах.

185075

185076

источник https://www.diydave.be/blog/2017/11/30/fet-tube-sound/
 
Я думаю что именно у выше указанной "nfet tube" схеме можно формировать звук (назовем это маленьким и простым блоком сатурации) (не передавать чистий звук с капсуля) - а уже во втором каскаде усиливать его
 
В большинстве микрофонах используют такую схему.
Топология которой явно перенесена из ламповой схемотехники при появлении первых полевых транзисторов, когда еще не было опыта работы с ними.
О схеме почитайте хотя бы здесь:
 
  • Like
Реакции: Старатель
Вторая схема неоднократно упоминалась на форуме. Самое развернутое :
Посмотреть вложение 134074
Предлагаю простую эффективную схему на базе AKG C414. В источнике тока вместо ПТ применён БТ. Это позволит исключить подбор резистора в истоке для получения необходимого тока. Для БТ-источника достаточно один раз выбрать эмиттерный резистор по необходимому току (2 мА в данном случае), а дальше тиражировать схему безо всяких подборов, если транзистор и диоды одного и того же типа. А если вообще изначально не подбирать R, то, полагаю (по опыту сравнения симулятор/железо), можно уложиться в 10%...20%-й разброс тока, что совсем некритично.

Т.к. здесь обсуждается симметричная схема Ператрона (далее sym), то имеет смысл провести сравнение с ней.
1) Искажения при 100 мВ на стандартной нагрузке 2 кОм-а уменьшились в 66 раз (на 36 дБ). Как по мне, искажения sym неприлично велики. Ператрон намерил очень малые искажения в режиме холостого хода, т.е. без учёта входного сопротивления последующего преампа - это, конечно, интересно, но к реальной картине не имеет никакого отношения.
2) Симметричная схема избыточна. Симметрия (если она не трансформаторная) практически ничего не даёт. Поэтому предложенная схема несимметричная, но балансная(!!), что сохраняет возможность такого же хорошего подавления синфазного сигнала (подавления наводок на кабель) в последующем девайсе. Подобное решение очень часто применяется в бестрансформаторных микрофонах. У той же AKG это модели С414B-TL, С2000, C3000, C4000 и др. Все эти схемы имеются на их оф. сайте.
3) Благодаря этому, значительно упростилась схема, что немаловажно в условиях ограниченного размера корпуса. Бонус - дешевле комплектация.
4) Благодаря этому же самому, при аналогичной нагрузочной способности уменьшился ток потребления почти в 2 раза, что уменьшило падение на резисторах фантома, что, в свою очередь, увеличило поляризующее напряжение. Это немного сократило разрыв в выхлопе (теоретически, сим_vs_несимметрия разница в 6 дБ, у данных схем разница только усилительной части - без разницы в V_поляриз - около 4 дБ).
5) Пожалуй, самое главное. Благодаря внутреннему каскоду (т.е. всторенному внутрь Шиклаи) и источнику тока в истоке, в предложенной схеме весьма сильно подавлена девиация напряжения между электродами З-И и З-С (на 60 и 50 дБ), что нивелирует пагубное влияние ёмкостей этих переходов. Надо заметить, что эти ёмкости сильно нелинейны (по сути - они варикапы, см. даташиты). А это чревато повышенными искажениями на больших уровнях, что проявляется как грязь, шепелявость и т.п. В схеме sym дельта_u на участке З-И подавлена всего на 23 дБ, а З-С - не только не подавлена, но из-за особенностей схемы (фазорасщепитель) больше(!) входного на 5,5 дБ. Это никак не способствует хорошему звучанию.Помимо прочего, для такой схемы надо тщательно выбирать тип ПТ с самыми малыми ёмкостями ЗС и ЗИ. Зато в новую схему можно ставить почти всё подряд, даже горячо любимый народом 2SK170 с его большими ёмкостями.
Для понимания механизма возникновения больших искажений вспомним, что капсюль - это чистая ёмкость. Теперь представьте эквивалентную схему: генератор - ёмкостный делитель, у которого верхнее плечо - ёмкость капсюля, нижнее - сильно нелинейные ёмкости JFET-а. Притом, ёмкости переходов ЗИ и ЗС всего лишь на порядок меньше ёмкости капсюля. А у 2SK170 и маломембранного капсюля они вообще сопоставимы. Итак, получается нелинейный ёмкостный делитель сигнала. Кстати, искажения схемы sym я симил с 2N4117 - у них очень малые ёмкости. При увеличении ёмкостей искажения растут, ухудшается спектр (быстрее растут высшие гармоники). В новой же схеме даже с ёмкостями как у 2SK170 роста искажений не наблюдается. Полагаю, звук будет определяться только капсюлем.
-------------------------
Искажения sym/новый преамп:

Посмотреть вложение 134075

Посмотреть вложение 134076

Девиация сигнала на электродах ПТ sym/новый преамп:

Посмотреть вложение 134069

Посмотреть вложение 134070

Комментарии к схеме.
1) Нижний ПТ должен иметь небольшое V_gs_off (отсечка), верхний (каскодный) - на пару-тройку В больше. Сигнальный ПТ советую 2SK30ATM, 118, 208, но можно и 2SK117, 163, 170, 184, 209 и мн. др.
2) Выходные LC-цепочки просто взяты из С3000, выбор их номиналов весьма вольный, вплоть до исключения.
3) Выходной импеданс такого повторителя около 5 Ом, поэтому для получения баланса импедансов Hot/Cold сопротивление R9 примерно на эту же величину больше, чем R8.
4) R17 подобрать по току потребления всей схемы 2 мА.
5) К этой схеме легко подключить трансформатор - на выход через конденсатор 10...33...100 мкФ. Лишние детали, связанные с балансировкой импедансов, естественно, не ставить.
Добавлю, что ток полевиков определяется резистором R6 и примерно равен I=0.6/R6=0.6/3.3=0.18 мА
 
Третий, выдранный из схемы кусок. в представленном виде не имеет смысла (илия я его не вижу).
По четвертому :) в связи с :
Обсуждается в другой теме. Здесь обсуждение этой схемы ("FIN") не разрешаю.
Подпись - :
(Глав. Ред. Схемы "FIN") :)
просто оставлю ссылку, чтобы не искать по всей той теме:
 
Старатель, т.к. вы ищите "свой звук", то я советую перейти на ламповые схемы - вот, в них громадный простор для такого поиска. С JFET-схемами рамки узки - вы просто получаете более или менее искажающий каскад "чистый -- менее чистый -- грязный". Если ещё не имели дел с лампами, то не пугайтесь, напряжения "у нас" невысокие (100 В примерно), лампы вполне доставаемы. Естественно, имеется принципиальное неудобство - это обязательность наличия своего блока питания и многожильного кабеля. Зато, вы не привязаны к непойми какому фантому - иногда они бывают весьма кривыми. Ну, и, конечно же, звуковой трансформатор. Хотя, это как посмотреть. С точки зрения поиска /создания своего звука - это не неудобство, а ещё один доп. компонент, сильно влияющий на звук.
А стерильность, которую проповедует известный человек, не всегда нужна, это точно. Всё же, микрофон - это часто и густо инструмент, а не датчик звукового поля. Иначе бы все микрофоны были маломембранными, вроде измерительных Брюль и Къер. И иначе не были бы востребованы классические ламповые микрофоны, вроде U47, C12 и т.п. Какие великие артисты пели в них!
Начинайте, мы с Sonic-ом вам поможем.
 
  • Like
Реакции: Sonic
Какие великие артисты пели в них!

Логика у Вас иногда железокаменнобетонная :)
Не забывайте о великом Карузо который пел В ТРУБУ с механической мембраной.
Давайте петь В ТРУБУ! Окрас будет что надо!
 
А почему бы поиски стерильного звука не направить сразу в сторону, в которой копает Neumann Solution-D? Зачем все промежуточные устройства, кабели и пр. Надо сразу с капсюля через согласователь на АЦП, а дальше уже в цифре все передавать.

Я всего один раз слушал классику записанную с Solution-D и мне не понравилось, но то все вкусовщина.
 
  • Like
Реакции: Tuvalu и akaabd
Логика у Вас иногда железокаменнобетонная :)
Не забывайте о великом Карузо который пел В ТРУБУ с механической мембраной.
Давайте петь В ТРУБУ! Окрас будет что надо!
Зато вы в своём репертуаре - постоянно выкручиваетесь, аки уж. Притом, с помощью дурацких аналогий и постоянных передёргиваний, как в этом случае. Не только пели, но и поют, так понятно? В эпоху, когда легко сделать самые сверх-малоискажающие схемы, ламповые мики повсеместно востребованы, не знали?

Зачем все промежуточные устройства, кабели и пр. Надо сразу с капсюля через согласователь на АЦП, а дальше уже в цифре все передавать.
Вот именно.
 
Последнее редактирование:
  • Like
Реакции: Старатель

И в мутный u47 поют, и шлягеры выходят. Записывают через древние ламповые компрессоры и через "космические аппараты" на элементах которых свет не видел. Через что только не пишут, чем только не балуются.
Значит дело в другом? :)
Верность передачи (голоса) это НЕ ЭФФЕКТ, не "звучание", а просто возможность отразить чувственное состояние + лучшая выразительность в плотном миксе. До кого не дошло - пусть мылятся, жалко что-ли? Тем более, как "лечат" себя некоторые - "на шлягерность не влияет" :)
 
Надо сразу с капсюля через согласователь на АЦП

Однако "согласователь" тот же преобразователь импеданса + усилитель. Или радиочастотное преобразование с петлёй обратной связи.
Из кожи не вылезешь :)
 
Верность передачи (голоса) это НЕ ЭФФЕКТ, не "звучание", а просто возможность отразить чувственное состояние + лучшая выразительность в плотном миксе. До кого не дошло - пусть мылятся, жалко что-ли?
А можно поинтересоваться, что вы с такими установками делаете в этой теме? Тут же речь идёт явно не о чистом-пречистом. Ну, не уговаривается ТС на это самое чистое-пречистое, разве не ясно?
И кстати, если вас действительно интересует "верность передачи", то зачем вы юзаете дюймовые капсюли? Отвечать лучше не здесь, а в вашей теме про чистое-стерильное.
 
Старатель, т.к. вы ищите "свой звук", то я советую перейти на ламповые схемы - вот, в них громадный простор для такого поиска. С JFET-схемами рамки узки - вы просто получаете более или менее искажающий каскад "чистый -- менее чистый -- грязный". Если ещё не имели дел с лампами, то не пугайтесь, напряжения "у нас" невысокие (100 В примерно), лампы вполне доставаемы. Естественно, имеется принципиальное неудобство - это обязательность наличия своего блока питания и многожильного кабеля. Зато, вы не привязаны к непойми какому фантому - иногда они бывают весьма кривыми. Ну, и, конечно же, звуковой трансформатор. Хотя, это как посмотреть. С точки зрения поиска /создания своего звука - это не неудобство, а ещё один доп. компонент, сильно влияющий на звук.
А стерильность, которую проповедует известный человек, не всегда нужна, это точно. Всё же, микрофон - это часто и густо инструмент, а не датчик звукового поля. Иначе бы все микрофоны были маломембранными, вроде измерительных Брюль и Къер. И иначе не были бы востребованы классические ламповые микрофоны, вроде U47, C12 и т.п. Какие великие артисты пели в них!
Начинайте, мы с Sonic-ом вам поможем.
Большое спасибо.
А можете ли вы сделать симуляцию схемы nfet tube? Там графики построены с резистором 1 мом(думаю и калькулятор для меня не подойдет), а хочется получить данные уже под микрофонный вариант. Суть, чтобы иметь чистую синусоиду(какие нужны номинали) так и уже типа эмуляцию лампы(тоже какие номиналы). А я уже в тех параметрах буду искать свое. Может сделаю в переключатель между лампой и чистым сигналом или потенциометром искать искажения под запись.
На данный момент времени меня интересует возможность записи на выездах, ламповый микрофон здесь не подходит. Хотя питания и кабель есть)
 
Ну, не уговаривается ТС на это самое чистое-пречистое, разве не ясно?
И кстати, если вас действительно интересует "верность передачи", то зачем вы юзаете дюймовые капсюли? Отвечать лучше не здесь, а в вашей теме про чистое-стерильное.

"Чистое-пречистое" - мечта и девиз neumann. Почитайте их рекламу. Не я придумал.
О капсюлях вообще речь не шла. Речь шла о схеме для любого конденсаторного капсюля с поляризацией.
Если Вам известно, что и больший размер капсюля отрицательно влияет на точность передачи тогда какого Вы защищаете грязь усилителей работающих в связке с такими капсюлями? Получить результат ещё более поганый что-ли? :)
"Ну ты жесток" (Из к/ф "Всё могу") :)
 
У меня не открывается это сайт, проверял с двумя браузерами и даже через прокси.
185074
Интересуют такие параметры -
RG - 1 Гом, RD - резистор 47 ком и 20 ком, CS - конденсатор 4,7 и 22 мкф. С-IN - 470pf, 1 nf, 2500 pf
Нада найти резситор RS для чистой синусоиды і например для кмуляции лампы ( что бы дальше уже не искажать)
 
185074
Интересуют такие параметры -
RG - 1 Гом, RD - резистор 47 ком и 20 ком, CS - конденсатор 4,7 и 22 мкф. С-IN - 470pf, 1 nf, 2500 pf
Нада найти резситор RS для чистой синусоиды і например для кмуляции лампы ( что бы дальше уже не искажать)
Универсальный рецепт - поставить подстроечник вместо резистора в истоке и на стоке 1/2 питания каскада выставить.
 

Сейчас просматривают