Neumann TLM 103|102 + Neve 1073 + Redd 47

  • Автор темы Автор темы Radiola
  • Дата начала Дата начала

За рулём популярный асс.
Спой он в сенх 845 - лайков и просмотров было бы не меньше.
Отвратный звучОк у мика на высоких и верхней середине соответственно. Обертона не прослушиваются. Рисунок голоса мутный.
 

Ещё. Вот ЭТО НУТРО -
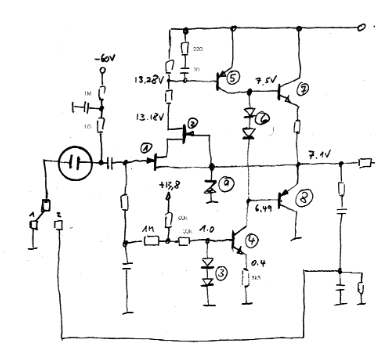
грязь-103.png


ООС через ТРИ транзисторных перехода!! Да ещё в схеме с малым током потребления. Цыганам пришлось ставить "подпорку" RC на переходе транзистора "5". Во мрак.
Капсюль в этой схеме - САМ НЕ СВОЙ. Не спорю с качеством изготовления капсюля - оно на высоте но схема ДАЛЕКО не реализует его звучание. Уж лучше схема от трансформаторного ноймана на одном транзисторе c КНИ в 10 раз больше..
Я собирал подобную схему многократно, пытался выжать из неё точный рисунок спектра на ВЧ. НЕ СМОГ. За 20 лет моей практики - худшая схема. Врёт и глазом не моргнёт.
 
Ну, да... вот тут забыли схему посмотреть.
Тыц
А тут, совсем распоясались.
Тумц

"Твой оптимизм раздражает меня" (из к.ф. "Джон Картер")
Великий Карузо пел в металлический рупор с мембраной и иголкой. Его пластинки расходились огромными тиражами, он был богат и знаменит. Давайте петь в трубу! Станем известными и несомненно разбогатеем!
 
Ещё. Вот ЭТО НУТРО -
Посмотреть вложение 170405

ООС через ТРИ транзисторных перехода!! Да ещё в схеме с малым током потребления. Цыганам пришлось ставить "подпорку" RC на переходе транзистора "5". Во мрак.
Капсюль в этой схеме - САМ НЕ СВОЙ. Не спорю с качеством изготовления капсюля - оно на высоте но схема ДАЛЕКО не реализует его звучание. Уж лучше схема от трансформаторного ноймана на одном транзисторе c КНИ в 10 раз больше..
Я собирал подобную схему многократно, пытался выжать из неё точный рисунок спектра на ВЧ. НЕ СМОГ. За 20 лет моей практики - худшая схема. Врёт и глазом не моргнёт.
Я хоть и не специалист в вопросах схем но по звуку понял что схема туфта, капсюль хороший,пришлось продать,новый задёшево!
 
Я хоть и не специалист в вопросах схем но по звуку понял что схема туфта, капсюль хороший,пришлось продать,новый задёшево!

Вы правы. Опираясь на многолетний опыт можно по звучанию определять "кто виноват" - схема или капсюль.
Тысячи прослушиваний различных схемных решений заставили меня услышать то, что и представить смешно - звучание отдельных узлов схемы.
Как и все когда-то считал, что в конденсаторных миках 90% успеха это капсюль, а 10% это схема.
ЧОрт побери... как же большинство ошибается...
Схема - да - туфта... жуткая. Капсюль зараза очень хорош.
TLM-103 можно уверенно назвать одной из нескольких Замечательных Ошибок Нойманн.
Скатились... оскотинились...
В akg414 звучание кпсюля так же прячется за кучей каскадов работающих в разновременье. А как он звучит на самом деле? М-м-м... Одному богу известно... ну и мне :)
"Несвоевременность - вечная драма...".
 
Хотите фокус?
Схема дешёвой китайчатины беринджер б-1 -
Посмотреть вложение 170420
Найдите десять отличий...
Я конечно мало что понимаю в этом, это удел специалистов форума,но у меня вопрос тогда к вам, вы разобрали как вы пишите столько схем микрофонов. Вопроса у меня 2
1. Ваше отношение к схемам Октавы
2. Какой из китайских можно не меняя схемы и комплектующих просто поменять капсюль (истинный Нойман)и получить звук близкий к легендам но дешевле?потому как моддинг тоже долгая история, а капсюль установить вобщем большого труда не будет.
 
"Твой оптимизм раздражает меня" (из к.ф. "Джон Картер")
Великий Карузо пел в металлический рупор с мембраной и иголкой. Его пластинки расходились огромными тиражами, он был богат и знаменит. Давайте петь в трубу! Станем известными и несомненно разбогатеем!
Вы Карузо-то слышали когда- нибудь? А то анекдоты про Рабиновича и про Робинзона напоминает.
 
Вы Карузо-то слышали когда- нибудь? А то анекдоты про Рабиновича и про Робинзона напоминает.

Более тысячи килограмм патефонных пластинок 78 об/мин, самых популярных...
Начиная с односторонних с вертикальным колебанием иглы и записью "от центра к краю" (ПАТЕ) - кончая Томом Джонсом под 1970 год...
Коллекция фашистских маршей которую днём с огнём не найдёшь.
Фонограф Эдисона так и не нашёл (только часть механизма удалось найти, ушёл за немалые деньги) но все остальные аппараты были - от металлофонов (не тех, о коих Вы подумали), граммофонов (с трубами и без, огромных тумбочных и миниатюрных походных) до механического пианино о 30ти пар струн. Реставрировал, ремонтировал, слушал, продавал и по кругу... пластинок перебрал в несколько раз больше, чем написал выше. Слышал все популярные голоса планеты ещё до появления инета и т.п.
Пластинка с чисто механической записью голоса Карузо (поздняя советская копия) скорее всего до си пор среди ста килограмм "остатков былого величия", так же сохранил некоторые односторонние диски и пластинки российские дореволюционные.
Бамбуковые треугольного сечения иглы для граммофонов, "тихие" иглы, слюдяные мембраны, адаптеры коламбия, хиз мастерс войс (la voce del padrone) и остальные по ниспадающей...
Во мне звучит весь 20 век.
Расскажу обо всём, что делал, к чему прикасалась моя рука - навряд ли поверите.
"Ночка снежная,
А у меня на сердце лето..." :)
 
Просто нынче над пением Карузо и Шаляпина можно тока поржать. Лет пийсят уже так не поют.
Вместо vincero, почему-то vinceR...))))))
Ну, я просто в опере больше десяти лет проработал.
Тыц
Ржут даже над Корелли, как он вслед за Карузо и Лаури Вольпи возил портаменто. Щас это дико звучит, хотя рядом с Корелли никто не стоял.
Если убрать картинку, то не понятно, что микрофон... презренный Rode K2)))))))
 
.........
1. Ваше отношение к схемам Октавы
2. Какой из китайских можно не меняя схемы и комплектующих просто поменять капсюль (истинный Нойман)и получить звук близкий к легендам но дешевле?потому как моддинг тоже долгая история, а капсюль установить вобщем большого труда не будет.

1. Простые схемы требуют от кристаллов непревзойдённых ТХ.
Почему?
Потому, что в простейших схемах невозможно в достаточной мере "притушить" влияние паразитной ёмкости на звучание мика в целом + влияние нагрузки, тут вся надежда на ТХ транзисторов и качество трансформатора (если используется). Давно появились транзисторы "затмившие все и вся" но почему-то их не видно в схемах октавы. К примеру 170-ый здесь не лучшее решение. На счёт трансов исследования прекратил давно и навсегда. Муть она и в Германии муть (сугубо личное мнение, обжалованию не подлежит, здесь советую поступать, как сердце велит). Однотранзисторный мик (именно однотранзисторный) с трансом можно сделать очень приятным на слух. Но всё равно ведь - ложь - вуалирующая истинную красоту звучания самого капсюля.
2. В китайских миках не попадается ничего оригинального. Сплошные, не лучшие, копии известных схем и (из тех, что встречались) ни одну не могу рекомендовать, как "панацею".
Кристалл входного транзюка конд. миков (в большей или меньшей мере) работает похоже, как "детектор эксайтера" - высшие гармоники "опускает" в более чувствительный для слуха участок. Преобраователь импеданса конд. миков чрезвычайно "подвопросное" устройство. Тестирование тракта по известной методике, через ёмкостный эквивалент - не даёт ответа... Ну покажет ровную АЧХ от одного Герца до двух миллионов, прекрасный меандр и мизерные искажения на заданной нагрузке. Тут же меняешь схемное решение получая практически такие же показатели но на ВЧ может появиться отчётливый стеклянный призвук, сие мгновенно отражается на звучании СЧ. Или высокие становятся мягче. Что изменилось? Какое звучание правильнее? Непонятно.
Неужели слух настолько избирателен, что совершенно незначительные изменения ТХ могут так напортачить в итоге?
Судя по всему - да.
Тут и родилась схема принципиально исключающая своё влияние на звучание капсюля, любого, хоть самого быстрого по отклику.
В кои-то веки я её выложу. Пока усердно стараюсь найти "подводные камни". Не деньги же пытаюсь сделать, как некоторые, а ЧЕСТНЫЙ, ПРЕДСКАЗУЕМЫЙ, ПОВТОРЯЕМЫЙ НА ВСЕ СТО, БЕЗУПРЕЧНЫЙ ЗВУК.
 
  • Like
Реакции: akaabd
@Павлунчик, Ждёмс...Вы обещали или тему открыть о своих экспериментах, но видимо в ближайшем будущем не светит нам стать свидетелями настоящего чистого как слеза ребенка звука капсюля, не загрязнённого влиянием схемы, если я правильно понял ваши изыскания! Ваш достаточно подробный ответ пока лично для меня ничего не прояснил. Будем ждать примеры вашего "идеального" на ваш взгляд микрофона, кавычки это не сарказм. Просто мне кажется ваша идея утопией,хотя любая идея даже самая фантастическая заслуживает внимания!Дорогие винтажные микрофоны приукрашивают звук, делают звук красивее чем он есть добавляя гармоники, а у вас как я понял противоположная цель, поправте если я неправильно понял.
 
  • Like
Реакции: Sonic
@Павлунчик, Ждёмс...Вы обещали или тему открыть о своих экспериментах, но видимо в ближайшем будущем не светит нам стать свидетелями настоящего чистого как слеза ребенка звука капсюля, не загрязнённого влиянием схемы, если я правильно понял ваши изыскания! Ваш достаточно подробный ответ пока лично для меня ничего не прояснил. Будем ждать примеры вашего "идеального" на ваш взгляд микрофона, кавычки это не сарказм. Просто мне кажется ваша идея утопией,хотя любая идея даже самая фантастическая заслуживает внимания!Дорогие винтажные микрофоны приукрашивают звук, делают звук красивее чем он есть добавляя гармоники, а у вас как я понял противоположная цель, поправте если я неправильно понял.

Нынче можно делать с сигналом всё, что угодно.
При условии, что ДО обработки сигнал не потерял форму. "Не трудно попасть на Тот Свет... трудно вернуться" (Капитан Барбосса).
Звучание "легенд"- отдельная тема. "Окрашенное звучание" несколько ограничивает их применение в современных "приложениях". Они создавались не для цифровой обработки. Точная передача сигнала капсюля КМ - дело совсем другое. Здесь и более полноценная эмуляция винтажного звучания, и много других вкусностей не омрачённых (пусть даже сладкой) ложью микрофонного чрева.
На вкус и цвет...
А здесь расчёт на любой вкус.
Ладно, поживём - увидим.
Обязательно.
 
но видимо в ближайшем будущем не светит нам стать свидетелями настоящего чистого как слеза ребенка звука капсюля, не загрязнённого влиянием схемы, если я правильно понял ваши изыскания!

Я тут грешным делом подумал...
Продемонстрирую всё же её звучание...
Схемы то бишь..
Вы услышите только звучание моего голоса, чистое звучание китайского недокапсюля (а-ля K-67), звуковой карты и т.д.
Как Вы сможете оценить звучание схемы, если она абсолютно не вмешивается в звучание?
Получается - НИКАК :)
Помните притчу о горе-изобретателе, его универсальном растворителе (который растворяет абсолютно всё) и Томасе Эдисоне которому пришло письмо с просьбой рассмотреть данное изобретение? Эдисон ответил - "Не пойдёт такое дело, растворитель ни в чём невозможно будет хранить" :)
Предупреждаю - я далеко не певец, пел не зычно (нос чуть забит), близко от мика - по сему ВЧ (звуки "с-с") преобладают. Может быть это даже хорошо для технической демонстрации. Без обработки. Уровень фонограммы прибран для лучшей читаемости. Короче - караоке.
"Космические " транзюки пока не купил, схема собрана на "отвале". Неплохом конечно но вскоре будет полный fin.
23МБ... Сначала полностью скачать (не слушать онлайн!) затем открыть ИСКЛЮЧИТЕЛЬНО в штатном виндовс проигрывателе (эквалайзер отключить!). Думаю Вы услышите временной рисунок... остальное не важно...
Итак - впервые в истории конденсаторных миков звучит схемное решение "принципиально" не окрашивающее звучание капсюля -
 
  • Like
Реакции: presly и Music_Hawk
Я тут грешным делом подумал...
Продемонстрирую всё же её звучание...
Схемы то бишь..
Вы услышите только звучание моего голоса, чистое звучание китайского недокапсюля (а-ля K-67), звуковой карты и т.д.
Как Вы сможете оценить звучание схемы, если она абсолютно не вмешивается в звучание?
Получается - НИКАК :)
Помните притчу о горе-изобретателе, его универсальном растворителе (который растворяет абсолютно всё) и Томасе Эдисоне которому пришло письмо с просьбой рассмотреть данное изобретение? Эдисон ответил - "Не пойдёт такое дело, растворитель ни в чём невозможно будет хранить" :)
Предупреждаю - я далеко не певец, пел не зычно (нос чуть забит), близко от мика - по сему ВЧ (звуки "с-с") преобладают. Может быть это даже хорошо для технической демонстрации. Без обработки. Уровень фонограммы прибран для лучшей читаемости. Короче - караоке.
"Космические " транзюки пока не купил, схема собрана на "отвале". Неплохом конечно но вскоре будет полный fin.
23МБ... Сначала полностью скачать (не слушать онлайн!) затем открыть ИСКЛЮЧИТЕЛЬНО в штатном виндовс проигрывателе (эквалайзер отключить!). Думаю Вы услышите временной рисунок... остальное не важно...
Итак - впервые в истории конденсаторных миков звучит схемное решение "принципиально" не окрашивающее звучание капсюля -

Послушал... скажу честно мне понравилось,в вашей тональности звучит хорошо,достаточно сбалансированно,мне эти китайские капсюли конечно не нравятся но в вашем микрофоне он звучит на удивление хорошо. Теперь интересно и схему посмотреть,если это не секрет! Да ещё интересно в корпусе какого микрофона схема и гриль тоже хотелось бы рассмотреть!
 
Последнее редактирование:
Послушал... скажу честно мне понравилось,в вашей тональности звучит хорошо,достаточно сбалансированно,мне эти китайские капсюли конечно не нравятся но в вашем микрофоне он звучит на удивление хорошо. Теперь интересно и схему посмотреть,если это не секрет! Да ещё интересно в корпусе какого микрофона схема и гриль тоже хотелось бы рассмотреть!

Считаете, что удалось немного "заглянуть за горизонт"?
Возможно. Действительность частенько трахает фантазию, как Тузик грелку...
Гриль? - Гриль представляет собой железную сеточку от сита для муки (убил сито). Вставил её цилиндром в щель где стоял родной гриль мика rode ntk, сжал сетку сверху (выс. корзины около 15 см). Корпус ntk - абалденный полигон для всякого рукоблудия. Оперативно разбирается-собирается... В его держатель можно установить почти любой капсюль - от меньшего 19а19 до крупного K-67. Только вот (ещё раз напомню) ни в коем случае нельзя применять родной гриль ntk. Гадит на высоких, как мстительный кот.
Если Вы действительно уловили несвойственные китайскому капсюлю "нотки" - то есть реальная надежда услышать "сказку" которую ещё никто не слышал. После замены транзисторов на более серьёзные + SMD - схема должна (по идее) стать интересной повсеместно.
Именно после доработки схемы с применением последних достижений в "транзисторостроении" - она увидит свет.
Пока это полуфабрикат позволяющий (вероятно) дать представление - "чего ожидать".
Схема схемой - потом подбор элементов по ТХ затем "карта режимов", архитектура монтажа и ещё чёрт знает что вылезет. Именно в этом схемном решении от архитектуры монтажа зависит "наивысшая кристальность звучания".
Очень не хочется что-то упустить.
Конечно я буду держать Вас в курсе событий, если желаете.
Первый "серийный" образец вполне вероятно окажется у вас в наличии. На практические испытания, так сказать. Капсюль не знаю какой купить. Требуется что-то посерьёзнее.
 
  • Like
Реакции: akaabd
Первый "серийный" образец вполне вероятно окажется у вас в наличии.
:)
Я конеч, понимаю, вы там кайфуете-экспериментируете, в чём-то вам даже завидую. Но подтролливания со стороны коллег они ж неспроста. Заканчивайте уже со сборкой своего тестового образца и отправляйте в Дагестан - вот и будут вам первые реальные отзывы - человек сравнит со своим парком в своих условиях...

Ничего личного, просто вспомнилось... Один любитель аналоговой записи лет 6 или уже больше, приводит в порядок ламповый телефункен М15, чтобы записывать концерты тверских классиков ) так воз и поныне там, но еженедельной демагогии в духе "вот щаа уже начну" - с полсотни страниц на магнитофонном форуме, перемежаясь сплошным троллингом... Там всё довольно сложно, т.к. вкупе со вселенским отсутствием знания предмета, процесс "приступания" к записи дополнительно затягивал ещё и сезонный автореверс "аналог-цифра" в плане выбора домена :D
Сорри за флуд, но это в пользу рационализма и действий...
 
"Конечно я буду держать Вас в курсе событий, если желаете.
Первый "серийный" образец вполне вероятно окажется у вас в наличии. На практические испытания, так сказать. Капсюль не знаю какой купить. Требуется что-то посерьёзнее"
Спасибо за доверие,конечно с удовольствием приму участие в вашем эксперименте,микрофонный вопрос всегда живо интересовал меня,поэтому я никогда не жалел денег на это дело,у меня некоторое время назад был на продаже Gefell cmv565,и покупатели были,но я снял его с продажи уже второй раз,как только решил финансовые проблемы. Касаемо капсюля у меня есть одна идея,но я вам сообщу дополнительно о ней в личку.
 
  • Like
Реакции: Павлунчик
Я конеч, понимаю, вы там кайфуете-экспериментируете, в чём-то вам даже завидую. Но подтролливания со стороны коллег они ж неспроста. Заканчивайте уже со сборкой своего тестового образца и отправляйте в Дагестан - вот и будут вам первые реальные отзывы - человек сравнит со своим парком в своих условиях...

Откуда у Вас взялась уверенность, что akaabd меня троллит?
 
"Конечно я буду держать Вас в курсе событий, если желаете.
Первый "серийный" образец вполне вероятно окажется у вас в наличии. На практические испытания, так сказать. Капсюль не знаю какой купить. Требуется что-то посерьёзнее"
Спасибо за доверие,конечно с удовольствием приму участие в вашем эксперименте,микрофонный вопрос всегда живо интересовал меня,поэтому я никогда не жалел денег на это дело,у меня некоторое время назад был на продаже Gefell cmv565,и покупатели были,но я снял его с продажи уже второй раз,как только решил финансовые проблемы. Касаемо капсюля у меня есть одна идея,но я вам сообщу дополнительно о ней в личку.

Что значит "спасибо за доверие"?
Всё равно рано или поздно придётся кануть в лету.
Просто некоторые думают, что это время бесконечно далеко и прыщут чёрт знает чем неизвестно зачем.
Я не из тех.
Ладно, "включаю шумодав".
Могу продемонстрировать звучание схемы с капсюлем ntk и капсюлем 19а19. Поляризация 75V и 90-100V соответственно.
Капсюль 19а19 заметно тиховат, а капсюль ntk сами знаете... хотя я его ещё не слушал с новой схемой. Если интересна "метаморфоза" - запишу. На счёт Вашего варианта капсюля - обсудим...
 
@Павлунчик, Интересны любые наработки,тема тут по конкретным Нойманам,желательно вам как конструктору всё же отдельную тему создать. По поводу троллить я уже далеко не в том возрасте,да и по характеру и менталитету далёк от этого,какие только ярлыки не приписывали мне,всё мимо...:)
 
  • Like
Реакции: Павлунчик
@Павлунчик, Интересны любые наработки,тема тут по конкретным Нойманам,желательно вам как конструктору всё же отдельную тему создать. По поводу троллить я уже далеко не в том возрасте,да и по характеру и менталитету далёк от этого,какие только ярлыки не приписывали мне,всё мимо...:)

Вас понял.
Или в "новая тема" (что явно рановато), или в личку.
Тогда до связи.
Завтра запишу то же самое на других капсюлях. Послушаете...
 
Последнее редактирование:

Сейчас просматривают