Мелкие вопросы по ремонту, поиску схем и т.п. (6 онлайн)

  • Автор темы Автор темы Tuvalu
  • Дата начала Дата начала
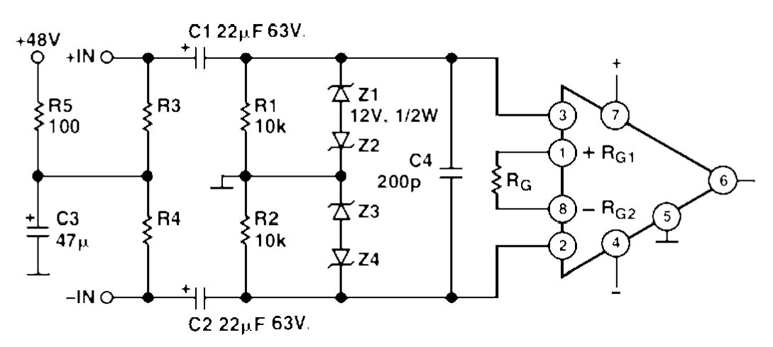
На схеме в даташите защитные стабилитроны входа - на 12В. Наверно, ничего не изменится, если поставить туда КС162А?
 

Вложения

  • 1740208485525.jpg
    1740208485525.jpg
    51,2 KB · Просмотры: 163
@KEL, двуханодный можно,
и если это микрофонный вход, и линейных сигналов на него подавать не планируется, то стабов на 6,2 в достаточно с головой.

Другое дело в том, что если принципиален момент защиты входа не только от всплесков напряжения сверх нормы, но и от статики, я бы вообще заменил стабилитроны на симметричные супрессоры (U= 6..12V),
т.к. стабилитроны, особенно отечественные, от статики могут крякнуть.
 
  • Like
Реакции: KEL
Вот вроде такого?
 
@KEL, да, подойдёт и такой esd ,
если же у вас всё dip, то можно обычный выводной супрессор, тот же p4ke6.8ca.

У супрессора (tvx) по сравнению с esd диодом более жёсткая ВАХ, и разница между напряжением открытия и напряжением удержания существенно меньше…
 
  • Like
Реакции: KEL
А для большей защиты стоит ли поставить последовательно с входными контактами резисторы примерно по 10 Ом?
@KEL, да, подойдёт и такой esd ,
если же у вас всё dip, то можно обычный выводной супрессор, тот же p4ke6.8ca.

У супрессора (tvx) по сравнению с esd диодом более жёсткая ВАХ, и разница между напряжением открытия и напряжением удержания существенно меньше…
А для большей защиты стоит ли поставить последовательно с входными контактами резисторы примерно по 10 Ом?
 
  • Like
Реакции: Long
@KEL, да, резисторы до стабилитронов (или до tvs) на входе нередко ставят в различное оборудование для шоу/концертов и в микшерные консоли, и они не то чтобы смягчают токи от всплесков импульсных помех или переходных процессов , а в первую очередь призваны работать как предохранители и сгореть, если со сцены вдруг прилетит что-то серьёзное, и через стабилитроны или tvs пойдёт большой ток
(без резисторов обычно выгорают дорожки печатной платы).

Кстати если после резисторов поставить две ёмкости условно в 470 пФ звездой на землю (в параллель к tvs), а до резисторов- пару ferrite bead или крошечных дросселей, то получится весьма эффективный фильтр от помех радио и связи…
 
  • Like
Реакции: кактус, Long и KEL
@Andruha, это обычный промышленный фильтр, с универсальной зеркальной топологией (два синфазных дросселя по краям, а внутри Y-конденсаторы), соотв-но может быть использован двусторонне: как для снижения помех из сети к чувствительным приборам, так и наоборот - для снижения помех от прибора, генерирующего их в сеть. Рабочая полоса подобных фильтров обычно лежит в пределах рабочих частот PWM преобразователей и их ВЧ-гармоник.
Двойная синфазная фильтрация- хорошо (если верить схеме), но почему то мало кто из производителей подобных фильтров запаривается нормальной дифференциальной фильтрацией, отдавая её на откуп только одним X-конденсаторам, что не очень эффективно, и я уже где то неоднократно говорил по этому поводу. С другой стороны, подобные фильтры как раз и делаются для снижения в первую очередь помех от преобразовательных силовых схем (мощные БП, различного рода инверторы и преобразователи частоты), где преобладает именно синфазная составляющая. Для защиты от «всего» такой готовый фильтр будет малоэффективен, хотя доля пользы, разумеется, будет.
 
  • Like
Реакции: Andruha и KEL
Последнее редактирование:
  • Like
Реакции: Long, Vladistone и Andruha
-- Видел однажды в продаже на Авито фильтр "от всего", сделанный явно
для спецслужб, с фильтрацией до ГГц. Только цена была 6-значная...
 
  • Like
Реакции: Andruha и Anthony Scott
Когда для какого-нибудь звукового ОУ указывается Кг - это всегда при Ку=1?
 
Спасибо, посмотрел, понял.
Делаю регулировку усиления МУ на галетном переключателе - контакты надо чем-нибудь смазать для надёжности, или так оставить?
 
  • Like
Реакции: Anthony Scott
@KEL, контакты лучше не смазывать а оставить сухими,
т.к. накапливаемые частицы износа вместе с пылью и оксидами превращаются в пасту, которая остаётся на контактах и при переключениях будет вызывать интенсивные шорохи и потрескивания…
 
  • Like
Реакции: KEL
-- Видел однажды в продаже на Авито фильтр "от всего", сделанный явно
для спецслужб, с фильтрацией до ГГц. Только цена была 6-значная...
Вижу ежедневно, кондиционер питания, изготовленный участником форума. Работает много лет, со всем мусором справляется.
 
  • beer
Реакции: Anthony Scott
В свой микрофонный пред на SSM2019 буду дополнительно ставить отключаемый усилитель мощности (примерно на 15Вт/8Ом) - так удобнее для вокала. Какую микросхему для этого мониторного усилителя лучше использовать, чтоб "не стыдно было"?
 
Последнее редактирование:
то есть вы такое (только лучше ) хотите сделать? Тут и пред конечно так себе , да и мощности мало, но зато сразу и Мик и Динамик?

1741108447985.png
 
Нет, обычный рековый 2-канальный микрофонный пред, но хорошо бы в него УМ встроить с выходом на внешнюю АС - очень удобно на репетициях.
 
  • Wow
  • interesting
Реакции: presly и Anthony Scott
@KEL, УМ городить в пред - такое себе извращение,
не мое конечно дело, для чего и как именно он вам будет удобен, если только для каких-то мобильных дел,
но как бы оно не наделало вам лишних наводок на пред, да и потребует немаленького трансформатора в питании.
Кроме того, 15 Вт мониторинга для живого пения - это ни о чем, для нормального мониторинга нужно под 50-100 хотя бы.
Если предпочтителен традиционный АВ, то LM3886 классика, вполне годное решение на мощностях до 50…60 Вт; если отдельный УМ вами не рассматривается. Или класс D - TPA3255.
 
  • Like
Реакции: KEL, Long и presly
Ничего странного, такой подобный предусилитель уже работал у нас на репах, 10 Вт нормально хватает (потому что ударка электронная))), какие-либо наводки не были слышны, а при отдельной записи вокала УМ вообще отключался.
За подсказку по микросхемам спасибо!
 
Последнее редактирование:
  • Like
Реакции: Anthony Scott
@KEL, всегда пож-ста,
и кстати модуль УМ в виде готовой платы можно купить (тот же алиэкспресс),
для TPA3255 это даже целесообразней, чтобы не париться с разводкой и монтажом
(и при выборе модуля смотрите, чтобы разводка и расположение компонентов обвязки соответствовало даташитным рекомендациям)…
 
  • Like
Реакции: KEL
1741172395309.png


Купил женушке ноут, легкий чтоб таскала..по городу. Изготовление Челябинск...более менее проц, озу 16...но корпус...из говна сделан. Ечип. "крутая" такая фирма. Идиоты, форма для корпуса не продумана. поэтому при открытии все вывернулось. Пластик не тот хрупкий. Сейчас эпоксидкой залил..но думаю все сломается...надо проволокой прикрутить...))
Ладно жену успокоил...если что новый в металле куплю...))
 
  • Wow
Реакции: Anthony Scott
-- KEL, смотрите:
и
 
  • Like
Реакции: KEL
то есть вы такое (только лучше ) хотите сделать? Тут и пред конечно так себе , да и мощности мало, но зато сразу и Мик и Динамик?

Надо сюда усилок помощнее, чтобы микрофон гарантированно заводился))
 
Купил женушке ноут, легкий чтоб таскала..по городу. Изготовление Челябинск...более менее проц, озу 16...но корпус...из говна сделан. Ечип. "крутая" такая фирма. Идиоты, форма для корпуса не продумана. поэтому при открытии все вывернулось. Пластик не тот хрупкий. Сейчас эпоксидкой залил..но думаю все сломается...надо проволокой прикрутить...))
Если особого опыта нет в разборке ноутов, то поломать корпус можно в принципе легко и непринужденно)) А так да, делают их в основном из г-на, ибо нехрен))
 
  • Like
Реакции: Long

Сейчас просматривают