Самодельный мониторный усилитель (5 онлайн)

  • Автор темы Автор темы sunet
  • Дата начала Дата начала
>При общем порядке эквивалентного ФНЧ 2 и более...
>Отсутствие выходного фильтра после ОУ интегратора ... неизбежно окажет негативное влияние на качество звучания последнего.

-- Да, это не газеты на ночь - это круче.
 
-вот эта картинка похожа на мягкий старт , по крайней мере мощные резисторы и реле видны, в схемах их просто нет , что касается
задержки( временной интервал) то сейчас проще , да и дешевле наверное поставить 6 ножечный микроконтроллер типа атмела, чем
городить чушню с полевиками
-кстати там выше забавная схема селектора входов от угла поворота резистора? я правильно понял?,без гистерезиса трещать будет
[DOUBLEPOST=1477958807][/DOUBLEPOST]
-- Да, это не газеты на ночь - это круче.
-да текст хорош , но эффект на самом деле есть
 
-кстати там выше забавная схема селектора входов от угла поворота резистора? я правильно понял?,без гистерезиса трещать будет
ага аналоговое решение )) да я специально сюда схему засунул. У Apex -а подсмотрел прикольная схемка ранее не видел такое решение. Надо попробовать на макете.

Если микроконтроллер ставить на мягкий старт, то и защиту АС туда же пусть управляет... а то не эффективно "компьютер" на мягкий старт. Я ленюсь спаять программатор.. а давно надо.
Лег. офтоп, но по теме. Я "выпускаю" мелкие партии активные колонки 100ват строго бытовуху, и строго по знакомым. Просят с пультом, чтобы с индикацией 2х строчное табло синего или какого то там цвета. Выбор источника, громкость, баланс, treble, mid, bass. Еще далее флешки + радио...можно температуру...:D нууу-уу программировать нужно учиться...я когда то бейсик любил..не более..))))
 
Последнее редактирование:
>без гистерезиса трещать будет

-- Гарантированно! Нужно поменять входы компараторов местами, и ввести ПОС для гистерезиса.
 
Если микроконтроллер ставить на мягкий старт, то и защиту АС туда же пусть управляет... а то не эффективно "компьютер" на мягкий старт.
-а вот этого не надо , в проводах сразу утонешь , их мелкие специально делают для одной операции в конкретном месте
-- Гарантированно! Нужно поменять входы компараторов местами, и ввести ПОС для гистерезиса.
-или tiny24 поставить и заодно индикацию влупить
нууу-уу программировать нужно учиться...я когда то бейсик любил..не более..))))
-ассемблер с точки зрения простых программулек даже проще , а потом с++ есть тот же бэйсик вообщем
[DOUBLEPOST=1478005509][/DOUBLEPOST]
цена там в рублях белорусских
-390 нбр -это сколько в тугриках? посмотрел усилитель разведен более менее , транс не очень, радиаторы хорошие , корпус сойдет , мощность
конечно маловата, 30000мкф что-то там не увидел - неудачный снимок
 
Это не мои слова. Филиграйн слил.
Это мойша напел.
Как обычно. Кто бы сомневался.
-человек купил где то наш александер и приехал к нам на профилактику , заменили емкости на новые , в усилитель поставили lt1122, на вход lme49710,
человек забрал довольный, а на следующий день ему привезли филигран на пробу ( модель не знаю) филигран включили и сразу выключили, так что
это с его слов ( кстати очень серьезный музыкант фио не буду называть), к сожалению взять на послушать не получится ( продал где-то полгода назад)
-к сожалению александер не под всю акустику подходит насколько помню
[DOUBLEPOST=1478020850][/DOUBLEPOST]
-ну тогда недорого вообщем , только вот 50вт на 8 ом маловато , хотя транс и емкости всегда можно заменить и питание поднять, насколько
помню там некритично все +-10в
 
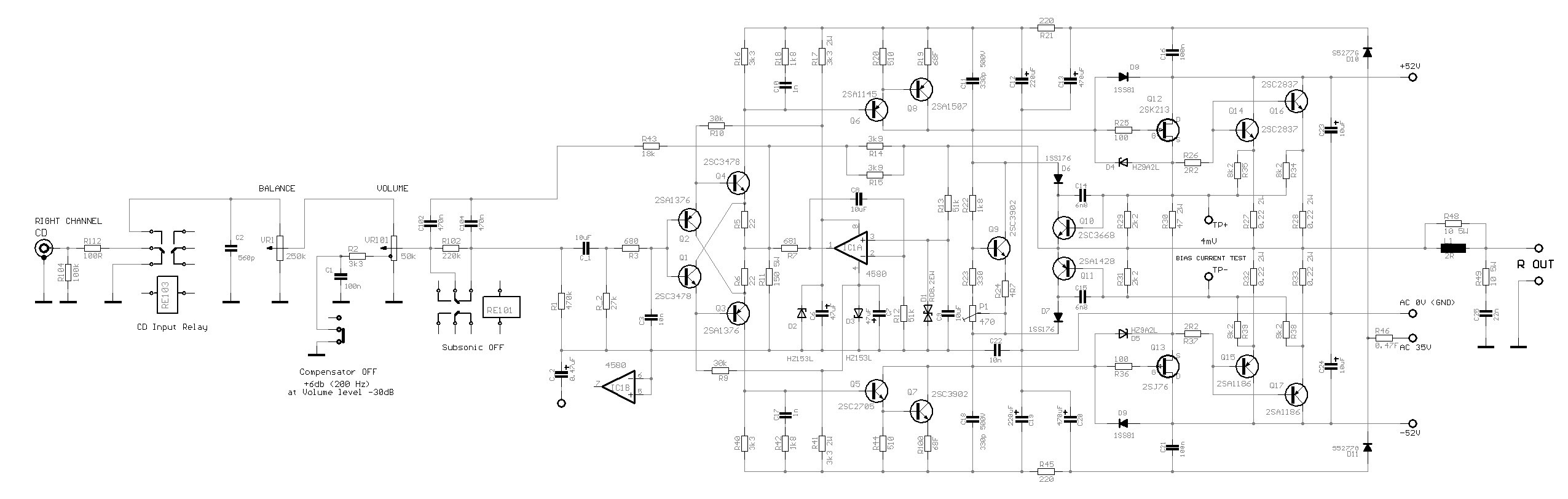
Предлагаю следующий вариант схемы Квода. Ряд перерасчетов, ряд номиналов и типов элементов заменены, убраны или добавлены в основном по рекмендациям @digilab2, Некторые элементы выбраны из предлагаемых и из соображений цены.

Уменьшены резисторы на входе и в связи с этим увеличен входной конденсатор, изменены номиналы цепей на выходе операционника, уменьшены резисторы R30, R31, добавлены резисторы R41, R42 в базах выходных транзисторов, добавлены стабилитроны и конденсаторы в защите и в связи с этим уменьшены резисторы в этих цепях, добавлен диод в смещении и два обратных диода параллельно выходным транзисторам.

Появились и некоторые вопросы:
1. Кто использовал BC556 - насколько легко выбрать среди них экземпляр с hfe более 300 ? Или может проще сохранить вариант с составным транзистором?
2. Не нужны ли диоды помощнее на выходе (обратные)?
3. Не слишком ли замедлят новые конденсаторы в защите ее срабатывание?
4. У ОУ LT1122 есть выводы для коррекций. Что с ними делать? Или просто оставить висеть?
 

Вложения

  • #Schema_Q405RMM_03.jpg
    #Schema_Q405RMM_03.jpg
    244,8 KB · Просмотры: 338
-это вариант доделки кита, я так понимаю, я ставил диоды(обратные) sf202 или sf302, выводы коррекции не нужны у нас к.у 10
емкость практически не влияет ( в родном варианте 47мкф) зато защита работает так сказать без рывков
-у bc556b мне достаточно много попадалось с b>300, можно поискать и другие транзисторы, я вообще ставил 2sa1084e но их
непросто купить ( хотя стоят в многих пультах), еще 2sa1316bl тоже с b>400
-в варианте для разводки нужно все таки модернизировать схему мне кажется
 
это вариант доделки кита, я так понимаю
И да и нет, хочу развести новую плату, на китовой все это не влезит. Про модернизацию будет отдельная тема.
в варианте для разводки нужно все таки модернизировать схему мне кажется
Не считая защиты от постоянки, которую лучше расположить на плате блока питания, какие еще изменения стоит сделать по модернизации? Так чтоб без фанатизма, без необязательных усложнений. Ведь именно тот вариант который в ките завоевал свою легендарную популярность и неплохо работал.
 
Кто использовал BC556 - насколько легко выбрать среди них экземпляр с hfe более 300 ?
BC560C от Файрчилд мне регулярно попадаются с b от 400 до 600.
какие еще изменения стоит сделать по модернизации?
А поставить комплементарную пару выходных, как предлагал @digilab2?
 
Включили выключили. А аргументов ноль. Вы думаете я ваши усилители не не слушал? Там масса проблем . Особенно на тихой громкости.
Однажды делал инсталляцию бооьшой трехполоски с активным кроссовером. И тремя усями. Дигилаб на середину подошел. Но в дальнейшем и его заменили. Студия ну очень известного музыканта. Фио называть не буду.
 
Последнее редактирование:
  • Like
Реакции: dugdum® и bloodykot
Или же в теме допустимо рассмотрение альтернативных структур?
Безусловно! Речь идет о создании нескольких вариантов для "домашнего студийного творчества", учитывая большие цены на фирменные усилители и разные возможности и знания тех кто решится их делать, возможности купить детали и пр. Если будет разработана плата (а может и несколько вариантов платы), то возможно кто-нибудь возьмется ее производить, можно будет продавать их через магазин форума например, а может быть не просто платы, но и киты.

Квод один из самых доступных вариантов, но могут быть и любые другие.

Я уже писал выше что тема со временем разветвится на несколько -
1. Китовый китайский Квод
2. Усовершенствованный Квод с новой платой.

3. Предлагайте другие варианты. Обсудим, усовершенствуем, предложим для повторения.

Каждая новая достойная тема ответвится в узкоспециализированную, ибо читать тему подобную настоящей очень сложно - слишком много всяких уточнений и обсуждений... по идее когда выкристализуются отдельные темы и уйдут в отдельные ветви, то настоящую тему надо будет удалить.

Да, подобные темы есть на схемотехнических форумах. Но у нас одно специфическое требование - мониторинг. Потому ламповые, красящие, HiEnd усилители, усилители в сотни Ватт и килоВатт нас не интересуют.
 
  • Like
Реакции: Andruha и Schmidt
BC560C от Файрчилд мне регулярно попадаются с b от 400 до 600.
-они по uce не проходят
Не считая защиты от постоянки,
-должна быть именно на плате перед реле , которого тоже нет , и вольт добавку заменить на источник тока
Включили выключили. А аргументов ноль. Вы думаете я ваши усилители не не слушал? Там масса проблем . Особенно на тихой громкости.
-да мне лично с высокой колокольни что там у вас лучше звучит, я давно уже усилителями не занимаюсь и не собираюсь,
просто озвучил мнение ( не надо было судя по всему), лично от себя могу сказать тот же филигран слушал, ничего
выдающегося не услышал , да хороший усь на уровне брайстона , только и всего , посмотрел на схему сакевича500 сразу
скажу ни за что бы не взял только из-за 5532 ( не надо такого звука, наслушался уже)
-Вадим мы же не собираемся здесь собирать филигран или неву и даже бриг001 , смысла нет никакого, да и по моему сложновато , я бы конечно проголосовал
за брайстон 3bst но транзисторы отбирать не всем под силу , или ввс-2011,2015 но тоже транзисторы надо отбирать хотя меньше
-из всего что у меня побывало больше всех понравился accuphase и самопальный энд миллениум, меньше всего самопальные ламповые
-что касается spa200 там было вариантов 5 с разными оу( первые на 5534) и транзисторами , мне больше всего нравились последние штук 10 , вход lme49710 , оу в
усилителе ada4627 транзисторы в ун тошибы, выход ons, я думаю у вас какие то первые были, да еще 2 варианта по мощности ( емкости и трансы другие)
Квод - это сакральная сущность?
-Жень его соберет даже ребенок , включит и будет работать , без всякой наладки, как показала практика проще только
микросхемные варианты или сборки типа stk и еще готовые модули класса d типа айспавер
-лично я бы уперся в вариант волжской рыси 4.0 на lme49810, выходной каскад только от брайстона или ок-ое-ое приделать и защиту от кратковременного к.з
по крайней мере только вк отбирать
 
Последнее редактирование:
собрать стоит хоть какой-то маломальски рабочий вариант, а Вы уже за граалями гоняетесь

Включили выключили. А аргументов ноль. Вы думаете я ваши усилители не не слушал? Там масса проблем . Особенно на тихой громкости.
тоже аргументов конкретных нету, не говоря уже о фактах, всё в краце и общих чертах, человеку которому я продал неву, она больше понравилась чем филигрань, который он также продал, еще у него есть брайстон, но я не взялся бы утверждать что одно лучше другого на чужом опыте, иногда можно прислушиваться, но не всегда стоит придерживаться :D

лично от себя могу сказать тот же филигран слушал, ничего
выдающегося не услышал , да хороший усь на уровне брайстона , только и всего
а можно поинтересоваться на какой акустике Вы слушаете и находите тех самых блох? :)
 
Последнее редактирование:
Только ругаться не надо, давайте просто спокойно обмениваться опытом... вкусы у всех разные, также известно что инженеры больше интересуются цифирками и зная то что в том или ином усилителе искажений по приборам больше, они их "слышат", чего другие не слышат, а может даже и ценят какраз эти искажения. Влияние некоторых искажений на психоакустическом уровне недооценено, а других переоценено, а о иных мы возможно и не знаем еще... вот почему некоторые достаточно простые и по приборам не очень качественные усилители по мнению звукорежиссеров часто субьективно звучат лучше других с искажениями в 0,000001%...

Давайте так - у кого есть положительный опыт и готовые или почти готовые решения - предлагайте, обсудим, но только пожалуйста без нервотрепки.
 
Последнее редактирование:
  • Like
Реакции: кактус и garri
а можно поинтересоваться на какой акустике Вы слушаете и находите тех самых блох?
-через наушники тдс-3 ( шутка), а если серьезно то года 3 вообще ничего не слушаю кроме пары 24 битных файлов garbage , еlo c zoom и трэвелинг вилбурус
( использую для проверки цап и ацп), дома стоят старенькие bang&olufsen beovox rl60.2 ,усилитель переделанный бриг001, лет 5 не включал уже
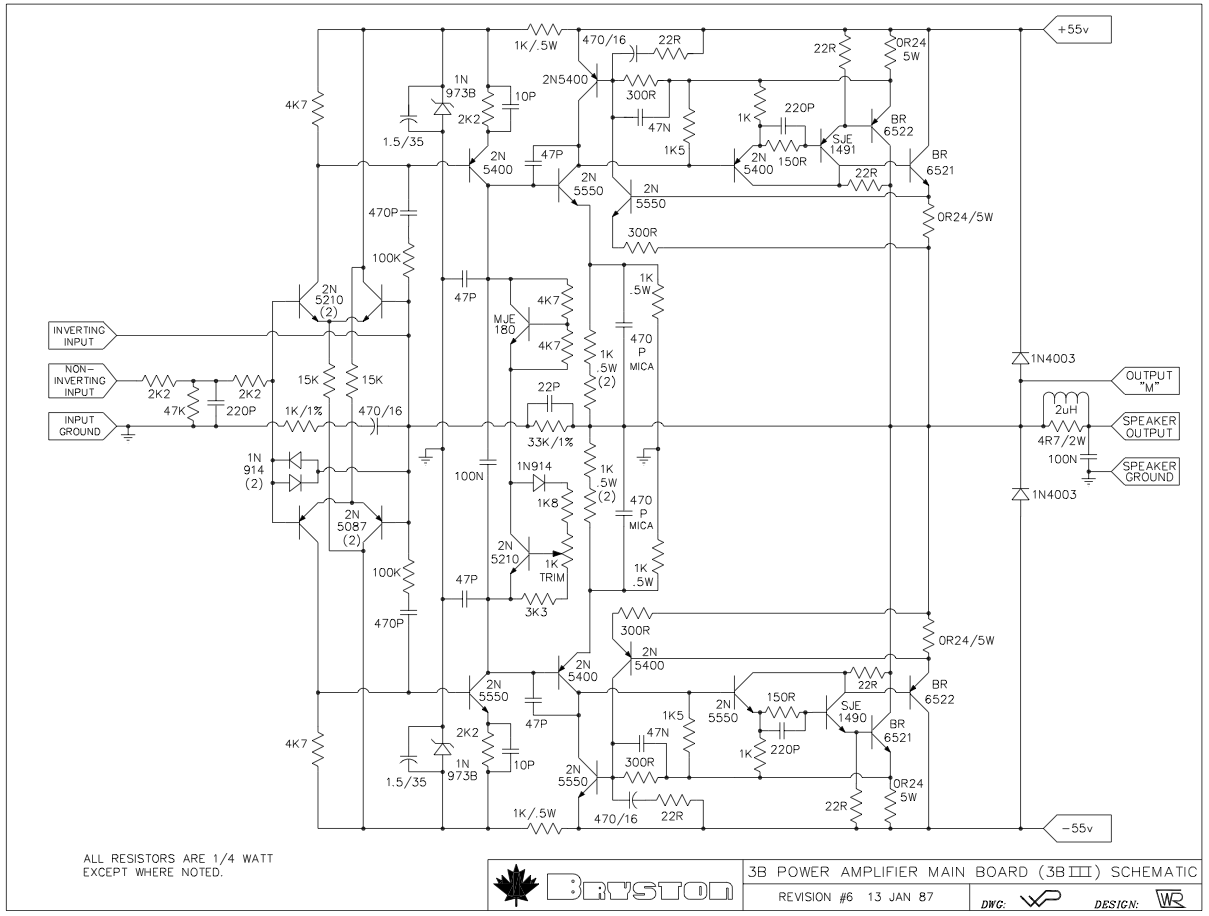
-для интереса несколько схем
e210-amp-schematic.gif 1_1230_17.gif 1_1230_1.jpg 1_1230_2.jpg e210.jpg 3B-ST.PNG
 
Последнее редактирование:
тоже аргументов конкретных нету, не говоря уже о фактах, всё в краце и общих чертах, человеку которому я продал неву, она больше понравилась чем филигрань, который он также продал, еще у него есть брайстон
-вот и я говорю все это чисто личные впечатления , к тому же все перечисленные усилители вообщем хороши, причем из простого лучший
по звуку первый Брагин , но с ним ковыряться лень по доводке а для квода все уже есть
 
Последнее редактирование:
по звуку первый Брагин
"по звуку" ... хорошо звучащий услитель еще не хороший усилитель... Можно сделать усилитель класса А на 100 Втт и питать его от трансформаторы в тумбочке... Усилитель должен быть 1. Надежным 2. Недорогим, 3. Удобным 4. Качественным. Ну, может пункты 3 и 4 можно поменять местами... Есть и такие (сам видел) которые заходя в магазин спрашивают - Какой у вас самый дорогой компьютер? И покупают, для понтов и потому что считают что он лучше... Я видел в каталоге усилитель 20+20 Вт ценой 47000 долларов... не думаю что он стоит и 1000... разве что транформаторы серебром намотаны, дорожки золотые, корпус платировый со сваровскими на ручках...
 
  • Like
Реакции: bloodykot
-там транзисторы , кремний на сапфире , и платы фторопласт , с толстым сплавом медь-серебро позолоченные, корпус фрезерованный из цельного куска
меди с посеребрением отсеков внутри, ручки кнопки- сапфир, про резисторы боюсь сказать ( nicr) причем никель из метеорита
[DOUBLEPOST=1478108613][/DOUBLEPOST]
"по звуку" ... хорошо звучащий услитель еще не хороший усилитель...
-ну первый брагин по цене компонентов примерно тоже что и квод, а то и меньше
 
Затравил темку - предлагаю пофилософствовать в ней.

ХИНТ: мониторный усь есть инструмент, оптимизированный для достижения конкретной, вполне формализуемой цели. А именно - получение звукового консерва, наилучшим образом отвечающего рыночным требованиям к такому продукту.
Сами по себе рыночные требования есть производная от технического оснащения потребителя.
Потому мониторный усь должен наглядно демонстрировать те огрехи в музыкальном материале, которые могут испортить восприятие конечного потребителя - и, следовательно, опираться на текущую парадигму, применяемую при конструировании потребительской аппаратуры.

Потому было б нелишне сформулировать более конкретные требования к мониторному усю - изложенные на инженерном языке и включающие инженерный перевод эзотерики в техническую сущность.

ХИНТ: я сам придерживаюсь той точки зрения, что изложенная в новой теме концепция вполне покрывает специфику мониторного применения трактов на основе такой парадигмы...
 
  • Like
Реакции: sunet
>по приборам не очень качественные усилители по мнению звукорежиссеров часто субьективно звучат лучше других с искажениями в 0,000001%...

-- Значит меряли - либо не то, либо не так, либо вообще х.з. что.

Я частенько сталкивался с аппаратурой, которая при измерении дает прекрасные результаты,
но плохо звучит, однако обратного случая — когда при отвратительных характеристиках изделие
звучит хорошо — не наблюдал никогда.
(David Manley)
 

Сейчас просматривают