Мухи и котлеты от ПЕРАТРОНИКИ (1 онлайн

  • Автор темы Автор темы Peratron
  • Дата начала Дата начала
Но только это проще делается, например так:
Для PNP-входа нет соответствующих жифетов в SMD. А в микрофонниках это важно. Да и в операх тоже может иметь значение.
Кроме того - выход в другую сторону.
Ну, и на закуску - возможен интересный вариант сложения NPN и PNP на входе. У него тоже свои фишки полезные могут прорисоваться.

Во всяком случае - запасное схемотехническое решение никогда не бывает лишним...
[DOUBLEPOST=1476391414][/DOUBLEPOST]
в схеме из п48 лучше сьем
Как минимум, новый вариант сломанного каскода даёт меньшее остаточное напряжение - значит, можно больше принять по входу при меньшем напряжении питания.
В общем, лучше/хуже - штука относительная и определяется совокупностью схемотехнических решений в соседних узлах.
А запасной вариант - никогда не лишний в конструкторском загашнике...

ХИНТ: всё ж - какие идеи будут по поводу перекоса токов? С чего оно вылезает?
 
всё ж - какие идеи будут по поводу перекоса токов? С чего оно вылезает?
Базовые токи входных транзисторов надо выровнять (например, равными сопротивлениями на входах, как это делают в ОУ-схемах), тогда будет всё симметрично. По крайней мере, после такого выравнивания в моём симуляторе всё стало на своё место.

А про смещение Q3,Q4 читали моё замечание, не хотите отвечать?

У вас чисто теоретическое токовое зеркало, в железе оно перекосится. Это ответ №2 на ваш вопрос
Итак, что бы вы дальше стали делать с живым макетом?

-- Cам закороченный выход, если с эдакой "симметрии" захотят перейти на несимметрию на джеке.
Весьма нередкая ситуация, кстати.
Так можно и про чисто симметричный выход написать, если представить, что его закоротят моно-джеком (или моно-гнездом RCA и т.п.) на "той" стороне, что тоже нередко происходит. Вы уже раз пятый пишите про "сгорит", ну, не применяйте, если так боитесь.
 
Последнее редактирование:
-а к земле резисторы где?
???

-жень какой это сломанный каскод,
Да, это именно сломанный каскод. Но не в том месте, как привычно и не так, как привычно.

да и нахрен он там не упал( только шуметь как лошадь будет)
Не забываем про частотку!!!
Каскод имеет гораздо более высокий полюс, чем ОЭ.
И с чего ему шуметь?!

а еще лучше полевики с большой отсечкой ( деталей меньше)
Для PNP нет полевиков кроме КП103 и сборки 504НТ - а в SMD оные вовсе отсутствуют.
В данной схеме поначалу стояли 7002 - под СМД. Но и с биполяром - тоже полезный вариантец...
 
Базовые токи входных транзисторов надо выровнять (например, равными сопротивлениями на входах, как это делают в ОУ-схемах), тогда будет всё симметрично.
Базовые токи - следствие, а не причина.
Импедансы в базах дифкаскада - одинаковы: генератор с нулевым сопротивлением и в ОС тоже нулевое сопротивление.

А про смещение Q3,Q4 читали моё замечание, не хотите отвечать?
В симуляторе пока использован идеальный генератор тока - он и задаёт смещение естественным образом (сам улетает по выходу в потенциал выше шины питания).
Нормальное смещение будет на этапе перехода от идеализированной схемы к реалистичной.

ХИНТ: в том и прелесть симулятора - в отличие от живого макета, позволяет в нужный момент сосредоточиться на главном, не отвлекаясь на второстепенности, и главное - не заморачиваться с областями работы этих вспомогательных цепей...


У вас чисто теоретическое токовое зеркало, в железе оно перекосится. Это ответ №2 на ваш вопрос
Это не ответ на вопрос, а уход от него - пока на данном этапе эти части будущей живой схемы не участвуют в процессе функционирования и не влияют на него. Тем не менее, перекос имеет место - и значит связан именно с основным процессом. Это позволяет отладить именно основной процесс - оценив полный его потенциал и потом, при добавлении вспомогательных узлов, удерживать результат на максимале.

На живом макете всегда мучаешься - этот артефакт отчего вылез? От главного или же от второстепенного?
 
Импедансы в базах дифкаскада - одинаковы: генератор с нулевым сопротивлением и в ОС тоже нулевое сопротивление.
На схеме этого не видно, я не вижу нулевого R в ООС. Повторюсь, и у меня тоже было перекошено, а потом всё выровнялось. Кстати, для минимизации перекоса важно не равенство импедансов, а равенство сопротивлений по постоянному току. Попробуйте временно задать R29 = 0 Ohm, разбаланс токов должен уйти.
Нормальное смещение будет на этапе перехода от идеализированной схемы к реалистичной.
Ну, не знаю... Вопрос же был о том, что бы мы сделали с "живым макетом". Я подумал, что вы взялись за паяльник и захотели услышать "последние пожелания".
""У вас чисто теоретическое токовое зеркало, в железе оно перекосится. Это ответ №2 на ваш вопрос""
Это не ответ на вопрос, а уход от него - пока на данном этапе эти части будущей живой схемы не участвуют в процессе функционирования и не влияют на него.
Это, как раз, ответ на вопрос. На тот же самый про "живой макет" - что бы мы сделали. Я бы сделал именно так. Кроме того, введение ОС в токовое зеркало позволило уменьшить искажения раз в 50(!). Это уже про симулятор. И потом, я же не знаю вашу квалификацию, что вы знаете, чего вообще не знаете, что там у вас только подразумевается, а что потом поставите... Рисовали бы сразу правильно, а не сферического коня.
 
Последнее редактирование:
-- Cам закороченный выход, если с эдакой "симметрии" захотят перейти на несимметрию на джеке.
Весьма нередкая ситуация, кстати.
-с таким же успехом и нормальную симметрию закоротят , если пассивную закоротят хотя бы сразу понятно что-то не то
т.к сигнала не будет , а с симметрией даже и не заметят , так поперживать будет если на одном корпусе оу сделано, у нас
в преампах с нормальной симметрией таких орлов( соколов) через один втыкалы с моно джеками , раз в неделю звонят с вопросами
-в 101 выход пассивная симметрия - ни разу никаких вопросов не было, правда там выход джек там трудно наоборот спаять
с xlr я думаю тоже бы пошли вопросы
 
Последнее редактирование:
Для PNP-входа нет соответствующих жифетов в SMD.
-да неужели , их больше чем выводных сейчас (кп103 не в счет)
ХИНТ: всё ж - какие идеи будут по поводу перекоса токов? С чего оно вылезает?
-резисторы поставь как положено , и базы заземли, и не будет никаких перекосов , да эту лабуду со входа убери ненужную
Не забываем про частотку!!!
Каскод имеет гораздо более высокий полюс, чем ОЭ.
И с чего ему шуметь?!
-на хрен не нужен там полюс во входном дифкаскаде , там перегрузочная способность важна , линейность и шумы
-потому что два транзистора последовательно шум сложится среднеквадратически, еще точнее первый с оэ к.у =1 (самый шумящий вариант),
второй с об просто усилит его шумы этак на 20-26db, да свои еще добавит
-скорострельность в УН нужна, чтобы максимальную полосу без коррекции получить
Нормальное смещение будет на этапе перехода от идеализированной схемы к реалистичной.
-надо сразу правильно забивать , тогда сразу понятно что работать ни хрена не будет
 
  • Like
Реакции: Tuvalu
-да неужели , их больше чем выводных сейчас (кп103 не в счет)
Например?

-на хрен не нужен там полюс во входном дифкаскаде , там перегрузочная способность важна , линейность и шумы
Так вся схема до выхода - однокаскадная!
А полюс - он не во входном каскаде, а во всем усе. И поскольку усь однокаскадный - то и полюс у него один. За счёт того, что поюс высоко - то и на высоких частотах усиление получается высоким, что даёт увеличение глубины ОС.

-потому что два транзистора последовательно шум сложится среднеквадратически, еще точнее первый с оэ к.у =1 (самый шумящий вариант),
С чего он будет складываться то? Это КАСКОД! Причём, двойной - точно так же, как в случае применения жифета для уменьшения коллекторной модуляции. Причём, биполяр в отношении шумов лучше полевика.

-скорострельность в УН нужна, чтобы максимальную полосу без коррекции получить
Вообще-то не скорострельность сама по себе, а площадь усиления - и сдвиг полюса вверх эту площадь увеличивает.

-надо сразу правильно забивать , тогда сразу понятно что работать ни хрена не будет
Оно забито правильно.
И работать таки будет.
Но вот констатировать, что на данном этапе никто не дал адекватного анализа уже можно...

Повторюсь, и у меня тоже было перекошено, а потом всё выровнялось.
Ну, так скинь схему то.
 
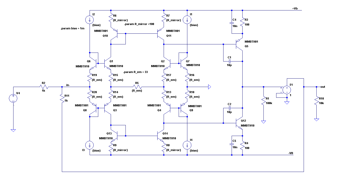
Схематически там всё нормально - два сломанных каскода подряд, второй обычный, первый "особенный".... делает Vce входной пары = const 0.6Вольт
У вас с модельками биполяров что-то не так. А может и мультисим сам...
С моими моделями (в LTSpice) перекос не большой, а добавить пару сотен ом сопр генератора, и почти нет. Только оно нестабильно!! Надо десяток пикушек с выхода на землю и сопр. в эмиттеры входа. А это шум

Работать входная пара так будет, но очень нелинейно. Ток нужен высокий, и будет режим квазинасыщения. А он очень плохо моделируется в спайсе. В стандартных моделях БТ нет механизмов для моделирования квази-насыщения.

А по поводу площади петлевого- второй полюс будет в вых.каскаде. и ставить первый придется так, чтобы второй был выше полосы работы ООС. Повышение полюса входа каскодом не играет роли. все равно придется прирезать.

P-Jfet = PMBFJ17x

Пост 48 - Оооо, творение Саги! И сюда добралось

Там два каскада усиления, Q8 - повторитель перед Q11(общая база) . И не сильно симметричный переход с диффкаскада на УН, на верхних частотах перекос будет.
Сломанный каскод - гораздо ровней. Диффкаскад работает абсолютно симметрично... Но с бОльшей девиацией тока - оно и понятно, один каскад усиления
 
Последнее редактирование:
-зачем только все это? проще поставить нечто типа ths4032 ( внутренняя схема индентична рассматриваемой) да еще
куча оу сейчас так делается , ну да на рассыпухе дешевле чуть выйдет , а вот насчет какчества сильно не уверен
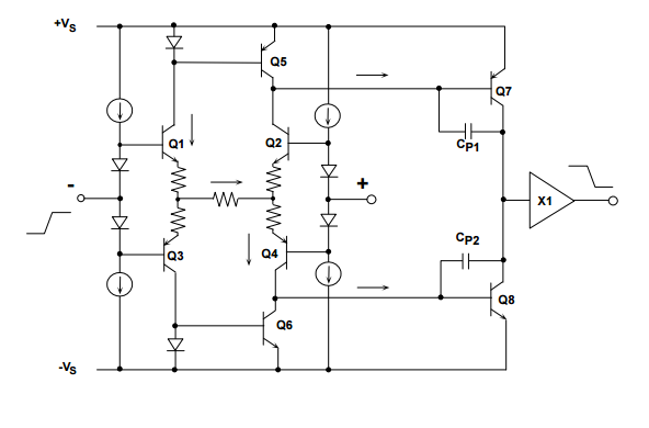
-лучше по моему занятся исправлением doa33 , полностью симметричные структуры до сих пор с трудом на кристаллах реализуются , а преимущества очевидны
 
Это типа вот этого? :
http://mujweb.cz/karel.stoud/BRYSTON-DOA33_OPAMP/DOA33_OPAMP.gif?redirected=1476439135

Современный вариант :

Используется во всех скоростных АD (8099, 4899 итд.)
Ток покоя диффпар задан напряжением на входных диодах. Toк перезарядки кондёров компенсации не ограничен током покоя входа! - имеем бешенный слю-рейт.
Тока придётся точно подбирать 4 NPN + 4 PNP! (вход + диоды). Или счетверённые сразу!

В коллекторах диффпар - зеркала (Q5, Q6) Если религия требует сделать однокаскадник - можно будет заморочиться с симметричным сломанным каскодом - но гемор будет ещё тот.
 

Вложения

  • symmetrical.png
    symmetrical.png
    23,8 KB · Просмотры: 211
Последнее редактирование:
  • Like
Реакции: Peratron
У вас с модельками биполяров что-то не так. А может и мультисим сам...
Модельки в абсолютном порядке. И не мультисим, а вполне себе PSPICE, ака OrCAD. Отраслевой стандарт - де-факто.

С моими моделями (в LTSpice) перекос не большой, а добавить пару сотен ом сопр генератора, и почти нет.
Вот ЛТспайс по моделям, и вообще по математике - гораздо менее прозрачен.

Балансировка входными сопротивлениями через базовые токи - это нонсенс. Тем паче, что в данном случае оных сопротивлений вовсе нет: по входу базовая цепь заземлена через нулевое сопротивление идеального генератора, а ОС напрямую подключена к выходу.
Поскольку модельки обоих плеч идентичны математически, а режим гаусианы не используется - то баланс должен быть идеальным, с точностью до правильности установки режима. то есть, до выбора токов в токогенераторах.
Собственно, вопрос не о разбалансе, а об источнике существенных искажений - на 60 дБ худших, чем ожидалось...

Работать входная пара так будет, но очень нелинейно. Ток нужен высокий, и будет режим квазинасыщения. А он очень плохо моделируется в спайсе. В стандартных моделях БТ нет механизмов для моделирования квази-насыщения.
Не согласен - до сих пор моделировалось вполне удовлетворительно. И до насыщения тут ещё довольно далеко.
С 2N7000. дающем больше 2В коллекторного для дифпары, всё было точно так же - перекос токов имеет место в тех же размерах.
То есть, дело не во входном каскаде - а где-то в хвосте цепочки.

К слову, проверить на ошибку из-за насыщения очень просто: воткнуть в эмиттеры кривых каскодов сопротивления или диоды, обеспечивающие большее напряжение на коллекторах дифпары...

А по поводу площади петлевого- второй полюс будет в вых.каскаде. и ставить первый придется так, чтобы второй был выше полосы работы ООС. Повышение полюса входа каскодом не играет роли. все равно придется прирезать.
Насчёт "не играет роли" - категорически не согласен.
Выходной каскад, как отдельная сущность - зло.
Двухтактный выход в режиме В/АВ - зло в квадрате!
Нужно искать решение этой проблемы радикальное - уходить от переключательных искажений, которые не корректируются по сути ООС.
Алгоритм есть - и на его основе таки нашёл конфигурацию, позволяющую реализовать мощный усь с искажениями во всём динамическом диапазоне лучше -120 дБ. (описание - тут: http://peratronika.ucoz.ru/forum/8-12-1 и тут: http://peratronika.ucoz.ru/forum/7-13-1).
Но там есть проблема: плавающая нагрузка (оторванная от земли), что применимо только для трансформаторных усей.
Есть другое решение - тоже для мощных усей. Но там весь цимес - в плавающих источниках питания для выходного каскада в режиме А с током выше тока нагрузки. Для оперов не годится.

Так, что надо искать решение именно для оперов...

ХИНТ: в порядке хохмы рассматриваю вариант использования в качестве выходного каскада - повторителя на 5532. Но не охваченного общей ОС.
Что-то в этом есть...

Ещё б он в розницу и по разумной цене был бы доступен...
А всякого интересного - но недоступного, мы уже видали: и генераторы тока двухвыводные, и сборки транзисторных пар в SMD...

ХИНТ: А мне ж - ещё и спайс-модельку подавай! Без неё - компонент мёртвый...
 
Вот ЛТспайс по моделям, и вообще по математике - гораздо менее прозрачен.
Это ваше мнение. По мне - самый прозрачный спайс-симулятор. Все настраивается, ничего скрытого нет. (не то, что мультисим или микрокап.) С оркадовским Pspice не знаком
А модели я использую Корделловские, от-сюда:
http://www.cordellaudio.com/book/spice_models.shtml

Они ничего, довольно точные. И перекоса в вашей схеме нет никакого. Кроме разницы в 1/бету. ток oдного плеча на ток базы больше второго.
А ваши - значит не в таком и порядке (раз такой перекос)☺

Вы ошибаетесь на счет сопротивлений. У сломанного каскода килоОмы выходного сопротивления. И петля давит его далеко не в ноль.

Я не говорил, что перекос из-за квазинасыщения. Нелинейность повыситься -да!
При 0В Vcb и полмилиАмперах Ic - это ещё какое квазинасыщение. Ft падает, h21 - нелинейна. Я не говорю, что это глубокое насыщение - но параметры уже заметно "плывут"
А спайс показывает одни и те же искажения, что с 5в Vcb, что с 0. Эти режимы не отображаются корректно в моделях транзисторов (спайс использует модель Эберса-Моля = ebers moll) В них нет этих механизмов.
Они хорошо показывают эффект Эрли (early)= изменение Vcb, ёмкости. А квазинасыщение - не моделируется совсем!

Перебор с искажениями - явно из-за перекошенных режимов.

Насчёт "не играет роли" - категорически не согласен.
Выходной каскад, как отдельная сущность - зло.
вот от сюда - ваще не понял вас.
Вы предлагаете совсем без него???:eek:

Я говорил, что от ВыхК будет второй полюс (без разницы, какой он, супер-пупер или кривой АБ). И полюс первого каскада всё равно придётся искуственно опускать, oн и без каскода слишком высоко по частоте.... или вам пофиг на стабильность?
По этому собственный полюс первого не играет большой роли, там всё равно придётся вводить коррекцию!

в порядке хохмы рассматриваю вариант использования в качестве выходного каскада - повторителя на 5532. Но не охваченного общей ОС.
Поверте - просто повторитель на 5532 будет гораздо лучше, (и дешевле) :)

----------------------------------------------------------------
Погонял входной каскад от AD - получается неплохо. -150 второй и <-160 третьей при напряжении 2В на 20кГц. На килогерце и 5Вольтах амплитуды вторая на -148дБ.
с петлевым всего 75дБ в звуковом диапазоне.
Причем неинверт получается не хуже инверта, даже на 5в размаха повторителем, даже без плавающих входов. (Идёт компенсация гармоник комплементарных диффкаскадов)

Можно делать! :D:D:D
Только на bc550/560 такое не получиться, зафонит. Или корректировать придётся в усмерть

А если серьезно - то конечно это не реально в дискрете... а в ИМС вполне себе, смотри ад8099, 4899
 

Вложения

  • symmetrical.png
    symmetrical.png
    20,5 KB · Просмотры: 194
Последнее редактирование:
  • Like
Реакции: Tuvalu
Ну, вот - совсем другое дело!
Перекос происходил из-за кривизны токового зеркала в предвыходном каскаде!
X2-SCH1.gif

Поставил правильное ТЗ - всё и выровнялось - как, собственно, и должно было быть по уму.
И спектр поправился:
X2_SP1.gif

Собственно, это ровно то, что я ожидал от схемы - во всех отношениях: и по спектру, и по схематике...

ХИНТ: теперь осталось приклеить такой выходник, который не изгадит того, что приготовил для него предвак...

ХИНТ: для буквоедов таки поставил смещение на второй ступени каскода. Хотя на самом деле на данном уровне моделирования с использованием идеализированных примитивов токогенераторов это не имеет абсолютно никакого значения...
 
Используется во всех скоростных АD (8099, 4899 итд.)
-тем более не надо заморачиваться , если готовые есть, у них правда питание поменьше
-насчет подбора транзисторов все просто из кучи всегда можно подобрать
-симуляторы все одинаковы ( используют одни и те же модели кроме микрокап -у него частично свои), но я в нем
и не работаю, в последнее время бью в lt -spice4 или в TI , а еще проще в старом воркбенче( фильтры на оу в основном)
[DOUBLEPOST=1476488793][/DOUBLEPOST]
Нужно искать решение этой проблемы радикальное - уходить от переключательных искажений, которые не корректируются по сути ООС.
-читайте патент т.Блэка от 1936г по моему , там все написано , как уйти от искажений каскада Б, и причем здесь доа про который мы
говорим -никто не мешает сделать ток выходного каскада чтобы он всегда был в режиме А , в определенном импедансе нагрузок
 
Используется во всех скоростных АD (8099, 4899 итд.)
-там все таки схемотехника несколько по другому , я имею ввиду банальный симметричный npn -pnp дифкаскад-
шум меньше , входные токи тоже , мы не собираемся тут гигагерцовые оу делать , интересно просто хороший звуковой
-хотя что самое прикольное в итоге выяснится что самая банальная двойка npn-pnp будет звучать лучше чем все эти навороты
 
Последнее редактирование:
А как с банальным сим. диффкаскадом получить тысячи слю рейт?
Там именно так, как я нарисовал
Эм. Сопр только мелкие совсем
 
Последнее редактирование:
-не очень понятно зачем тысячи слю рейтов нужны для звука, к тому же какая разница один дифкаскад с каскодом
или два с тем же каскодом , зато преимущества очевидны
 
Вот, вспомнил, где я видел схему такого дифкаскада. Книжка Достала "Операционные усилители". Только там схема "вверх ногами" из-за противоположной проводимости транзисторов.

Dostal_DifAmps.png
 
Для baran-ban.
Выдержка из книги "LTspice. Компьютерное моделирование электронных схем" Володина
Модель биполярного плоскостного транзистора является адаптацией модели
Гуммеля—Пуна, которая, в отличие от первоначального варианта, учитывает
эффекты, возникающие при больших смещениях на переходах, квазинасы-
щение
и удельную проводимость подложки.
Таки моделируется? Кстати, очень интересна и актуальна тема допиливания моделей, и особенно, тема вариации (каких именно?) параметров транзисторов для анализа Монте-Карло. А то симулируем сферических коней. Какие параметры вы варьируете при моделировании аудио-схем? Не хотите открыть такую тему?
Книгу скачал здесь: http://apparaturnaya.ru/apparatura/5855-skachat-knigu.-ltspice.-kompyuternoe.html
 
  • Like
Реакции: Peratron
Кстати, очень интересна и актуальна тема допиливания моделей, и особенно, тема вариации (каких именно?) параметров транзисторов для анализа Монте-Карло. А то симулируем сферических коней. Какие параметры вы варьируете при моделировании аудио-схем? Не хотите открыть такую тему?
Предлагаю конкретно сравнить результаты моделирования ОрКАД/ПиСПАЙС против Лтспайс.
У кого есть желание - то и другие симы оприходовать...

ЗЫ: я до кучи и ПРОТЕУС подключу
Там модели спайсовские - но сам симулятор всё ж облегчённой версии. Тоже инттересно - насколько облегчённый?
 
Последнее редактирование:
PSPICE - первый из всех симуляторов. Все остальные - всего лишь его клоны.
И спайс-модели - вне конкуренции по употребляемости.
Точность встроенных моделей определяется лишь точностью встроенной математики - в отличие от адекватности схемотехнических моделей, которые целиком на совести производителя.

Вот проверить точность встроенного движка для встроенных моделей следует на практике - верить всяким рекламным заявам, это быть себе злобным буратиной..
 
Последнее редактирование:
@ Tuvalu Да, выходит, что можно. Не знал, спасибо! Думал, там нужно активировать другой модельный левел, в стандартной нет.

Надо посмотреть, проставлены ли в моделях bjt параметры QCO, RCO, VG, VO, ISS, NS. (@ператрон - проверьте у себя)
Вот интересная статья по определению этих параметров.
http://www.joerg-berkner.de/Fachartikel/pdf/1997_ICCAP_UM_Berkner_QS_Model_Parameterextraction.pdf

На счёт разницы симуляторов - сравнивать нет смысла. Дело в моделях и методах вычисления. Они хорошо известны, gear, trapezoidal итд.
ЛТ ещё может считать по собственному методу (вариант трапециобразного). Метод можно задать в опциях.
Разница иногда есть, в основном стабильность разная получается.

Взять одинаковые модели, поставить один метод вычисления и его точность - и разницы не будет совсем. Просто в ЛТ-спайсе всё это выставляется (например, спокойно можно выставить все, как в PSPICE), а вот в других - скрыто или вообще нельзя поменять.

Монте карло не использую, обычно мне хватает 3-ех вариантов основных параметров, мин, макс и средний. Так считает быстрей. Вариирую только входную емкость и бету. Мне хватает - остальное на макете.

Например стабильность проверяю для трёх входных уровней (мин, макс и около нуля) - рисую loop gain с параметризированным DC-offset на входе.
Сначала для обычной модели БТ, потом меняю бету, где она сильно влияет (например у транзистора VAS, вых.Каск). Потом емкости ... всё.
-тут и выяснять не надо lt4 лучше -....... да и моделей к нему поболе точных
модели деталей для спайсов - все взаимозаменяемые. Импортируй в нужный и используй. Так что это - не аргумент
 
Последнее редактирование:
Надо посмотреть, проставлены ли в моделях bjt параметры QCO, RCO, VG, VO, ISS, NS. (@ператрон - проверьте у себя)
.model BC560C PNP(Is=1.02f Xti=3 Eg=1.11 Vaf=34.62 Bf=401.6 Ise=38.26p
+ Ne=5.635 Ikf=74.73m Nk=.512 Xtb=1.5 Br=9.011 Isc=1.517f
+ Nc=1.831 Ikr=.1469 Rc=1.151 Cjc=9.81p Mjc=.332 Vjc=.4865 Fc=.5
+ Cje=30p Mje=.3333 Vje=.5 Tr=10n Tf=524p Itf=.9847 Xtf=17.71
+ Vtf=10)
* PHILIPS pid=bc559c case=TO92
* 91-08-02 dsq

.model BC550C NPN(Is=7.049f Xti=3 Eg=1.11 Vaf=23.89 Bf=493.2 Ise=99.2f
+ Ne=1.829 Ikf=.1542 Nk=.6339 Xtb=1.5 Br=2.886 Isc=7.371p
+ Nc=1.508 Ikr=5.426 Rc=1.175 Cjc=5.5p Mjc=.3132 Vjc=.4924 Fc=.5
+ Cje=11.5p Mje=.6558 Vje=.5 Tr=10n Tf=420.3p Itf=1.374 Xtf=39.42
+ Vtf=10)
* PHILIPS pid=bc549c case=TO92
* 91-07-31 dsq

*2N4401
*Si 310mW 40V 600mA 250MHz pkg:TO-92 1,2,3
.MODEL Q2N4401 NPN(IS=9.09E-15 BF=300 VAF=113 IKF=0.36 ISE=1.06E-11
+ NE=2 BR=4 VAR=24 IKR=0.54 RB=1.27 RE=0.319 RC=0.127 CJE=2.34E-11 TF=5.12E-10
+ CJC=1.02E-11 TR=1.51E-7 XTB=1.5 )

.MODEL t2N4403 PNP (
+ IS=16.832E-15
+ BF=255.25
+ VAF=100
+ IKF=.77357
+ ISE=16.832E-15
+ NE=2
+ BR=14.207
+ VAR=100
+ IKR=53.456E-3
+ ISC=1.0152E-12
+ NC=1.7291
+ NK=.81917
+ RB=3.9257
+ RC=.51317
+ CJE=28.204E-12
+ VJE=.94511
+ MJE=.4306
+ CJC=25.033E-12
+ VJC=.51188
+ MJC=.4892
+ TF=550.52E-12
+ XTF=3.9312
+ VTF=4.0632
+ ITF=40.353E-3
+ TR=10.000E-9)
******

.model KT3107l PNP(IS=6.277f BF=549.9 BR=.5887 ISE=6.277f ISC=0
+ IKF=0.1279m IKR=0 NE=1.354 NC=2 VAF=57.37 RC=1.2 RB=10 TF=228.3p TR=379.1n
+ XTF=0 VTF=0 ITF=0 CJE=6.506p VJE=0.75 MJE=0.3852 CJC=6.689p VJC=0.75 MJC=.3775 FC=0.5
+ EG=1.11 XTB=1.5 XTI=3 )
 
На счёт разницы симуляторов - сравнивать нет смысла. Дело в моделях и методах вычисления.
"Дело в ... методах вычисления" - в разных движках могут быть разные методы. Разве не так?
В ПРОТЕУСе - совершенно точно другой движок. SPICE 3F4, ЕМНИП,
Это есть в ФАКе...
 
Например стабильность проверяю для трёх входных уровней (мин, макс и около нуля) - рисую loop gain с параметризированным DC-offset на входе.
Сначала для обычной модели БТ, потом меняю бету, где она сильно влияет (например у транзистора VAS, вых.Каск). Потом емкости ... всё.
А можно подробней, плиз!
 
АФЧХ симулируется в малосигнальном режиме. Активные элементы заменяются на источники тока и пассивные цепи,внутренние импедансы. Их сим. считает для данного режима. Например возмем двухтактный повторитель с питанием + - 20 вольт. Емкость равна сумме входн. емкостей. а они сильно вариируют с напряжением Vcb. При вх. сигнале около отр. напряжения питания вх. емкость будет максимальной. Vcb @ pnp = min. И сильно больше, чем при сигнале около нуля. Это может сильно повлиять на стабильность. Это симулируется добавлением dc Offset на входе при AC Analyse.
Так же и бета. Изменение беты у определенных БТ в схеме может сдвинуть график петлевого (как вверх так и вниз ) и ухудшить стабильность. Где-то так
P.S. peratron
В ваших моделях не считается.
 
Последнее редактирование:
  • Like
Реакции: Tuvalu

Сейчас просматривают