-- TechnoIsBack, зачем там счётчик? На 3396 подаётся просто импульсный сигнал нужной частоты (ноты) - и всё...
А откуда он берётся? ) Наверняка расчитан на мастерклок + счётчик ... иначе они изначально сделали бы VCO управляемый напряжением.
---
Возвращаясь к вопросу о DCO в виде чипа. Так в 106-ой Джуне там же вроде DCO в виде чипа MC5534A. В сети эти микрухи так и продают, как "DCO для Juno-106" )) ... Выглядит этот чип вот так:
PS: кстати, в некоторых ревизиях по два осциллятора на чип. То есть 3 чипа на 6 голосов... но не об этом сейчас.
----------
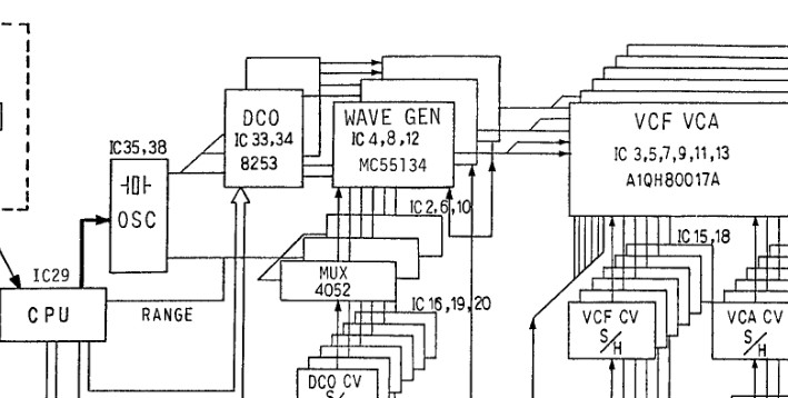
Но.... если открыть сервис мануал Juno-106, становится всё интересней и интересней ))))
Дело в том, что там под DCO они понимают не чип генератора волновых форм, а именно счётчик, который генерит прямоугольный сигнал.. счётчик на базе микросхемы Intel 8253. Выглядит этот счётчик вот так:
Вот это и есть истинный DCO в терминологии компании Roland ))))) ... а не все те пилы и PWM-ы, что мы привыкли понимать под термином DCO...
------
А вот схемы, на которых чётко видно разделение - то есть отдельно DCO, и отдельно Waveform Generator:
------------
Это была Juno-106. Такая же схема из мануала предыдущей Juno-60:
--------
А вот здесь видно схему генератора волны Wave Generator на базе микросхемы MC5534A (обведён в пунктирный квадрат). Что интересно - данный генератор в понятиях терминологии компании Roland не является DCO (как часто блогеры любят приводить в примерах референсного DCO генератора) .... это именно Wave Generator ... а сама микросхема DCO стоит перед генератором волны ... тот самый счётчик Intel 8253 )))
Напомню, что именно компания Roland ввела в обиход понятие DCO в своих первых Джунах, и утверждать, что они ошибаются, не понимая истинного предназначения DCO было бы крайне легкомысленно ))) Это скорее всего мы не правильно поняли, что они хотели вложить в это понятие... Поэтому, как видно из данных схем - под DCO имеется ввиду именно цифровой счётчик ))
Это очень комично в свете всех тех статей из интернета, где под DCO рисуют именно схемы генераторов волны. Ну да ладно... это я уже наверняка цепляюсь к словам. Ведь уже в Alpha Juno они и сами под DCO имеют ввиду именно тот чип, который совмещает в себе и вейвшейперы для формирования различных волн.
Итого....
Учитывая эту концепцию,
@Long, согласитесь ли Вы, что
осциллятор* 106-ой Джуны ... а именно Wave Generator на базе микросхемы MC5534A принципиально не отличается от обсуждаемой выше микрухи из Matrix-1000. Ведь по сути микруха Роланда MC5534A тоже на вход принимает внешние прямоугольные импульсы от внешнего счётчика. Такой подход называют DCO генераторами в целом? ) А если перед такой микрухой поставить VCO формирователь "квадрата" ? )) Равнозначное сравнение? )
осциллятор*: хотя, по большому счёту, осциллятор - это тот элемент, который непосредственно генерит первоначальные импульсы ... то есть (мастер клок + делители + счётчик), которые в результате выдают пульс конкретной частоты ... а микруху MC5534A правильно было бы именовать вейвшейпером или волновым генератором, как это и написано в мануале Джуны 106. И, кстати, нигде не обозначено, что вейвшейпер должен быть именно аналоговым, и не может быть цифровым с последующим ЦАП-ом ), так как он отдельно от DCO
Да .. и ещё... там в осце Джуны есть компенсирующий сигнал от процессора, который выравнивает амплитуду пилы ... но суть от этого не меняется. Осциллятор Джуны 106 "питается" такими же прямоугольными импульсами как и Осц Матрикса. Само собой опускаю факт наличия фильтров, огибающих и прочих ништяков формата 'Synth on a Chip' в микрухе Матрикса. Поэтому если микруха Матрикса не совсем DCO ... то по этой же логики не правильно было бы считать и осц Джуны DCO-шным
