В помощь Самоделкину. "Нерадивый" конденсаторный микрофон зазвучит лучше! (2 онлайн)

Павлунчик

Well-Known Member
10 Мар 2019
1.174
361
83
Любители паять, увлекающиеся звукозаписью, регулярно сталкиваются с недорогими студийными микрофонами требующими доработки или полной замены электронных потрохов. Конечно первым делом идём гулять по просторам инета рассматривая варианты. Схем "преобразователей импеданса" для конденсаторных микрофонов великое множество. Ламповые-трансформаторные, лампово-транзисторные-бестрансформаторные, транзисторные-трансформаторные, транзисторные-бестрансформаторные с "балансным" выходом или "небалансным", с "однотактным" или двухтактным выходным каскадом, с ОООС и без... Короче - выбор заставляет изрядно тратить время, деньги, на - нередко- сомнительные эксперименты... Так слепая замена "плохого" входного полевика на полевик 2sk170BL в ряде случаев губительна для звука. В схемах с отличной компенсацией большой паразитной ёмкости этого малошумящего мульти-кристалла - выходной каскад может быть реализован на шумящих элементах сводящих на НЕТ применение 2sk170BL . Живой пример - tannoy TM1 - в нём аж ДВА 2sk170BL но микрофон шумит, как паровоз, заявленных 5 дБ шума там близко нет + грубейшие ошибки в самОй (довольно многоэлементной) схеме.
Ряд недорогих микрофонов mxl вызывает удивление своими "непревзойдёнными" нелинейными искажениями, повышенным уровнем шума и хронически низкокачественными трансформаторами.
Наверняка вы скажете - : "На то они и недорогие...".
А возможно ли - используя БОЛЕЕ дешёвую схему (меньшими затратами) - получить "убийцу" этой нехилой горы "хлама"? Попытаюсь ответить на вопрос в следующем моём сообщении... Презентация схемы и т.п.
 
  • Like
Реакции: Schertler и Evgeniy1
схема 1.jpg


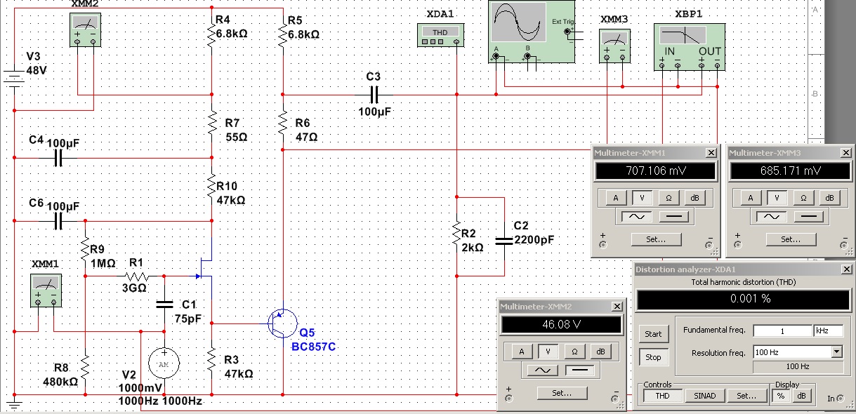
Здесь описываю реальную схему - :
Как видим - в ней всего лишь два повторителя.
Входной полевик 2SK30A (Y) https://datasheet.octopart.com/2SK30A-Toshiba-datasheet-101654.pdf с напряжением отсечки 0.5V (измерено при помощи китайского тестера деталей) высокочастотный малошумящий удалец.
Выходной каскад состоит из пары ВС857С включенных параллельно, сделано это для заметного уменьшения шума выходного каскада + его "умощнения". Пару желательно подобрать с одинаковыми ТХ. Можно оставить один, если по шуму вас устроит. Эти транзисторы копеечные...
Резистор R7 (55 Ом) подбирался (относительно резистора R6) по минимуму шума возникающего от рассогласования в "симметричной" линии (но с учётом использования параллельной пары BC857C). Резистор 55 Ом "проблемный" - можно выбрать "маломерку" из партии резисторов невысокой точности 56 Ом в пределах 54.5-55 Ом.
Номинал резистора R8 справедлив лишь для транзистора 2SK30A (Y) с напряжением отсечки около 0,5V. Применение других подобных транзисторов может потребовать корректировки сопротивления R8 для сведения нелинейных искажений к нулю (я применил переменный резистор 1МОм). В моём рабочем образце КНИ менее минус 106 дБ, 0,0005% (при U на входе 973 мВ RMS, 1000 Гц, через ёмкость 75пФ), измерительный генератор у меня не идеальный - "запредельно" малые значения регистрировать пока не имею возможности.
Динамика неискажённого сигнала очень приличная.
Звучание "песочно-игристо-бархатистое", "светящееся", без малейшего стекла на ВЧ.
Более простого и дешёвого решения с такими высокими ТХ в природе не существует.
Звуковые карты с сопротивлением микрофонного входа менее 1.5 кОм с подобными схемами применять нежелательно (тускнеет уникальнейший шарм). В моей карточке сопротивление входа 1,9 кОм.
Чрезмерная длина кабеля (боле 3м) - вредит.
 
  • Like
Реакции: DAZZER
Я сталкивался с тем что микрофоны NADY, причем разных моделей с преампами dbx286 очень сильно шумели белым шумом. Те же микрофоны в преамп Behringer Ultra Voice совсем не шумели, точно также как микрофоны Rode в dbx 286 не шумели... т.е. важно еще согласование между микрофоном и преампом.
 
Я сталкивался с тем что микрофоны NADY, причем разных моделей с преампами dbx286 очень сильно шумели белым шумом. Те же микрофоны в преамп Behringer Ultra Voice совсем не шумели, точно также как микрофоны Rode в dbx 286 не шумели... т.е. важно еще согласование между микрофоном и преампом.

"Разбаланс" входов преампов - вечная проблема.
Я "потрошил" свою e-mu 0404 - был удивлён обилием прецизионных (подобранных) сопротивлений на входах и т.д. Вчера сравнивал работу схемы между 0404, фокусрайтом соло и ещё сбегал к товарищу за таскамом 366. Настройка "шумового баланса" схемы одна на все три карты - 54,5 Ом/47 Ом. Эта схема "спокойная", без ОООС. Что видит - то и поёт "за минусом отчислений" :)
 
-- Можно узнать - о чём это?

О компенсации разбаланса импеданса в симметричной линии вызванного, в данном случае, определённым выходным сопротивлением усилителя.
Установите одинаковые сопротивления на выходах (к примеру R7, R6 по 47 Ом) см. схему. "Вход" резистора R7 шунтирован конденсатором большой ёмкости на массу, а сопр. R6 идёт с выхода усилителя, добавляющего к R6 СВОЁ выходное сопротивление (около 7.5 Ом). Как результат - пониженная помехозащищённость линии, шум. В мультисиме расчёт показывает выходное сопротивление усилителя около 4,7 Ом. В реальности оно вышло около 7,5 Ом.
Добавляем к R7 7.5 Ом и получаем наши заветные "симметричные" 54,5 Ом. /54.5 Ом.
 
а где взять трехгиговый сопрот?
а где второй ВС857С на схеме?
 
а где второй ВС857С на схеме?
-естественно паралельно первому
Можно узнать - о чём это?
-вот и мне интересно тоже
-схема обладает рядом недостатков -главный несиметричный выход
-добавив всего два транзистора схему можно серьезно улучшить
 
  • Like
Реакции: Long
А вы не знаете что от входного сопротивления меняется звучание многих микрофонов? Не суть почему, важно что меняется и есть преампы в которых входной импеданс регулируется.
 
а где взять трехгиговый сопрот?
а где второй ВС857С на схеме?

Специально для Вас - второй транзистор ВС857С на схеме. Можно заметить небольшое увеличение сигнала на выходе.
схема 2.png


Трёхгиговый можете составить из трёх по 1G. Или использовать только 1G, если небольшое увеличение шума Вас не смутит. Схема не сверхмалошумящая (хотя рекордсмен среди большинства своих дешёвых собратьев) по сему "дорогА каждая копеечка".
 
-естественно паралельно первому

-вот и мне интересно тоже
-схема обладает рядом недостатков -главный несиметричный выход
-добавив всего два транзистора схему можно серьезно улучшить

Несимметричный выход у Rode NTK , у Neumann tlm-103, у behringer b-1 + ещё у множества других дорогих и дешёвых моделей.
Добавление каскадов в эту схему превратит Её лишь в другую схему, с другим звучанием, неизвестно каким...
Эта схема самодостаточная, у неё своё уникальное звучание с практически полным отсутствием НИ и достаточно малым уровнем шума. Отлично согласуется с любой нормальной звуковой картой имеющей сопротивление по входу не ниже 1.5 кОм.
Отсутствие в схеме вольтодобавочных, переходных (+выходных) электролитов и т.п. ёмкостей заслуживает особого внимания.
 
Отсутствие в схеме вольтодобавочных, переходных (+выходных) электролитов и т.п. ёмкостей заслуживает особого внимания.
Только не забываем о переходном конденсаторе на входе преампа. На Вашей схеме его символизирует C3. Преобразователь поляризующего напряжения у Вас есть? Запитан от точки соединения R7, R10?
 
Несимметричный выход у Rode NTK , у Neumann tlm-103, у behringer b-1 + ещё у множества других дорогих и дешёвых моделей.
-это их проблемы хотя бы пассивная симметрия желательно т-образный rcr фильтр должна быть
 
Только не забываем о переходном конденсаторе на входе преампа. На Вашей схеме его символизирует C3. Преобразователь поляризующего напряжения у Вас есть? Запитан от точки соединения R7, R10?

Переходные конденсаторы на микрофонных входах - это плата за бестрансформаторный фантом. Она неизбежна в подавляющем большинстве случаев. Сетовать на неизбежность это знаете ли...
Напряжение поляризации можно взять из точки между R4-R7. Некоторые капсюли работают при 46 В удовлетворительно. Придётся конечно вводить переходной конденсатор (680-1000 пФ) по старинке... Отдельный преобразователь конечно лучше и дополнительный переходной конденсатор при этом не требуется.
поляризация 1.png
 
-это их проблемы хотя бы пассивная симметрия желательно т-образный rcr фильтр должна быть

"Их проблемы"... :)
Пассивная симметрия в данной схеме реализована. Разбаланс по импедансу в симметричной линии здесь легко устраняется подбором R7.
 

Если станете "вбивать" схему в мультисим - учтите, что модель 2SK30ATM там имеет иные ТХ.
В реальной схеме используется 2SK30ATM с индексом (Y) и напряжением отсечки около 0.5V.
"Мультисимная" модель 2SK30 показывает искажения до 30 РАЗ БОЛЬШЕ, чем реальная схема с теми же номиналами сопротивлений.
Вместо 2SK30 я "подставил" в эмуляторе --- BF 256 B и скрыл это на схеме дабы не смущать окружающих большим КНИ. В реальности же КНИ столь мал, что теряется за отметкой -106 дБ. Т.е. менее 0,0005%. Это уровень второй гармоники. Следующих гармоник не видно вовсе сквозь помехи и шум моих приборов.
 
Павлунчик, а каким из вашего опыта должен быть оптимальный коллекторный ток у BC 857 ?

Для любых схем включения? Или применительно к данной схеме?
Он может колебаться от долей миллиампер до паспортного максимума в зависимости от задачи...
 
Есть ли хоть один микрофон на рынке до 300 уе звучание которого вам нравится и вас удовлетворяет?
вопрос без каверзы
 
Есть ли хоть один микрофон на рынке до 300 уе звучание которого вам нравится и вас удовлетворяет?
вопрос без каверзы

Только один мик в мире заставляет моё сердце трепетать...
Microtech Gefell PM 860
Да и то лишь после замены внутренней электроники.
 
В этой схеме он примерно 5 Ма. А вот оптимально ли это

получения минимальных искажений?

Судя по фантастически низкому КНИ можно сказать - да, оптимально.
+ параллельно включенные транзисторы делят ток поровну (по 2,5 мА на каждом). Мощность распределяется поровну, температура кристаллов снижается, выходное сопротивление повторителя уменьшается на 20%.
 
-- ?????!!! Отродясь чужого не собирал.
Надеетесь быть исключением? Зря.

Не только собрали но и собрали неверно :) Кто там мою схему в четырнадцатом посте закоротил выбросив переходной электролит? :)
 
получения минимальных искажений?

Один из редких приёмов применяемых для устранения искажений в усилительном тракте без ОООС .
Здесь форма искажений входного каскада компенсирует форму искажений выходного. Транзисторы с противоположной проводимостью, если заметили...
Меняем постоянный резистор R8 на переменный 1 МОм, вращаем его, находим "антипода" искажений выходного транзистора компенсируя их в ноль. Как видите - на базе выходного транзистора искажений на порядок больше. В реальной схеме их ещё больше. Но в результате - красота :)
компенсация искажений.png
 
Последнее редактирование:

Сейчас просматривают