digilab control hr ssm-202 (2 онлайн)

  • Автор темы Автор темы vax
  • Дата начала Дата начала
Да и звук "по слаще" чем у Motu и мне это не понравилось.
-под es9018 ( я где-то писал) есть достаточно грамотный кит на али ( с аксиальными злектролитами) и недорого, у меня есть
пользую в качестве генератора( там к.г под -120db)
 
https://www.aliexpress.com/item-img/ES9018-4/32784627673.html?spm=2114.10010208.1000017.2.dX3oX8
это к примеру , там по цене надо смотреть , и внимательно читать что собственно на плате стоит а то пришлют с двумя резисторами
-кстати появилась куча недорогих новинок на es9018k2m и es9028к2м( упрощенные варианты)давно не заглядывал
 
Последнее редактирование:
@digilab2, к сожалению, кит это не променя :) корпус, питание, индикация, какая никакая и xlr... Сам я этого не сделаю... Надо смотреть в сторону готового решения... У вас ничего не планируется более бюджетнее, чем 202? Или это минимум, который возможен?
Кстати если добавить usb, то цена только выростает? Usb самый гемор из всех входов?

Вам спасибо!
 
У вас ничего не планируется более бюджетнее,
-бюджетное оно и будет с соответствующим звуком , я делал пару лет назад образцы на ak4490 и es9023
давал на прослушку- все сказали да это все неплохо но 202 лучше вот его и делай
@digilab2, к сожалению, кит это не променя
-транс прикрутили , разьемы там rca бытовые стоят , сам цап автомат нечего там особо индицировать , все это
в коробушку из картона или фанерки и всего делов
 
@digilab2, понял из этого всего, что надо просто прикупить DAC 202 как возможность появится (бытовые rca и мониторы в студии, вещи не совместимые по мне так) :)
 
Последнее редактирование:
@digilab2, понял из этого всего, что надо просто прикупить DAC 202
-по крайней мере с ремонтом проблем не будет в обозримое время ( ломался правда всего один раз еще dac200 но там молния
ударила-транс сгорел)
 
Вопрос по ssm-203.
Предполагаемая конфигурация: esi juli@ -> ssm-203 -> (усилитель->АС + наушники akg702). Т.е. к ssm-203 будут подключаться усилитель, в которому подключена АС, и наушники. Собственно вопрос по предусилителю для наушников. Насколько он качественный? Всё это дело используется для игры на midi-клавиатуре. Аудиофилом не являюсь, но не хотелось бы, чтобы присутствовали какие-нибудь посторонние звуки в виде хрипов, скрипов и пр. Спасибо!
 
-- Такое в принципе возможно только у неисправного усилителя. Любого.
Хм, т.е. у обладателя предыдущего коммента девайс не исправен? На что вообще обращать внимание при выборе предусилителя (для наушников), если рассматривать его отдельно? Что-то мне подсказывает, что разница между теми что стоят тысячи и теми что десятки тысяч, небольшая.
 
-- Если там
>посторонние звуки в виде хрипов, скрипов
то явно неисправен.

Если же Вы про
>слишком шумный
то это не является именно неисправностью.
 
Последнее редактирование:
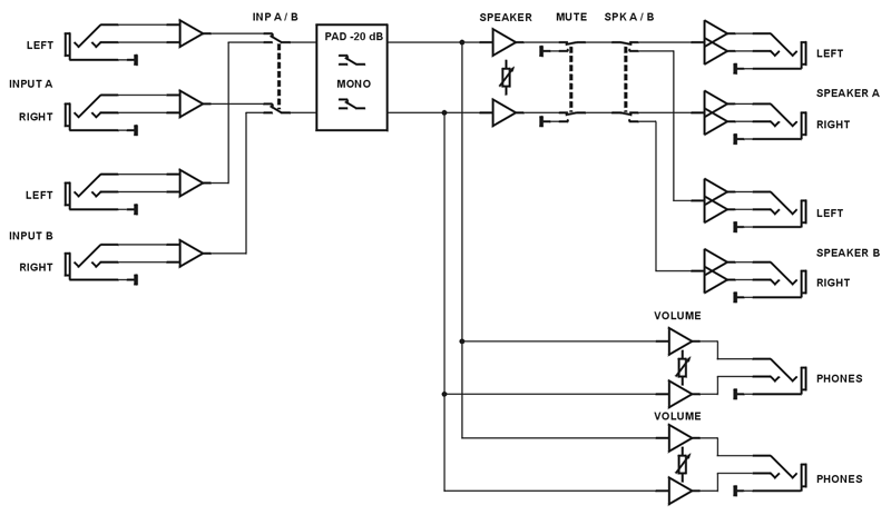
Очередной вопрос по ssm-203. Отключается ли в нём выход на мониторы, если подключены наушники?
Посмотрел схему на сайте. Видимо, для этого служит кнопка "mute".
 
Последнее редактирование:
@happyloneliness,
IMG_5850.GIF
p.s. продаю такой в идеальном состоянии, лежит на барахолке ;)
 
Вопрос! В ssm-203 есть некие джамперы влияющие на уровень входного сигнала. Так вот, если их выставить на ослабление сигнала, по субъектвным ощущениям динамики не хватает в независимости от громкости. Ну, или по крайней мере, она (динамика) не та, если подключаться непосредственно к выходу звуковой карты. Соответственно, если выставить джамперы в положение, когда они не модифицируют сигнал, всё вроде бы встаёт на свои места. Хотелось бы получить объяснение, что это за джамперы и на основании чего выбирается, какие контакты ими замыкать. Спасибо!
 
@happyloneliness, джамперы нужны для уменьшеня входного сигнала, там обычный делитель (резисторы) и мне кажется это субьективизм ;) на динамику они не должны оказываать никакого влияния. Если Вам комфортно регулировать громкость когда джамперы в "0", то так и оставляйте. А нужно это для согласования выходного/входного сигнала цап - усилитель.
 
Благодарю за ликбез. Страшное дело - субъективизм. ;) В общем, покамест оставил джамперы в "0" и включил -20 dB.
 
Более или менее. Если отжать, приходится громкость почти в минимум выкручивать.
 
Господа, вопрос по ssm-202. Раньше такого не замечал, возможно, что появилось недавно.
  • Первое и главное: при выкручивании громкости наушников более чем на 50% становятся слышны довольно неприятные помехи (свисты, хрипы).
  • Второе: при опредённом положении входных кабелей (балансные) на выходе (в наушниках, АС) появляются частые периодические щелчки очень и очень слышимые. Но стоит взяться за входной кабель рукой или поменять его положение -- щелчки пропадают. Подчеркну ещё раз, что подключение балансное, а кабели не более полутора метров.
Пробовал менять вход (A/B), выход на наушники/АС -- ни на что не влияет. Если подключить уши напрямую к звуковой карте -- мёртвая тишина на любой громкости. Конечно, карта без предусилителя, но всё же.

Оборудование:
  • аудио интерфейс: ESI Juli@
  • наушники: AKG 702
  • SSM-202
Спасибо за внимание!!!
 
Щелчки могут быть от работающего рядом wifi.
 
-это скорее всего крутилки приходят в негодность , у меня такое было в ssm203 , выход или заменить самому или отослать ребятам в ремонт
 
Последнее редактирование:
Подскажите про качество усилителя для нашуников. Есть карта zoom uac2 и уши akg k702 - будет ли толк такого апгрейда в виде более качественного звука в наушниках?
 
При выкручивании громкости наушников (на ssm-202) более чем на 40-45 % становятся весьма различимыми помехи. Может быть это у меня такой экземпляр -- не знаю. Если не требуется переключение входов/выходов, я бы не рекомендовал.
 
  • Like
Реакции: LilColt
Спасибо за отклик!) а что бы посоветовали из усилителей для наушников? уши неплохие, а в голове сидит мысля - может можно еще больше выжать)
 
При выкручивании громкости наушников (на ssm-202) более чем на 40-45 % становятся весьма различимыми помехи.
-я уже говорил что у вас просто крутилки развалились и возникает генерация скорее всего, тем паче если у вас прибор
старый там стоит оу хз какие и к.у неверные на современный лад, писульку нам напишите дадим рекоменд если не хотите нам
посылать
 

Сейчас просматривают