В Ensoniq SD-1 32 voice выходы балансные или небалансные?

  • Автор темы Автор темы Krz
  • Дата начала Дата начала

Krz

Member
3 Авг 2011
197
11
18
Всех приветствую! Купил этот синт, но нигде не могу найти информацию, какие именно там выходы, чтобы правильно спаять для него шнуры. Кто-нибудь случаем не в курсе?
 
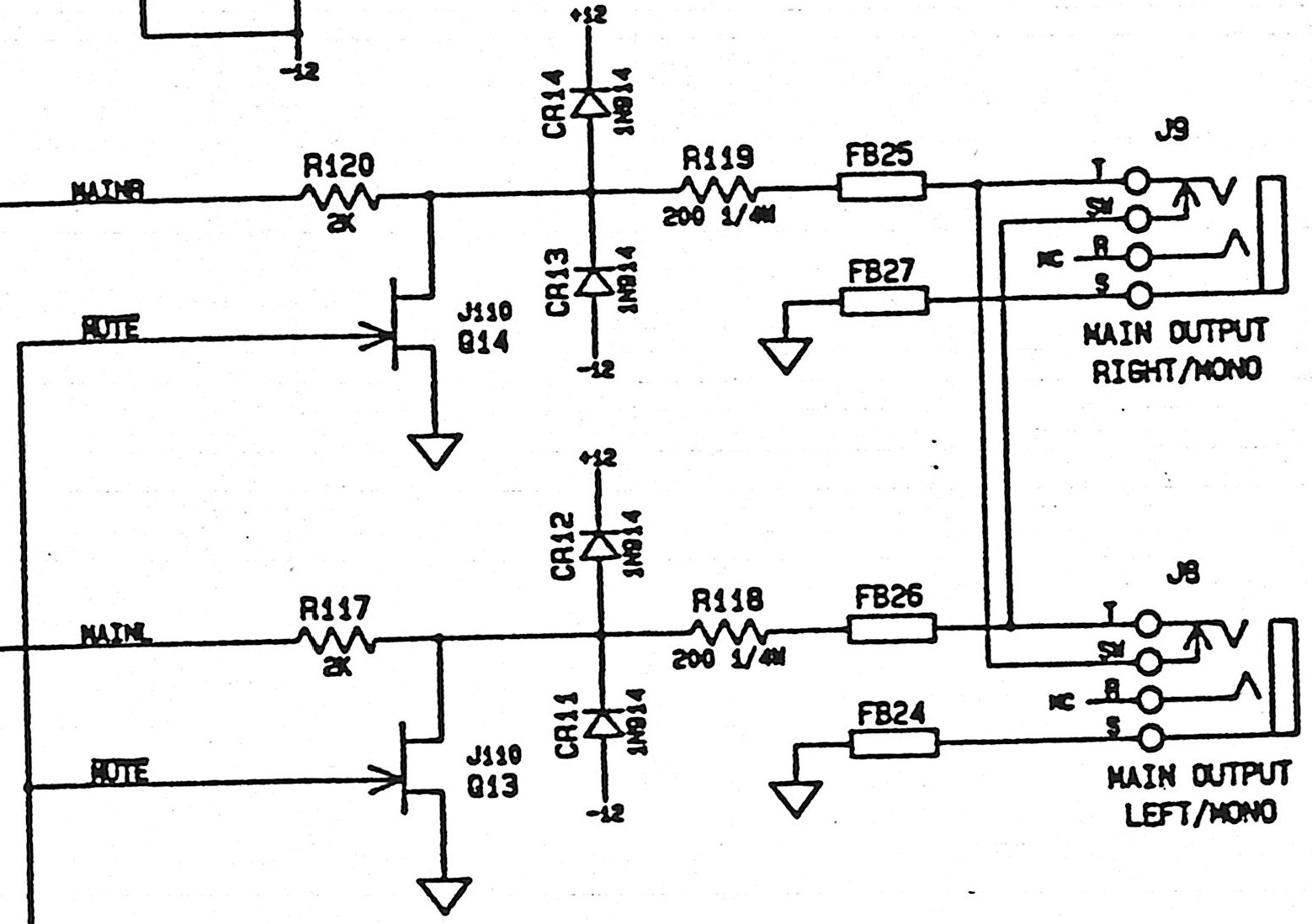
Как я должен хоть что-то понять из этих схем, если я не радиоэлектронщик?! Может кто-нибудь разбирающийся подскажет, вот скриншот той части схемы, в котором основные выходы:
209533
 
Также интересует насчёт выходов синта Yamaha SY99:
209539
 
Также интересует насчёт выходов синта Yamaha SY99:
Тоже ,не балансный -но!!! если так хочется,Попробуйте псевдобалансный выход. Комбинация 1K 10K, как на наконечнике, применяется к гильзе, подключенной к земле.
 
Тоже ,не балансный -но!!! если так хочется,Попробуйте псевдобалансный выход. Комбинация 1K 10K, как на наконечнике, применяется к гильзе, подключенной к земле.
Это как, вот так что-ли?:

209542


Если, да, так я все свои синты с небалансными выходами таким образом только и подключаю по советам digilab2. Но мне же сначала точно нужно узнать какие именно выходы в том или ином синте, прежде чем начать делать для него шнуры, ведь если выходы балансные, то уже нужен другой шнур со стереоджеками на обоих концах. Поэтому и спросил тут, какие выходы у SD-1 и SY99.
 
Последнее редактирование:
Но мне же сначала точно нужно узнать какие именно выходы в том или ином синте
Ну значит задачу делим на две части . Первым делом определяем , баланс или не баланс на выходе , а вторым , паяем нужный шнур . А чем собственно отличается баланс от не баланса ? Да тем , что у баланса относительно земли , двойной выход (гарячий и холодный) И тот и другой выдаёт сигнал ,с той лишь разницей , что холодный в противофазе . Следовательно делаем так . Берём стерео джек , и вставляем в выход источника сигнал. Маса к нему должна быть припаяна заранее , а другой конец шнура , запаян на моно джек и вставлен в усилитель . Теперь сделав усилитель потише , нажимаем на клавиши , и второй рукой перебрасываем сигнальный промод с одного контакта стерео джека на другой . Если сигнал есть на обеих , значит выход балансный .....Ну вроде так .:) Ну а потом паяем правильный шнур ----и всё .
 
  • Like
Реакции: Krz
Да, помню, я раньше вот таким Y-кабелем и определял балансный или небалансный выход, если звук в обоих колонках, значит балансный, если только в одном – небалансный:

clear_100000_1.jpg

Не поленился, только что проверил таким образом все свои синты, оказалось, что во всех из них (включая SD-1 и SY99) небалансные выходы кроме Kurzweil PC3K8, там балансные.
 
  • Like
Реакции: коб
@Krz, Пришлось вернутся снова . Подумал , какой-то вопрос "завис" в голове . Что-то ещё не досказано . И вспомнил ---- псевдобаланс .... Думаю на современных клавишных ,его должны часто использовать , по ряду причин . Просто , экономно , и в тоже время лучше чем небаланс . А значит возникает задача №3 . Как определить псевдобаланс в небалансных выходах ? Думаю следующим образом : При выключенных клавишных , вставить стерео джек в выходное гнездо , взять тестер и проверить наличие импеданса между земляным контактом джека и холодным контактом . Если там присутствует хоть какое-то сопротивление , обычно от 40 ом и более , то это ---псевдобаланс . ну а если 0 ом , то небаланс . Ну вот теперь вроде всё .......:) А о чём весь этот сыр-бор . Да о том , что в случае с псевдобалансом шнуры нужно паять балансные . Теперь точно (как в известном анекдоте) пи..... ----всё :D .
209636
 
  • Like
Реакции: Krz
@коб, благодарю, проверил все свои синты (кроме PC3K8, ибо там выходы балансные) вышеописанным методом, мультиметр поставил на минимальное значение 200, во всех синтах мультиметр молчал, на индикаторе его изначальное показание в виде "1 . " не менялось. Но при измерении одного синта, а именно "Nord Lead A1", мультиметр, о чудо, ожил и показал значение "06.0" (это сколько, 6 ом или 60?)! Это что же теперь значит, что там псевдобаланс?! Я нахожусь в замешательстве, т.к. в двух своих синтах, которые уже современные, я был уверен точно на 100%, какие там выхода, ибо в их мануалах черным по белому написано в разделе спецификаций "1/4“ TS-UNBALANCED" (вопрос касался только старых синтов, т.к. в их мануалах никогда ни слова об этом не пишется). В итоге путем проверки выяснилось, что в "Moog Minitaur" это действительно оказалось правдой и мультиметр не реагировал, но вот что касаемо "Nord Lead A1", в его мануале тогда по факту получается обман?! И мне значит шнуры для него теперь надо менять, переделывать? Какие же там нужны шнуры, какая распайка, отрывать ли экран, если да, то с какой стороны, должна ли быть где-то перемычка?
 
  • Like
Реакции: коб
Да нет, отрывать земляной провод не нужно , он там тоже сигнальный . А распаять 3-на-3 .
 
  • Like
Реакции: Krz

Сейчас просматривают