V-USB доработка интерфейса (1 онлайн

sunjob

New Member
28 Сен 2019
5
0
1
добрый день

проект v-usb

выкус из спецификации/инета/форумов:
- реализация не полностью соответствует стандарту
- работа на 100% не гарантируется
- питание по USB / с компа может провалиться до 4-4.5В (а F_CPU идет в "притирочку" ...) :)

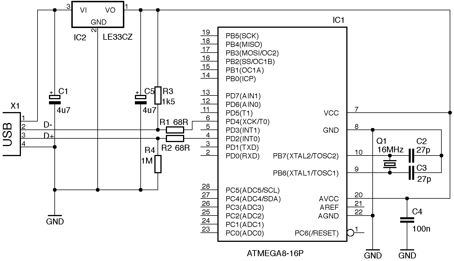
у всех рекомендованных схем подключения (3 шт) имеются те или иные очевидные минусы.

2g6l5osisx.png

2g6l5o7m5h.png

2g6l5ngk3q.png

как следствие стабильно может работать только при "определенных условиях"

в планах поработать с библиотекой.
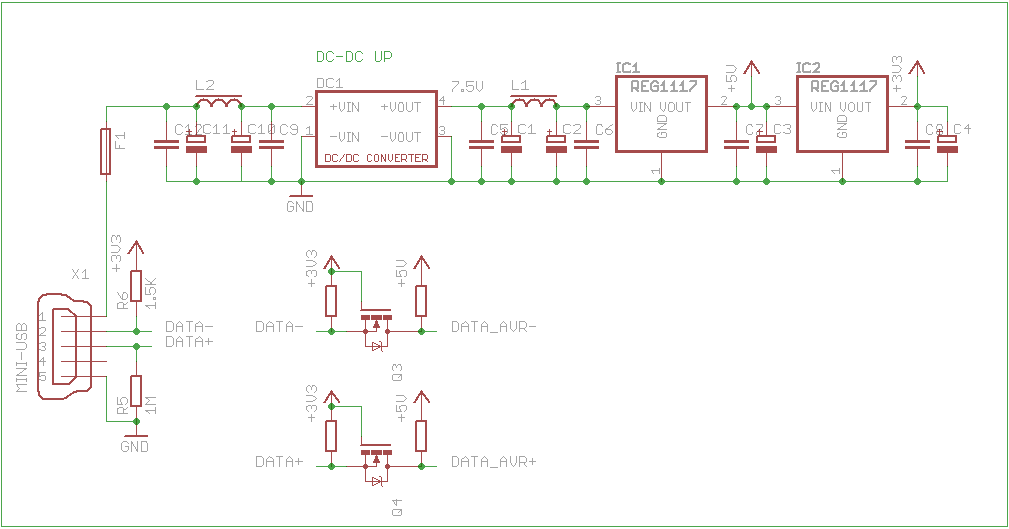
для начало решил "набросать" альтернативный вариант. (так сказать, попытаться закрыть все возможные дыры в подключении)
2g6l5pm64d.png

достаем помидоры, баркова, мысли, высказываемся (заранее благодарен)

tag: v-usb, usb, avr, avr-gcc, atmega328p, linux/mac-osx

NO atmega32u4, NO arduino pro micro etc...
 

Вложения

  • with-series-diodes.png
    with-series-diodes.png
    12 KB · Просмотры: 215
  • with-vreg.png
    with-vreg.png
    12,8 KB · Просмотры: 217
  • with-zener.png
    with-zener.png
    12,1 KB · Просмотры: 228
  • v_usb.png
    v_usb.png
    10,9 KB · Просмотры: 226
> для начало решил "набросать" альтернативный вариант
предлагаю всмотреться и покритиковать... :о)
 
альтернативный вариант чего ?))
никто так и не понял что это у вас , кроме того что это что то связанное с USB )
 
Насколько я понял прямой потдтык USB к микроконтроллеру, исключая промежуточную обвязку, совместимый с USB 1.0
Фигня без применения на сегодняшний день, учитывая стоимость нормального решения.
 
Насколько я понял прямой потдтык USB к микроконтроллеру, исключая промежуточную обвязку, совместимый с USB 1.0
@sunjob, ты мне не поможешь видик к современному телику подключить? Тюльпаны - хдми не работают. Вариант "антенну в видик, видиковую антенну в телик" не проходит - половина каналов (цифровых) отключается.
Остановился на варианте втыкания видика по мере надобности через антенну. Но отец не очень доволен.
 
А чего они смотрят?
В том то и дело, что видик включался за последние 15 лет один раз. Когда я его к телику подключал.
Это такое кредо у отца - есть, значит должно работать.
Я это уважаю, но пи"дец как з""""вает )
 
В том то и дело, что видик включался за последние 15 лет один раз. Когда я его к телику подключал.
Это такое кредо у отца - есть, значит должно работать.
Я это уважаю, но пи"дец как з""""вает )
Ну раз в 15 лет можно и по антенному входу)
 
@S.Panin,
> Остановился на варианте втыкания
в голову воткни ... отвертку... обоим и себе и ему ... для связи ... ну а далее все по инструкции ...
 

Сейчас просматривают