Yamaha TX802

  • Автор темы Автор темы Arlekin
  • Дата начала Дата начала
Кстати, после выключения питания, в PERF.EDIT1>Receive channel (<-Altr asgn) опять 15 канал.
Мне кажется, что батарейка не работает. А это, в свою очередь, наводит на мысль, что держатель батарейки хрен припаян нормально или отвалился.
Не?


Я - долбойоп!!! :Dle80:
После выбора omni, надо ж было кнопку Enter нажать! Только теперь omni сохранилось.
Но, при попытке отправить на модуль midi дорожку, ошибка та же: Trap error!

Ы-ы-ы-ы-ы... у мну трек сейчас весь на дэиксовом родесе завязан. Ы-ы-ы-ы-ы... па-ама-ахи-итя-а-а-а!
 
Подскажите, плиз, что делать дальше?
Нужно открутить у TX802 нижнюю крышку и осмотреть плату снизу. Нет ли плохих паек деталей? Особенно там, где батарейка. Если нет питания, то может не загружатся "операционка" при RESET и перформансы не "грузятся" в RAM.
У меня в TX802 до сих пор стоит "родная" батарейка.
 

Вложения

  • TX802 - 01.JPG
    TX802 - 01.JPG
    1,5 MB · Просмотры: 289
  • TX802 - 02.JPG
    TX802 - 02.JPG
    1,5 MB · Просмотры: 285
  • tx802factory.zip
    tx802factory.zip
    4,4 KB · Просмотры: 196
  • Like
Реакции: ART, -Julian- и Arlekin
Обратил внимание на то, что дисплей синий, а значит предыдущий владелец TX802 ковырялся в приборе, меняя дисплей. Снималась передняя панель, подключался новый дисплей, выдергивались разъёмы. Нужно внимательно осмотреть весь прибор.
 

Вложения

  • IMG_20200217_115000.jpg
    IMG_20200217_115000.jpg
    2,6 MB · Просмотры: 266
  • TX802 - выбор MIDI канала.JPG
    TX802 - выбор MIDI канала.JPG
    890,6 KB · Просмотры: 258
  • Like
Реакции: -Julian- и Arlekin
New BLUE Replacement LCD for Yamaha TX802 Rack Synth
".... Для предотвращения закорачивания контактов на металлическом корпусе предусмотрен кусок изоленты. Убедитесь, что изолента покрывает 4 верхних контакта на задней панели ЖК-дисплея, где на ЖК-дисплее расположен разъем ленточного кабеля"
 
  • Like
Реакции: -Julian- и Arlekin
А чо, операционку софтом не прошить?

Yamaha TX802 V1.5 OS EPROM

Yamaha TX802 Final revision update upgrade v1.5 Latest OS Firmware Eprom Tx.802
 

Вложения

  • Eprom Tx802 v1.5.jpg
    Eprom Tx802 v1.5.jpg
    89,5 KB · Просмотры: 218
  • Like
Реакции: Arlekin
При тесте кнопок, вылезла ошибка на кнопке 4. Выключил и запустил ресет заново.
Следующая ошибка вылезла на кнопке UTILITY. Выключил и запустил ресет заново.
Было ещё пару ошибок, после каждого запускал ресет заново.

Всё сделал. Был (не знаю, почему) 15 канал.
Нажимаю клавиши на ОВ-6 - светодиод не мигает, звука нет и перформанчы (понятное дело) в кракозябрах (их там тупо нет).

Запустил midi файл на дорожку. После нажатия play, на модуле вот это: ... ("Trap error! int01 <кракозябры")
При этом модуль на кнопки не реагирует, пришлось питанием перезапустить.
После выбора omni, надо ж было кнопку Enter нажать! Только теперь omni сохранилось.
Но, при попытке отправить на модуль midi дорожку, ошибка та же: Trap error!
1) то что тест кнопок выдавал ошибки - указывает на плохой/грязный контакт
это (плохо нажатые кнопки) возможно не дает правильно сделать ресет - надо бы их почистить (Контактом или хотя бы спиртом)

2) наличие крякозябр после смены батарейки и ресета - неясно почему крякозябры не исчезли... возможно(?) из-за того что ресет не был доведен до конца (из-за плохого нажатия кнопок?)... или еще может память/операционка была corrupted

3) сообщение "Trap error!" - это нехорошо, в интернете пишут что в сервисе-мануале TX216/TX816 про ошибки "ROM/RAM Hardware Error" и "Trap Error" сказано: "caused by a fault in the internal circuitry the TF1", т.е. ошибка эл.схемы модуля TF1 (это сборка DX7 на отдельной плате вставляемой в рэк TX816). Т.е. для TX802 это по-видимому тоже свидетельствует об "ошибке эл.схемы":
См.также:

4) еще возможно, что сбоит EPROM или была затерта часть операционки... и/или где-то возник плохой контакт (после замены дисплея на ярко-синий предыдущим хозяином?)

Сервис-мануал: [1] (со схемами), [2] (без схем)
 
Последнее редактирование:
  • Like
Реакции: Arlekin и pinhole
@cakeys, чот совсем уже страшно. Бо у меня по месту мастера нет, а тут никто никого не подсказывает.
 
Дык все мастера наверное не так близко. ) Но правильно подсказали, раз синий дисплей, значит этот экземпляр разбирали и возможно не совсем правильно собрали. Для этого не обязательно даже специалистом быть и разбираться в электронике, чтобы не обнаружить грубые следы человеческого вмешательства.


Просто снимите крышку и платы посмотрите. Может что-то заметит

В вашем городе должны же быть люди знакомые с электронной техникой и ремонтом.
 

Вложения

  • 20200512_095807.jpg
    20200512_095807.jpg
    2,7 MB · Просмотры: 251
Последнее редактирование:
  • Like
Реакции: Arlekin
Продавец сообщил мне об этом при продаже.

снимите крышку и платы посмотрите
Снять могу. Посмотреть могу. Делать выводы - боюсь боюсь боюсь.

В вашем городе должны же быть люди
Люди есть. Но знакомй местный музыкант, в своё время, отправлял свой TS-10 в столицу, чтобы... поменять батарейку.

Михаи-и-ил! Карау-у-ул!!! Мож как-то договоримся?
 
Снять могу. Посмотреть могу. Делать выводы - боюсь боюсь боюсь.

Повынимать все разъемы и повставлять обратно, микруху с операционкой тоже вынуть из панельки и вставить обратно, кнопки почистить. Это можно самому сделать.
 
  • Like
Реакции: Arlekin и pinhole
@dugdum®, хм. Сделаю.
Но, так как нияху в электронике не понимаю, всё это видится "колесо попинал, лобовуху протёр".
Хотя-а-а... в компе то, иной раз, так же случается.
 
  • Like
Реакции: dugdum®
@cakeys, чот совсем уже страшно
Там по ссылкам выше пишут что ошибка "Trap error" не всегда появлялась - и зависела от типа(?) MIDI-комманд (ошибка была при смене программы/канала), что довольно странно:

"Whenever I want to change programs or the midi channel or the track in my cubase version, the tx802 reacts with a trap error.
Changing programs directly from a keyboard (with no computer connected) to the TX802 makes the error come, too. It's curious, but if I play the TX802 with a Yamaha keyboard (AN1x), everything works fine." [...]

Т.е. явно есть какая-то связь ошибки "Trap error" с приемом MIDI - но непонятно, почему она так намертво подвешивает модуль TX802 что требуется его выключение :rolleyes:

PS: Можно еще попробовать поставить новый чип EPROM с последней прошивкой OS 1.5 - для проверки версии о запорченной операционке. Хотя, если судить по тем же ссылкам, дело может быть в чем-то другом - т.е. непонятно причем тут MIDI...

PPS: Еще надо бы проверить блок питания - возможно, барахлит питание +5V цифровой части...
 
  • Like
Реакции: Arlekin
Можно еще попробовать поставить новый чип EPROM с последней прошивкой OS 1.5
классный совет, а где её @Arlekin возьмёт? ))

возможно, барахлит питание +5V цифровой части...

Вот если проверка всех контактов не даст результат, то скорее всего да, питальник, кондёры какие-нибудь высохли. Остальное менее вероятно.
 
  • Like
Реакции: Arlekin
Вот что еще по другой ссылке выше пишут (но у него были и доп.проблемы - пониженная громкость и шум):

"Problems are:
- Preset names are not shown as "MalletHorn" or "ClaviBass", but look like hieroglyphs, that is to say on the display:
PERFORMANCE INT 64 <<IIs <- []> &% -˜˜˜ \ fi £ # £ ^ ¯˜ # ^ fi $%

- partially occurring error when connecting to Doepfer LMK2 + (= trap error) (can only be remedied by switching off + pulling off midi + switching on again). Has not occurred for 2 hours and new firmware.

- With all presets only sine tones with a very low level (can be corrected by increasing the velocity and the out-volume, but no comparison to the demos of the synth in the network). Pre-amplification by pre-amp brings the desired loudness, but also a massive background noise over all frequencies.

Next, what I've already done:
- Self test (Power On + 8 + 9) the TX passes without any problems.
- Battery has been changed.
- Firmware IC was changed from V. 1.2 to V. 1.5 (the newest)
- User Bank reset, as well as loading user presets with Sysex Librarian
- Once the "Midi Self Test" briefly showed an error, but disappeared after repeated tests.
- The 8 audio outs Mix Outs and Phones are running in the test, albeit at different volumes."
[...]

Т.е. вроде как обновление операционки помогло(?) убрать ошибку с MIDI

PS: Я все же грешу на блок питания - надо бы его проверить (с осциллографом, чтоб увидеть пульсации напряжения если они есть, особенно на шине +5V).
 
  • Like
Реакции: Arlekin
Вот еще хороший пример когда проблемы с питанием +5V приводили к появлению кракозябр.
Проблема была даже не в самой шине питания 5V, а в модуле генерации импульса ресета памяти в состояние "read-only" (чтоб не запортить ее содержимое) в момент вкл/выкл питания.
Проблема была с DX7, но в TX802 тоже есть аналогичные цепи ресета памяти, с одним отличием - вместо транзисторной сборки (Tr1,Tr2 на выходе из PSU шины 5V в схеме DX7) там стоит чип IC61 (PST518), который и генерирует сигнал ресета при падении напряжения +5V (в момент выключения).

> I'm having trouble with RAM corruption on my DX7. The RAM test passes fine when the DX7 is powered up. If I leave it on, the RAM seems to works fine. The CR2032 battery voltage is good. The PSU voltages also appear good.
The corruption only seems to happen when the DX7 is powered down. The symptom is corrupted names for patches and corrupted patches themselves (strange sounds!). I have tried swapping all three RAMs with new ones and the problem remains.

Bruce Wahler> I suspect that your battery backup circuit works, but not 100% of the time, or the voltage getting to the static RAMs is less than optimal. Here are some things to try:
- To confirm the battery, are you measuring the battery itself? If so, try measuring [the voltage on] the static RAM ICs themselves. If you see less than about 2.5V, then the battery might not be making proper contact.
- There is probably a blocking diode [диод D2 на схеме TX802] in the path between the battery and the ICs, to prevent the 5V power during operation from trying to charge the battery. At the small currents involved here, the diode shouldn't drop the voltage more than maybe 0.2-0.3V. If it does, then either the diode is bad, or something is drawing a lot of current (which would use up the battery quickly).

Richard Brinkerhoff> The DX7 has a power-down / Initial clear circuit which is designed to force the memory into a read-only state as power is going down and coming up. It sounds like this is what is failing.

1) The circuitry starts with Tr1, Tr2 on the power supply board [в схеме DX7; на TX802 вместо транзисторов стоит чип IC61]. If you have an oscilloscope, check what the PD (power down) point is doing. It should go to near 0 volts during power down, before the +5 supply drops below 4.5 volts. On power up it should start at near 0 volts and rise after the +5 bus reaches at least 4.5 volts.

2) The next part of the circuitry is the Initial Clear circuit, which generates the reset and write protect signals. On the schematic, the transistors involved are labeled Tr2 and Tr4, but I can't tell which board they are on. It transforms the power-down signal into crisp reset signals. The signal labeled /IC should jump to 0 volts before the +5V buss drops below 4.5V on power down, and should remain at 0 volts until after the +5v buss reaches at least 4.5V.

3) The final part of the circuitry is the memory protect circuit. On the schematic it is located next to the backup battery and consists of transistors labeled Tr1, Tr3 [в схеме DX7; на TX802 это транзисторы Q1, Q2]. The collector of Tr3 will be near 0 volts when the DX7 is operating and should rise to between 3 and 5 volts before the +5 buss drops below 4.5 volts on power off and lower only after the +5 buss reaches at least 4.5 volts on power up. The schematic shows this connected to the /CE2 pins of the memory, forcing the memory into standby (not writable) mode during power off and power on.

Проверка модуля (Tr1,Tr2) показала что был пробит стабилитрон ZD1 (на TX802 в IC61 стабилитрон тоже есть - но внутри чипа PST518):
> Thanks again Richard - it transpired it was the Zener diode [ZD1 на схеме DX7] in the PD circuit that had failed. It measured as a short circuit in both directions! This was keeping Tr1 on all the time so the RAM CE pin was always low. I managed to source an equivalent from Maplin this morning and that seems to have fixed the RAM corruption for the time being. Hooray!

[ссылка]

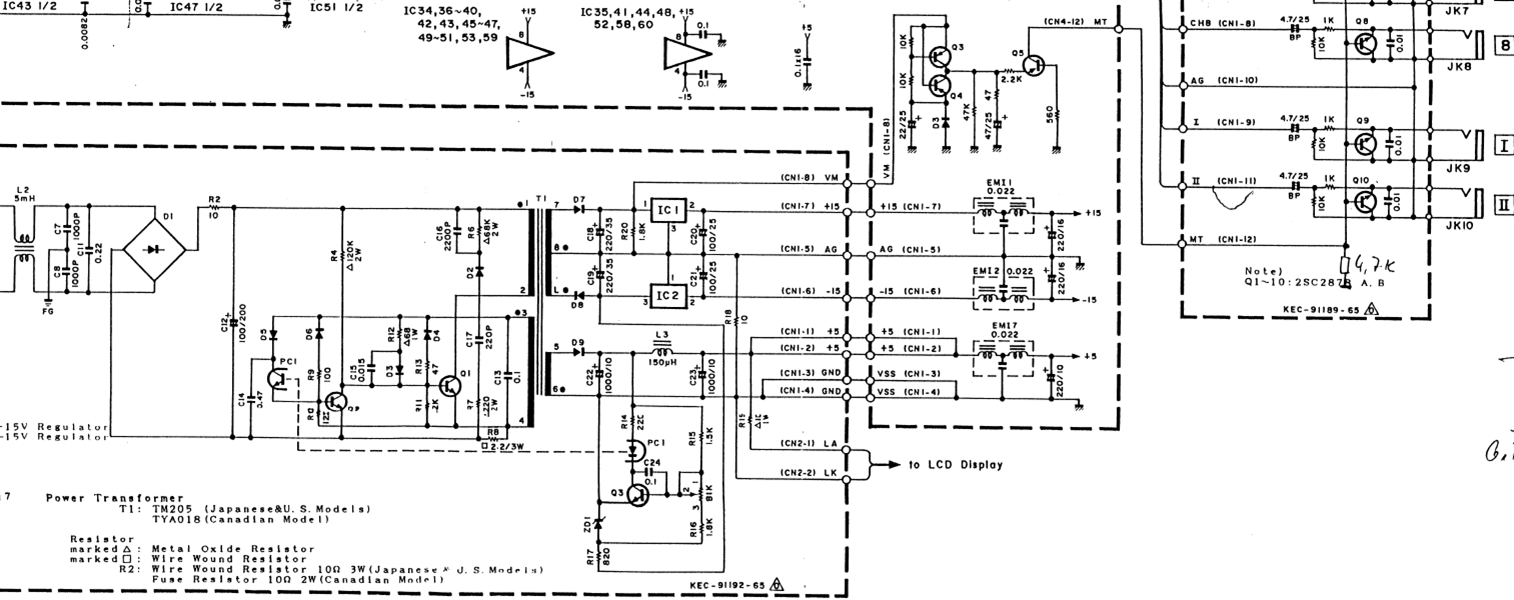
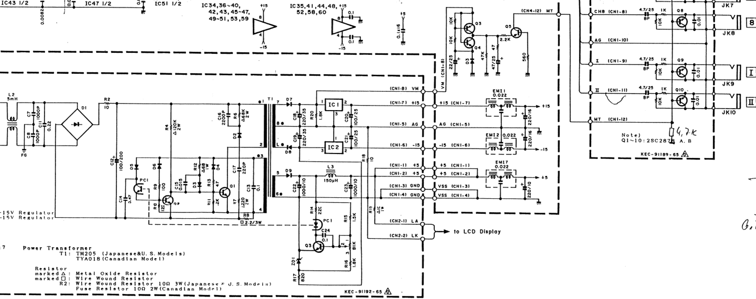
В аттачменте: 1) кусок схемы с блоком ресета памяти (IC61 и Q1,Q2) и backup-батарейки (с диодом D2), 2) схема блока питания, где шина +5V питается от импульсного (switching-mode) блока (про который на форумах писали что он ненадежный)
 

Вложения

  • Yamaha_TX802_RAM_reset_sch.png
    Yamaha_TX802_RAM_reset_sch.png
    681,4 KB · Просмотры: 229
  • Yamaha_TX802_PSU_sch.png
    Yamaha_TX802_PSU_sch.png
    271,4 KB · Просмотры: 232
Последнее редактирование:
  • Like
Реакции: Arlekin
кстати, насчет ошибки "Trap error" при подключении MIDI - не может ли это происходить из-за того, что включается optocoupler на входе MIDI и подсаживает барахлящую шину питания +5V, в результате чего срабатывает триггер на чипе IC61 "power-down reset" (если напряжение падает <4.5V), и подвешивает память и процессор?
 
  • Like
Реакции: Arlekin
А вот эти сказали, что сделают:
 
  • Like
Реакции: Ilya Prokhorov
Отправил. Как получат и будет продвижение, буду тут "освещать" тему. Авось, кому пригодится.
 
Они сделали!
Она приехала, она приехала, она приехала-а-а!
Всё работает.
Короче...
1. Всё проверили. Косяк был из за плохо припаянного гнезда батарейки (как участники темы говорили о самой максимально возможной и вредной проблеме - так и оказалось).
2. Ёмкости, кнопки, дисплей - всё в порядке даже 30 лет спустя.
3. И теперь у меня версия прошивки 1,5.
Блок питания не переделали на 220 по причине наличие отсутствия нужного трансформатора (ну и хрен с ним).
IMG_20200923_200432.jpg IMG_20200923_210340.jpg
 
  • Like
Реакции: Ilya Prokhorov
Недавно приехал ко мне такой аппарат, Из симтомов тоже у преформенсов нет нормальных имен, миди не работает ,тест проходит. Думал дело в батарейке поставил новую- таже ерунда.В итоге прочитал на одном из форумов что можно попробовать прошить перфорансы через комп .... Чудо произошло! , сейчас всё в порядке только шум конечно есть небольшой. А случайно контраст на экране можно как регулировать?
 

Сейчас просматривают