Компрессор vari mu. Обсудим схемы.

Как там регулирующий элемент устроен, который непосредственно усиление сигнала рулит?

В целом - как обычно, уже эдак лет 80 схемотехника не меняется в идеологии - сигнал подается на первую сетку лампы с "длинной" характеристикой, у которой большой возможный диапазон отрицательного напряжения на сетке без запирания, но с сильным изменением усиления в этом диапазоне. Собственно говоря, чем больше отрицательное смещение лампы - тем ниже коэффициент усиления. Пришло это все, правда, из радиоприемных устройств, а там в основном пентоды применялись.

Остальное все - это, по-большому счету, просто улучшения поверх основной идеи. Понятное дело, что одна лампа будет продуцировать изрядное количество гармоник, потому в аудио-компрессорах делают симметричный каскад. Обычно в анодах такого каскада стоит трансформатор, чтобы проще было убрать прохождение постоянной составляющей дальше. На входе тоже часто ставят трансформатор - убрать токи изменения сигнала управления в источник сигнала.

Схем же как бы валом в интернетах. Если хотите - можем какую-нибудь подробно разобрать с точки зрения функционирования.
 
  • Like
Реакции: fewa-w, sunet и Vladimir74
Я догадывался, что принцип в перемещении рабочей точки по разным участкам характеристики (с разным наклоном) даёт разное усиление. Просто в приемниках сигнал очень маленький по амплитуде и нелинейность характеристики на него не так пагубно влияет. А при больших уровнях сигнала коэффициент гармоник будет огого. Если можно дайте схемка типичную глянуть, если что не пойму обсудим. Заранее спасибо.
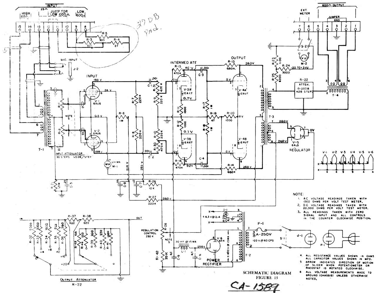
[DOUBLEPOST=1555134926][/DOUBLEPOST]Как я понял, схема должна напоминать оконечный каскад двухтактного лампового усилителя мощности в режиме АВ с трансформаторным фазоинвертором на входе и трансформаторным выходом. Сигнал с детектора регулирует смещение на лампах и их коэффициент усиления.
 
http://www.proharmonic.com/images/schema/Fairchild670.JPG Вот нашёл подтверждение своей версии. Огибающая с детектора подаётся в точку соединения обмоток входного трансформатора и изменяет напряжение смещения на сетках. Лампы параллельно по две в плече работают. Детектор на триодах в правой части схемы сделан и нагружен на мостовой выпрямитель который и выделяет огибающую. Сигнал на детектор поступает после регулирующего каскада, значит компрессор обратного регулирования.
 
При реализации регулирующего каскада в режиме А по однотактной схеме верхняя и нижняя полуволна сигнала попадают на участки ВАХ с разной крутизной и гармоник больше, при двухтактном каскаде все должно быть более симметрично.
 
ламповый компрессор смотреть дифакторий, ник vari mu. Делал хорошо работает. после кому то подарил, типа себе еще сделаю...не сделал.
vari mu оптрон и светодиод простой красный, их в в термоусадочный кембрик черный.
OPTO1-1.jpg

[DOUBLEPOST=1555143684][/DOUBLEPOST]фоторезистор ФПФ7А
 
  • Like
Реакции: Vladimir74
http://www.proharmonic.com/images/schema/Fairchild670.JPG Вот нашёл подтверждение своей версии.
Дааа, такой компрессор полезно использовать зимой в холодной студии...
А тема интересная. Хорошо бы использоваться современную элементную базу и только в важных принципиально каскадах использовать лампы. С другой стороны... 1. Диапазон регулировки в такой схеме максимум около 20дБ и работает ли она на самом лучше или это просто со стороны совремнных производителей способ хорошо заработать на ностальгии? 2. Где такой компрессор сегодня применять? На сцене явно нет, а в студии только если в комплекте с сумматором?
[DOUBLEPOST=1555143983][/DOUBLEPOST]
Делал хорошо работает.
Так это оптокомпрессор... лампа тут совсем необязательна...
 
  • Like
Реакции: Vladimir74
prela2.jpg

вот улучшенный вариант. плату сам разрабатывал, но лайоут у ника по моему а1 лучше.
[DOUBLEPOST=1555144093][/DOUBLEPOST]@sunet, Согласен лампа просто первая схема что у меня висит...))) у меня еще был вариант на микросхеме, очень простой. Но идея такая же.
 
  • Like
Реакции: Vladimir74
Недастаток этой схемы это два последовательных светодиода. Это уменьшает в половину и так небольшой диапазон регулировки, ибо падение на светодиодах получается примерно 3,6 В (красных), а ОУ выдает максимум 14 В на выходе.
 
  • Like
Реакции: Vladimir74
тема ведь о
vari mu
Да, управление сеткой лампы и оптоэлементом- разные темы.
У меня где-то лежит схема вари-мю с польского ресурса, но без описания. Если надо, то скину сюда.
 
  • Like
Реакции: Vladimir74
Оптокомпрессор я делал на одном мощном двойном операционнике и самодельной оптопаре. Но опто схем полно, а вари-мю не очень... Только анализируя этот самый древний компрессор, придуманный немцами еще в 30-е годы, думаю что все-таки смыcла он особого сегодня не имеет...кроме как лапши за большие деньги конечно... ну, и еще есть эффект плацебо.
 
Последнее редактирование:
  • Like
Реакции: Vladimir74 и кактус
Как я понял, схема должна напоминать оконечный каскад двухтактного лампового усилителя мощности в режиме АВ с трансформаторным фазоинвертором на входе и трансформаторным выходом. Сигнал с детектора регулирует смещение на лампах и их коэффициент усиления.

Да. Но только там не AB, а именно в классе А все работает, оба плеча всегда открыты. Более того, там дифференциальный каскад - катоды подключены к земле через резистор (хотя лучше бы через генератор тока).

А тема интересная. Хорошо бы использоваться современную элементную базу и только в важных принципиально каскадах использовать лампы.

Я как-то думал над такой схемой. Что-то там вырисовывалось такое, но ход до проверки в железе не дошел. Если найду - выложу.
 
  • Like
Реакции: Vladimir74
В общем было как-то так:

mucomp.jpg


Disclaimer: это не готовая схема, а только лишь идея.

В общем преследовалось тут несколько целей:

а) избавиться от трансформаторов
б) упростить управление

Собственно говоря, первый каскад на U1/U4 - это и есть регулирующий элемент. Крутизна характеристики задается током через лампы, а она определяется генератором тока на токовом зеркале M1/M3 (если выбросить цепи детектора и соединить затвор M3 со стоком/затвором M1 - то это и будет обычное токовое зеркало). R6 задает начальный ток ламп первого каскада, т.е. начальное усиление. Напряжение на сетках входного каскада не меняется, а следовательно нет необходимости развязывать вход трансформатором. Если что: заземленная сетка триода U4 - это на самом деле цепь "-" симметричного входа (сетка триода U1 - цепь "+").

Второй каскад - это просто дифференциальный усилитель с коэффициентом передачи порядка 2 (что не очень принципиально). С точки соединения катодных резисторов берется сигнал поддержания постоянного напряжения на анодах первого каскада через M2 (цепь, подписанная как DV). Независимо от уровня сигнала в этой точке поддерживается постоянное напряжение, равное примерно Uпитания-Uп*(R20+R4)/R4, где Uп - пороговое напряжение транзистора M2.

Соответственно, ток ламп U2/U3 определяется только сопротивлением R5, а значит, что на анодах синфазный сигнал по переменной составляющей равен 0 (ну если не учитывать разброс характеристик).

С детектором особой сложности нет - собственно говоря, это мостик, R10/R11 определяют постоянную времени атаки (совместно с С6), R14/R15 - постоянную времени релиза.

Детектор специально сделан симметричным, чтобы меньше вносить погрешностей в выходной сигнал.

Т.к. в точках OUT_A и OUT_B синфазный сигнал равен нулю (среднее напряжение на анодах постоянно), то для отвязки детектора по постоянной составляющей достаточно просто конденсаторов C5/C8.

Обратите внимание, что через транзисторы полезный сигнал не проходит, только управление. Так что кому именно тру-лампа - так это именно тру-лампа.

Вот как-то так оно работает на гитарном сигнале.
mucomp_work.jpg

К сожалению, остались только скриншоты, самой папки с проектом не видать, а так можно бы было пропустить через схемный эмулятор .wav-файл и послушать результат. Если уж сильно интересует, то можете погонять это дело сами в любом подходящем spice-симуляторе. У меня, к сожалению, времени на это особо нет сейчас.
 
Последнее редактирование:
Польский последним.

Вот я бы не делал так - несимметричная схема, много лишних гармоник, пролаз сигнала управления в выходной сигнал. Для гитары в принципе норм, а для остального - уж слишком окрас большой будет.
 
Вот я бы не делал так - несимметричная схема, много лишних гармоник, пролаз сигнала управления в выходной сигнал.
@Rst7, эта хема у меня в архиве уже больше десятка лет, наверное. Даже не помню, что там на первоисточнике про неё написано было- ссылка больше не попадалась.
 
Недастаток этой схемы это два последовательных светодиода. Это уменьшает в половину и так небольшой диапазон регулировки, ибо падение на светодиодах получается примерно 3,6 В (красных), а ОУ выдает максимум 14 В на выходе.
Абсолютно неверно. Почему это "в половину"? Яркость светодиода (СД) пропорциональна току. Посчитайте ток с одним /с двумя СД. Или посчитайте отношение (14-1,8)В/(14-3,6)В. Вот, во столько будет отличаться ток (яркость). И то, это будет актуально для R_ratio=0. А так, просто подкрутите движок пота на эти 17% или сколько там выходит. Кстати, при R_ratio=0 ток будет, скорее всего, вообще ограничиваться ОУ, т.к. динамическое R диода небольшое. Поэтому, без разницы.
А если действительно всплыла такая проблема (нехватка Gain Reduction), то лучше применить самодельную оптопару с ультраярким СД.
 
  • Like
Реакции: Absolem
-- Не понимаю, в чём суть траблов. Любой обычный копеечный ОУ работает на 600 Ом.
При выходном напряжении в 10 вольт - это примерно 16 мА. Любому обычному светодиоду
этого вполне достаточно. (Про сверхъяркие уже и говорить нечего.)
У копеечного фоторезистора СФ3-1 кратность больше 1000, т.е. диапазон регулирования
больше 60 дб получается абсолютно без проблем.
 

Ну только возьмите Кореновские модели ламп, они поадекватнее себя ведут в диапазоне малых токов анода.

"Набирать" такие вещи имхо лучше одновременно с прототипной сборкой (макетка/навес).

21й век на дворе. Принципиальную работоспособность проще проверять именно в симуляторе.
 
Это какие такие? вроде у меня такий под свитчкад нету

http://ltwiki.org/files/LTspiceIV/lib/sub/Tubes_Koren.lib

Собственно говоря, модели эти можно в любой spice-симулятор вставлять.


В точку соединения резисторов R18, R19, R5.
 

Сейчас просматривают