Digilab SPM-100. Вопрос по сопротивлениям входов.

Воеводин

field recordist
16 Дек 2012
726
310
63
Сочи
Доброго времени суток, господа!
Помогите понять в чём разница между линейным и инструментальным входом данного преампа кроме как в сопротивлении.
При подключении нагрузки в 50 Ом к линейному входу сигнал слаб и очень зашумлён. Инструментальный - значительно возрастает сигнал и шум пропадает вообще.
Линейный вход тут 20 кОМ, инструментальный 1 МОм. Я списал бы проблему только на Омы, если бы не одно но - датчик с блоком питания который я подключаю отлично работает с линейным входом рекордера Tascam, который имеет 22 кОм, что меня и запутало. Пробовал входы других рекордеров с другим и весьма значительным разбросом сопротивлений - везде шум и слабый сигнал. Работает только с линейным входом Таскама и HI-Z Digilab SPM-100.
Подключаемое устройство - геофон с сопротивлением около 500 Ом http://zetlab.com/shop/datchiki/seysmopriemniki/vs-131/ и блок питания к нему http://www.pcb.com/products.aspx?m=480C02
 
-а это не пьезо датчик , если не ошибаюсь - под него и 1м мало - все назад - посмотрел у него встроенный усилитель
-там скорее всего питание фантомное( в описании не нашел) так что линейный вход может просто затыкаться, у него нет емкостей на входе
-тупо включите в микрофонный ( только симметрией) с включенным pad, там емкости разделительные есть ( как и на HI-Z) , либо на линейный через
внешние емкости
-вообще описание из серии "догадайся сам" , у нас тоже не особо все расписано , но хотя бы понятно куда что втыкать и куда питание подсоединять
-запросите у них хотя бы нормальную схему включения
 
Питание 18-30 вольтовое у датчика - блок питания как раз выдаёт такое. Странно что на таскамовском рекордере не было этого самого затыкания линейного входа.
 
Питание 18-30 вольтовое у датчика - блок питания как раз выдаёт такое.
-так оно фантомное или нет? у таскама скорее всего линейный вход это тот же микрофонный ( через делитель) поэтому емкости стоят,
в нормальном линейном входе емкости на входе не ставят ( точнее емкость стоит после входного диф.каскада) , они должны быть на выходе
предыдущего прибора ( так принято)
-если же есть фантомное питание , то обязательно должны быть разделительные емкости ( трансформаторы) или инструментальный усилитель
с большими допустимыми входными напряжениями и большим подавлением синфазки, либо у вас фантомное питание не дифференциальное
(опять же если оно фантомное)
 
В блоке питания написано так - Excitation Voltage (To Sensor)25 to 29 VDC, а сам датчик - Напряжение питания ICP +18…30 В. В Таскаме, кстати работало чисто только через второй миниджековый лин вход (который без делителей), а тот линейный что один с микрофонным всё плохо.
 
В блоке питания написано так - Excitation Voltage (To Sensor)25 to 29 VDC, а сам датчик - Напряжение питания ICP +18…30 В.
-это я тоже прочитал , а как все подключается ? не нашел
-там в описании датчика написано " уровень постоянного напряжения на выходе 10-13в"(насколько я понимаю это при включенном фантомном питании)
т.е к предусилителю надо подключать только через емкости, при этом не указано дифференциальный там выход или нет, но в описании анализатора
написано ( между строк) куда включается этот датчик что вроде дифференциальный
-чем гадать на кофейной гуще подключите к датчику питание и посмотрите осцилографом что на выходе - сразу все ясно станет
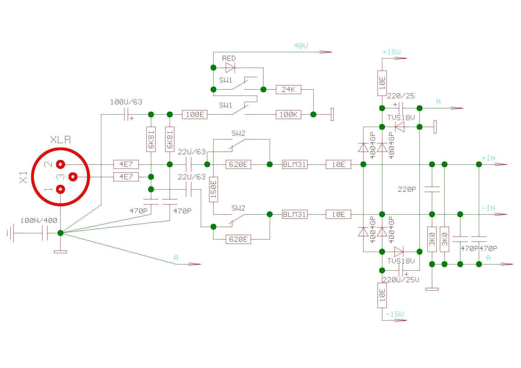
- на самом деле все просто , в 100 вам надо сделать еще один фантом на микрофонный вход , +48в отключить , а вместо него подключить +15в- и все,
может быть еще понадобится изменить резисторы 6к81 ( 2шт) на меньшие типа 3-4к, ну и для повышения входного сопротивления в режиме пад
поменять номиналы делителя
-если нужно будет обьясню подробней
В Таскаме, кстати работало чисто только через второй миниджековый лин вход
значит на этом есть емкости а на совмещенной линии нет , вообще могу сказать что эксперименты с подключением постоянки выше или равной
питанию на входные каскады без емкостей , кончаются плохо ( пробиваются входные транзисторы и защитные диоды) несмотря на то что вообщем
ограничивающие резисторы присутствуют
 
@digilab2, Сначала датчик с выходом ВNC соединяется с блоком питания через аналогичный вход. Затем переходник BNC(от датчика с бп) на ХLR к преампам или к рекордерам.

Итак, из нашей беседы я понимаю что в одном случае "катит", а в другом нет из за различной схемотехники преампов/рекордеров?
 
>из за различной схемотехники преампов/рекордеров?

-- Или из-за пофигизма изготовителей - что более вероятно.
 
что эксперименты с подключением постоянки выше или равной
питанию
А Вы о каком питании?
[DOUBLEPOST=1468371136][/DOUBLEPOST]
Или из-за пофигизма изготовителей - что более вероятно.
Да тут вины производителя не много. Просто я соединяю технику из разных отраслей - поэтому столько нестыковок. А соединять есть ради чего - записи с этого датчика переплёвывают любые контактные микрофоны по чувствительности
 
о каком питании?

-- О подаче на вход схемы постоянного напряжения, бОльшего чем напряжения питания самой схемы.

>вины производителя не много. Просто я соединяю технику из разных отраслей - поэтому столько нестыковок

-- А пофиг. У юзера не должна болеть голова при подключении.
МАКСИМУМ, что допустимо - это если для питания внешнего устройства, подключаемого к какому-либо входу аппарата
требуется подача питания от этого самого входа. (Ну, как фантом для микрофона.) Всё остальное должно тупо подключаться
и при этом полностью работать. Лучше или хуже - это уже другой вопрос, но работать - обязано.
 
  • Like
Реакции: Воеводин
Просто я соединяю технику из разных отраслей - поэтому столько нестыковок.
-этот датчик предназначен для подключения к анализатору этой же фирмы , только и всего, схемы включения нет , схемы разьемов нет,
ничего нет кроме порчужной картинки в описании и намеков в тексте о фантомном питании, т.е непосредственно к преампам его просто
так подключать нельзя
Итак, из нашей беседы я понимаю что в одном случае "катит", а в другом нет из за различной схемотехники преампов/рекордеров?
-если с фантомным питанием то просто так не катит вообще( кроме микрофонных входов), тут дело не в схемотехнике, а в том что фантомное питание
на линейных входах ( да еще насколько я понимаю несимметричное) это спецаппарат
-я уже говорил , берите в руки осциллограф- через минуту будет все ясно, что там и как включать
 
Доброго времени суток. Подниму тему - интересно а поможет ли DI-box с МОм на входе и подавлением 50 Гц (которое и не понадобится при питании от кроны)?
Вот картинка с осцилографа - незнаю только что она даёт -
RLS-DB325.JPG
 
-это вы все с этим датчиком маетесь ?
-посмотрите что у него за сигнал с выхода , симметричный или нет , какое фантомное питание
-я уже писал что усилитель в этом датчике встроенный , самое простое подключить к микрофонному входу 100
понизив фантомное питание , никаких мегоомных входных сопротивлений для него не надо, 50 гц подавите фильтром
 
Давить фильтром бесполезно - не хватает крутизны спада. С Вашим преампом - хоть от 320 Гц срезай - гудит немного слабее. Я видел эти 50 Гц на спектроанализаторе - ужасный пик. А возник от того что спектроанализатор с подключенным к нему датчиком соединён с ноутбуком по юсб, а ноутбук - с розеткой. Стоит прекратить питание от розетки - фон исчезает.
[DOUBLEPOST=1474169317][/DOUBLEPOST]Вот он этот ужас

Могёт быть такая штука поможет с Вашим преампом?

http://a-electronica.ru/inverter-dc-ac-auto.html
 

Вложения

  • E`lektricheskaya-shema-mikrofona-VS-501-ICP.jpg
    E`lektricheskaya-shema-mikrofona-VS-501-ICP.jpg
    331,3 KB · Просмотры: 185
Последнее редактирование:
-я вообще не понимаю , причем тут наш преамп, и зачем ему другое питание ( тем более неподходящее) тем более из всей вашей
кучи приборов , только у него питание сделано по уму с точки зрения фона
-вы же сами пишете про схему включения в предыдущем посте , я там преампа не вижу , источник фона
вы правильно определили - сетевой блок питания компьютера , наводка проходит по земле , из-за того что у вас
нет гальванической развязки между измерительной схемой ( ваш анализатор с датчиками) и компом, сделать по простому
вы ничего не сможете, питайтесь при имерениях от аккумулятора ноутбука, фона и не будет
-я уже писал что ваш датчик имеет недифференциальный выход- это очень большой недостаток , как правило
никакая экранировка не позволит вам добиться хорошего сигнал/фон
-вам нужно понять что ваш датчик это собственно говоря тот же микрофон ( специально сконструированный)
с фантомным питанием и внутренним предусилителем , просто с моей точки зрения сделано все через ж...
[DOUBLEPOST=1474206326][/DOUBLEPOST]-вдогонку вопрос , а зачем все это? неужели микрофонов не хватает , есть недорогие очень качественные основанные
на датчиках давления , опять же электретные капсюли - вообще копейки стоят
 
Последнее редактирование:
Преамп ваш, потому что только через него и работает (пусть и с фоном). С одноканальником от Sound Devices не работало. Рекордер таскамовский- не в счёт - его снимают с производства скоро и мой уже не первой свежести.
А все эти мытарства потому что нет соизмеримых по чувствительности и малошумности датчиков. Многие забугорные саунд-дизайнеры услышав записи с него просили его продать им.
Попробую обменять свой таскам на олимпусовский рекордер - там тоже линейный вход отдельный, авось получится.
 
-с фоном , потому что просто неправильно включаете ( очевидно в инструментальный вход) и левое фантомное питание
скорее всего
-я уже писал датчик ваш надо включать в микрофонный вход ( там rin=3к, можно без ущерба повысить до 10к) слегка
изменив схему фантомного питания внутри преампа, если нужны рекомендации по изменению напишу
-плюс не пользуйте usb интерфейсы ( у них нет гальваноразвязки) , работайте через spdif оптику ( полная развязка) или adat
-насчет малошумности , тоже не уверен , у вашего датчика полоса 400гц , т.е шуметь и нечему, присмотритесь ad выпускает
так называемые mems микрофоны ( твердотельные датчики давления)
-с моей точки зрения самый простой вариант переделать слегка ваш датчик ( под 48в и симметрию)
 
Последнее редактирование:
Вся фишка в том, как я писал
При подключении нагрузки в 50 Ом к линейному входу сигнал слаб и очень зашумлён. Инструментальный - значительно возрастает сигнал и шум пропадает вообще.
Так что подключение к инструментальному входу только и раскрывает их потенциал.
Проблема, наконец то решилась. Включил другой датчик, аналогичного назначения с такой вот схемой
sh_16.jpg

Гула нет вообще - оно и не удивительно, бо корпус его заземлён. Хотелось бы подключить позже специальный микрофон - уверен проблем не будет, схемы там все примерно одинаковые:
E`lektricheskaya-shema-mikrofona-VS-501-ICP.jpg

А только вот такие и вызывают проблемы с наводкой, ну и чёрт с ним с таким датчиком:
E`lektricheskaya-shema-datchika-VS-131.jpg

Спасибо.
 
-я уже писал напишу еще раз вы просто неправильно все подключаете , на линейном входе нет разделительных
конденсаторов по постоянке , поэтому устройства с фантомным внешним питанием к нему подключать
нельзя , либо нужно использовать внешние разделительные конденсаторы
-на инструментальном входе разделительная емкость есть, поэтому и работает
-ваши датчики по сути это электретные микрофоны с встроенными предусилителями, т.е и подключать их надо так же как обычные конденсаторные
т.е в микрофонный вход
-последний датчик судя по этой непонятной блок схеме вообще дифференциальный, и подключать его надо как дифференциальный ( хотя я бы написал
производителю и попросил выслать конкретную схему выхода и подключения чем
заниматься гаданием на кофейной гуще)
 
Последнее редактирование:
@digilab2, ладно уже с этим датчиком, его BNC штекер в XLR - вход микрофонный не воткнешь, да и переделывать всё нужно что бы работало( у меня на Зуме F8 кстати режим +24В есть). Я с паяльником не дружу.
Просто интересно почему отсутствие разделительной емкости так просаживает чувствительность.
 
Последнее редактирование:
-оно не просаживает , линейный вход просто затыкается от постоянки, вы подаете на вход +18в или больше
при допустимых для оу +-13в , благо там входные резисторы достаточно велики(11к) поэтому ток пробоя
ограничен а то вообще просто сгорело давно все, внешнюю емкость подсоедените где-то 10мкф50в и все будет
работать, +- только у емкости соблюдите а то взорвется ( емкость)
-если там bnc то почему на блок схеме два выхода ( вывод1, вывод2) непонятно, а потом что вам мешает просто подкдючится
нога 2 xlr - центральная bnc, нога3 xlr через второй провод скрутки на экран bnc через 6к8 , нога1 xlr экран на экран bnc
в zoom в режиме 24в можно втыкаться просто так , в моем преампе фантом надо понизить
-только не забудьте при этом фантом правильно включать , т.к половина буде замкнута на землю , сначала надо подсоеденить
кабель затем включить фантом , выключение в обратном порядке а то преамп вышибете
 
Последнее редактирование:
  • Like
Реакции: Long и Воеводин
-тут надо еще понимать , что все нормальные датчики ( неважно чего) как и микрофоны должны иметь
дифференциальный выход иначе избавится от фона и помех просто невозможно , так что все несимметричное можно рассматривать
только как заведомые мучения , конкретный пример синглы на гитарах( хотя сейчас стали делать тоже дифференциальные)
 
  • Like
Реакции: Воеводин
-там линейный вход симметричный ( джек) т.е вам надо для несиметричного подключения r - на землю( лучше через второй провод скрутки на землю
bnc на датчике) , а t - через емкость , s -экран
-еще лучше просто подсоединится с вашим фантомным питанием на микрофонный вход ( там емкости уже стоят) , подключение такое же , 2-xlr вход + ваше
фантомное питание , 3-xlr через второй провод скрутки на землю вnc , 1-xlr-экран, фантом при этом на преампе конечно же включать нельзя
 
-завтра попробую нарисовать картинку , сегодня просто не в состоянии к нам гости приехали хай-эндщики(усилоспикерщики) споров будет по самую крышу
-просто я вам пытаюсь втолковать что самый малошумящий вход для ваших датчиков - микрофонный , кстати у него еще самое большое подавление синфазной помехи
к тому же у него есть фантомное питание и все защиты по входу, переделать его под ваше применение( даже в нессиметрии) делов на 5 минут
 
Последнее редактирование:
  • Like
Реакции: Воеводин
-завтра попробую нарисовать картинку , сегодня просто не в состоянии к нам гости приехали хай-эндщики(усилоспикерщики) споров будет по самую крышу
-просто я вам пытаюсь втолковать что самый малошумящий вход для ваших датчиков - микрофонный , кстати у него еще самое большое подавление синфазной помехи
к тому же у него есть фантомное питание и все защиты по входу, переделать его под ваше применение( даже в нессиметрии) делов на 5 минут
Здравствуйте! @digilab2
Прочитал вашу ветку - требуется Ваш совет - у меня похожая задача - есть гидрофон ВС-312 с питанием ICP и есть рекордер зум H5
В зуме есть фантомное питание 12в-24в-48в я выставляю 24в
Датчик подключаю через mono-jack сигнальный проводник на центр, общий на общий контакт разъема jack
Питание датчика аналогичное как у ТС 18-30В - единственное я его подключаю, как написал выше к фантомному питанию зума напрямую на 24В.
При записи сигнала есть только фон 50Гц при постукиваниях по датчику есть пички но не более.
Почему такая отвратная чувствительность? Тут было написано про включение разделительного конденсатора на 10мкф 50в в этом случае может помочь?
Прошу Вашего совета.
Спасибо!
Схема датчика
Shema-312.jpg
 
Последнее редактирование:
-вы в микрофонный вход включаетесь ? если в микрофонный то моно джек использовать нельзя вы половину фантома коротите на землю
-вот схема более менее стандартного входа у всех микпреампов, отсюда и исходите при включении
[DOUBLEPOST=1475158336][/DOUBLEPOST]mic001.jpg
 
Последнее редактирование:
@digilab2, Да подключаюсь в микрофонный вход у zoom h5 два входа комбинированные XLR/TRS
Переделал подключение на стерео jack TRS - результат к сожалению тот же - на входе пусто (Общий провод подключил на 1 контакт XLR а сигнальный на 2 контакт XLR а третий контакт повесил в воздухе в соответствии со схемой в сообщении )
50Гц видимо ловил на оплетку кабеля.
Есть сомнения что питание ICP то же что и фантомное питание в данном оборудовании. Хотя по схеме вроде бы похоже. Схему ICP в приложении прицепил.
Прошу Вашей помощи
Podklyuch_ICP.jpgPodklyuch_ICP-2.jpg
 
Последнее редактирование:
-посмотрел внимательно , на картинки все просто у вас обычный пьезодатчик ( или электретный микрофон) с
предусилителем 24в конечно зря на него подали , хотя написано вроде до 30 , 12в вполне хватит,почему не работает
не могу сказать , все должно работать , советую экран на всякий пожарный соединить с общим на входе xlr , а 3 конец
замкнуть на землю через резистор порядка 1-3к
-проверьте для начала сам преамп , воткните xlr без корпуса и пальцем пофоните на 2 и3 контакт
-все эти рекомендации действительны и по предыдущему датчику
-мне вообще непонятно как могут возникнуть проблемы , единственно с чем столкнулся сам это с радиосистемой японского
производства(ха-ха(японского)) audio-technik (какая -то 1000 )там фантом 9в и чтоб подключить стандартную гарнитуру
с электретом пришлось подбирать резистор на фантом 3-6к( внутри разьема впаивался) иначе просто не работало (резистор
по максимуму сигнала), причем разьем у.....о нестандартный , напоминает наш военпром (это ака раз хорошо долго служить будет)
 
Последнее редактирование:
@rhu, можно не заморачиваясь поступить гораздо проще. У вашего гидрофона примерная чувствительность -192 дБ. Есть модели с лучшей чувствительностью с выходом XLR. За относительно небольшие деньги можно купить две штуки для стерео.
 

Сейчас просматривают