Тогда было бы правильно установить защиту, которая бы через реле отключала наушники, при появлении на выходе постоянного напряжения.
-делаем лет 15 в разных вариантах на разных оу , не помню у наушников вылета , по линейным выходам оу частенько пробиваюттак что я ставлю на выходе большие разделительные электролиты...
X5R, X7R не подойдут вместо NP0?пленку лучше не ставить в высокочастотные оу , нет 0.1 любую NP0 керамику от 10нф
доработаю, спасибо.там под оу проще протянуть землю общую для обоих питаний
землю
нагрузки на землю питания
Sia_2 написал(а):Правильная разводка (взятие сигнальной земли с земли выхода УМ и удаление контуров силового тока) обеспечивает практическое отсутствие влияния БП на сигнал, кроме, естественно, энергоемкости. Это азы конструирования.
пленку лучше не ставить в высокочастотные оу
-это вроде тоже самое , о чем я и говорил , только другими словами , по моемуА есть и другое мнение:
Интересно в чём трассировали - Eagle, Sprint Layout или ещё что?...трассировка получилась...
Такие параметры великолепные и цена всего пару евро, тексас молодцыopa1662
Sprint Layout 6Sprint Layout
-на низкоомные уши надо параллелить , ток при одинаковом ограничении 30-35ма,у 6172 50ма, погоняли 1662 тут сутки наТакие параметры великолепные и цена всего пару евро, тексас молодцы
-я до сих пор в pcad4.5 привык , пытался перейти на 2004 не понравилось , щупаю utilboard 12 но судя по всему лучшеИнтересно в чём трассировали - Eagle, Sprint Layout или ещё что?
С промышленными обьёмами "печаток" я не сталкивался (и не собираюсь), а вот "для дома-для семьи" что нибудь самому "поваять" - лучше и проще Sprint Layout наверное и не найти....а так не для профи sprint layout лучше всего , только не во всех конторах с него делают платы адекватно
Эта программа весьма удачна для маленьких проектов, одни плюсы (немцы вложили душу и регулярно абгрейдят).проще Sprint Layout
-это как раз фигня , для небольших проектов, а они вообщем почти все небольшие , сквозная не нужна( я в пикаде забыл уже когдаЕдинственный минус - это несквозная среда проектирования.
Да, нет это возможно в старых версиях, в 6 версии программа в гербер позволяет вывести 11 слоев,нет отдельно слоев маски
Здесь маску можно назначить на дорожку, полигон, площадку или запретить и все, она генерируется автоматически.у меня маска не всегда совпадает с площадками

Я читаю и пытаюсь вникнуть, хотя сам так же использую на выходе транзисторы.А зачем эти гирлянды операционников, не проще добавить к одному пару транзисторов?
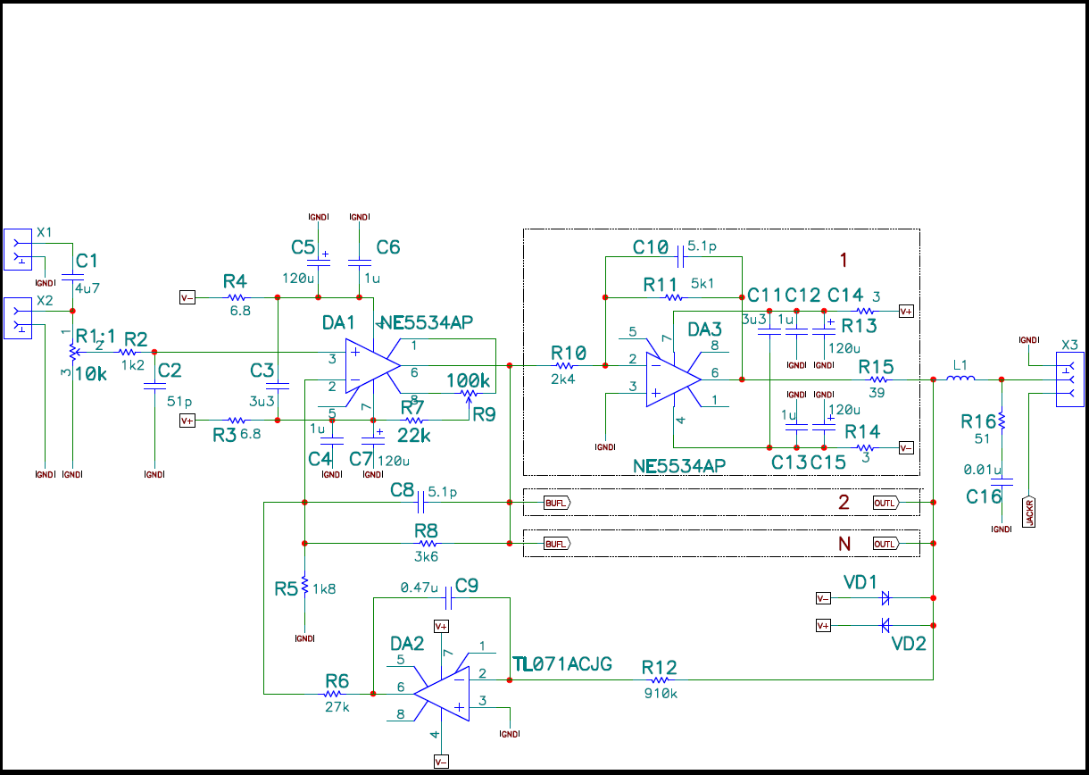
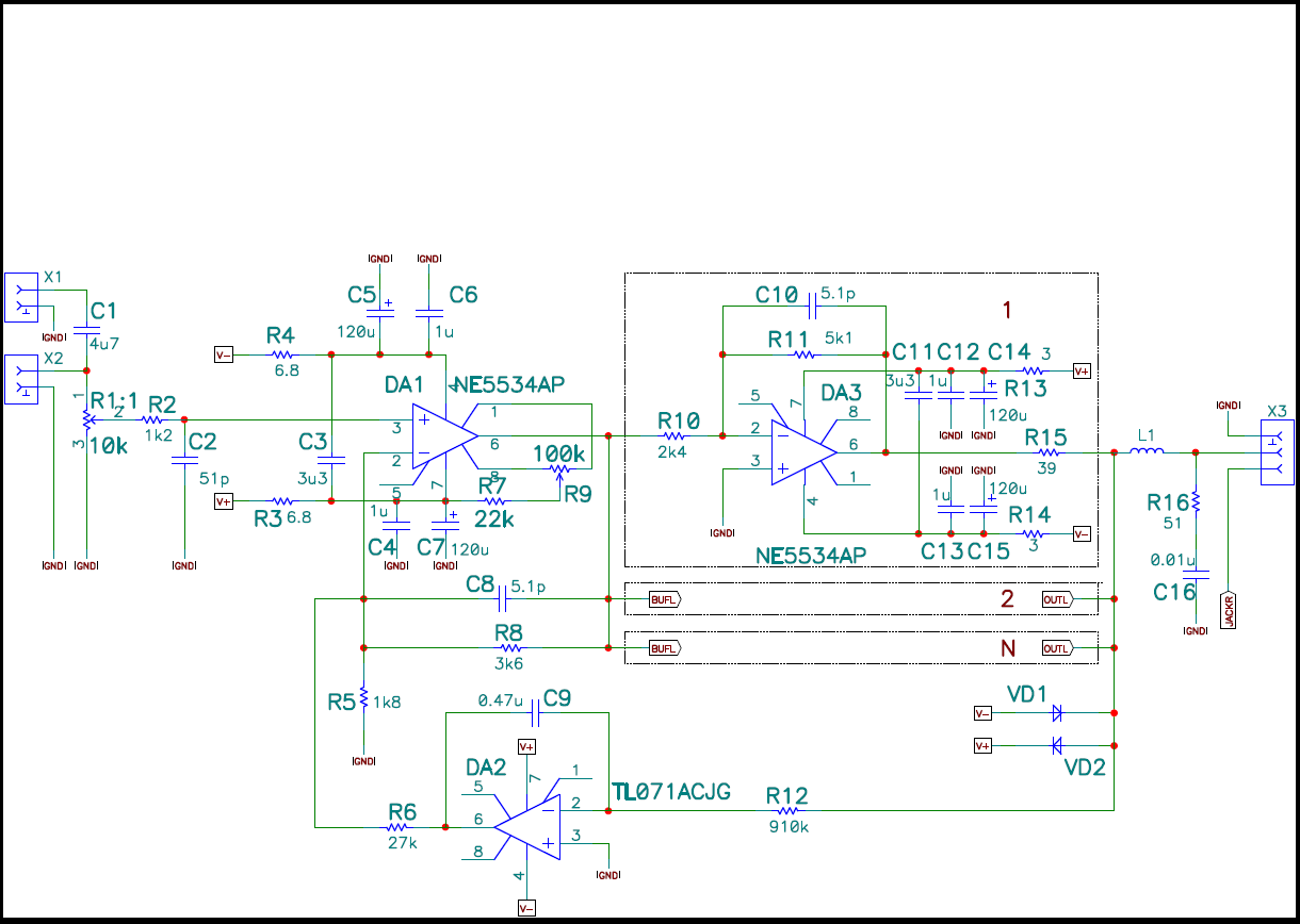
-нет спасибо , все эти 2-4 транзисторные схемы с оу обладают нулевым звуком , да к тому же весьма ненадежны если делатьА зачем эти гирлянды операционников, не проще добавить к одному пару транзисторов? Я уже много лет использую такой усилитель в различных устройствах. Тянет любые наушники.
-конкретно в цап 4898-2 лучше чем 1469 мы даже его вообще убрали из списка , но всех убивает по звуку ada4897-2 и ad8397Мой фаворит остаётся LT1469-2, но 4898 где-то очень близко, а по цене /2
-- Если бы ещё не 12 вольт...одного корпуса достаточно особенно ad8397
Нет, нет, просто резистор с ОУ прямо на выход, в обход транзисторов. Без индуктивностей, без моста. Чтоб избежать ступеньки пока напряжения недостаточно.вы имеете ввиду а-ля quad405?