Вот это я упустил из виду.выход обязательно RLС фильтр
На часах 00-00 пора уже и ...
Буду что-то думать сам, схем я так понял отработанных нет в свободном доступе.
Вот это я упустил из виду.выход обязательно RLС фильтр
Да нет, сложностей никаких нет, вот с ОУ привык придерживаться ДШ, ведь кто его знает что они там внутри спрятали. И надо будет его еще раз основательно почитать, а то я пробежался поверхностно.если такая схема(могу накидать в принципе, два опа в инверте, входной-выходной фильтр) составляет такие сложности - может ну его?
-lm6172 в параллель, для особой крутости 2 штуки , любой простой транзисторный даже рядом не валяется , или opa1662 -2 корпуса , также неплохи lme49860Сколько я не мучил ОУ, ни один вариант мне не понравился - звук блеклый, громкости не хватает
-так надо ставить оу которые себя нормально ведут , таких много, а не зацикливаться на 5534 и 5532 которые ведут себя плохо, хотя Дуглас Селф ставитА еще ОУ плохо себя ведут при больших выходных токах
Юрий, мне нужно 10, иногда необходимо как под микроскопом выслушивать тихие треки. Я вот думаю не добавить ли...нафиг 10 не нужно, можно еще уменьшить номиналы, но нужна схема(ваша)
-- И давно?Ещё есть старый AD842. Звучит очень сильно, зараза, но корпус нестандартный
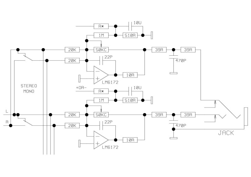
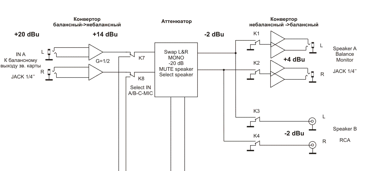
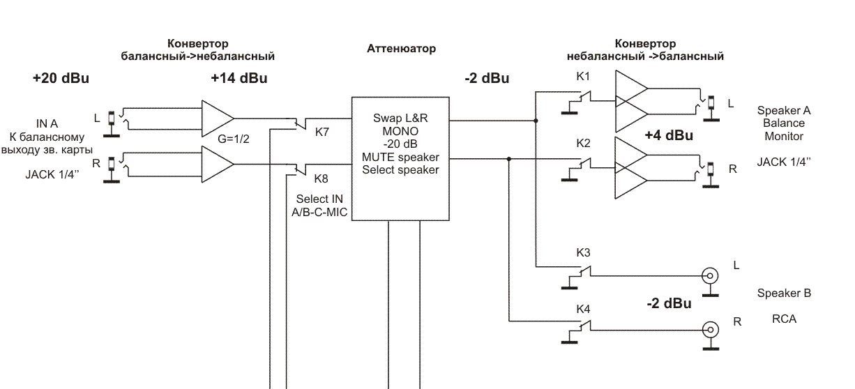
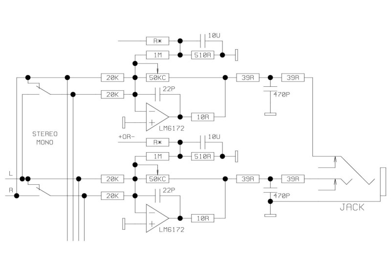
Согласен, можно добавить, но совсем убрать - кнопка MONO будет коротить каналы. Что-то считал... уже не помню 8 лет назад было.-не очень понятно зачем вы гасите +14db делителем , а потом опять усиливаете
не знаю что там стоит перед этим блоком , но по моему r1, r2 можно спокойно уменьшить до 2к , а то и до 1к
Почему лучше?и вообще лучше , если можно тот же инвертор сделать
Да, не выйдет, я уже смотрел....похоже не выйдет , т.к на выходах должны совпадать фазы ( и с входом тоже)
-надо проверять , у многих к.г становится неудобоваримый , некоторые генерить начинают, еще часто +- сигнал неодинаковЯ ставлю 820 Ом. Большинство ОУ допускают нагрузку 200 Ом
Спасибо за рекомендации, а как форму импульсов проверить, меандром 1 кГц, 10 кГц, 20 кГц прогнать и по осциллографу выровнять?емкости 10-30пф( надо подбирать под конкретные оу) должны стоять, иначе форма импульсов
неправильная
Раньше было да, регулярно, сейчас уже почти нет (если не отвлекли), но не без того ))иногда за голову хватаюсь

Не так и дорого, по 222 рубля в партии 10 шт если взять на http://ru.aliexpress.com/item/Free-...LT1469IS8-LINEAR-SO-8-100-NEW/1913547409.htmllt1469, но стоят круто
А почему не уровнять их подобрав резистор между положительным входом и землей?у нее входные токи... приходится ровнять
Я помню как-то делал усилитель шунта для стрелочного амперметра на 5534, то смещение подплывало в зависимости от температуры и это было хорошо заметно так-как стрелка все время на виду, делал похожую цепь коррекции, правда у 5534 есть для этого отдельные выводы.умножим на 5-10 получим 30-50мв
это оч. хороший ОУ, но не для ушей (если без умощщенья).Мне понравились LT1469.
Почему не выставить 0 на выходе подстроечником, даже, если и отсутствуют специальные выводы? Темпер. коэф. напряж смещения LM6172 всего 6 мкВ/*С. Учитывая, что рабочая t* кристалла более-менее постоянна, точнее, она слабо зависит от t* окруж. среды, т.к. намного выше её, короче, получим несколько сотен мкВ на выходе. Как учит нас Партия (Хоровитц, Хилл), "В конечном итоге значение имеет временной и температурный дрейфы, т.к. сдвиг напряжения может быть настроен на 0".-подбором резистора вы уравняете входные токи , согласен , но у них само смещение порядка 3-5мв , умножим на 5-10 получим 30-50мв
мы их лостаточно много в уши понаставили , попадаются отдельные экземпляры с < 1мв но редко
-выход поставить разделительную емкость , но вам это не понравится , да хорошая скорее всего не влезет