Boss NS-2 особенности схемотехники.

Vladimir74

Well-Known Member
22 Апр 2011
2.604
726
113
51
Россия, Краснодар
wolchenko.ru
Коллеги электронщики, подскажите, пожалуйста. Решил из любопытства глянуть схему гитарного нойз-гейта Boss NS-2.
что именно там является гейтом? Полевые транзисторы в правом верхнем углу схемы? Или микросхема в верхней части схемы? А еще вопрос, как то там навороченно детектор огибающей устроен, после классического двухполупериодного детектора на ОУ еще ОУ со стабилитронами. Это какой то линейно кусочеый преобразователь управляющего напряжения для гейта?
Прямо заинтересовали подробности схемы. Заранее спасибо.
 

Вложения

  • IMG_0383.jpeg
    IMG_0383.jpeg
    796,9 KB · Просмотры: 220
Видимо IC1 является электронным регулятором уровня, так как управляющее напряжение в нее приходит. А зачем на полевых транзисторах реализован обход этой схемы? Можно же просто установить ее КУ равном единице в режиме байпасс? Еще вопрос: там гистерезис как то реализован, чтобы дребезга при закрытии гейта не было? Обычно в детекторах гейтов делается небольшой гистерезис.
 
Видимо IC1 является электронным регулятором уровня, так как управляющее напряжение в нее приходит. А зачем на полевых транзисторах реализован обход этой схемы?
Да, судя по схеме.

Можно же просто установить ее КУ равном единице в режиме байпасс?
Там есть ещё некоторая цепь - ОУ на входе и каскад на транзисторе. Всё вместе это может заметно влиять на звук. Поэтому, байпасс в обход всего может быть оправдан.
А может быть и другой вариант: просто не стали заморачиваться и зафигачили классический боссовский байпасс.
 
  • Like
Реакции: Vladimir74
На ОУ 2в реализован фильтр поднимающий высокие перед регулятором уровня, а после него на транзисторе Q9 обратный фильтр. Такое делается в хорусах для повышения отношения сигнал/шум. Видимо тут тоже решили высокие частоты задрать чтобы оторваться от собственных шумов микросхемы регулятора уровня. Эмиттерный повторитель на выход сенд зачем? Там же можно после входного повторителя на полевике сразу сигнал в сенд направить? Не все навороты схемы понятны. Наверное за этим какие то мысли умные есть :) Просто сигнал на пути в первому каскаду примочек Дисторшн пройдет три повторителя подряд: 1 на полевике , второй на выходе сенд и третий повторитель на входе примочки Дисторшн.
 
-- Оно, конечно, дело вкуса - но лучше бы обычный холодный байпас.
На такой кнопке:
 
  • Like
Реакции: Vladimir74
Эмиттерный повторитель на выход сенд зачем? Там же можно после входного повторителя на полевике сразу сигнал в сенд направить?
Как я понимаю, чтобы исключить влияние того, что к сэнду подключено. Повторитель развязывает схему с внешним устройством. То есть, если сделать напрямую, то в зависимости от сопротивления нагрузки, которая подключена к сэнду, будет и по разному работать схема. Эмиттерный повторитель решает эту проблему.

Еще бы подробнее понять функции ОУ 3в , 4а , 4в. И как регулируется время закрытия? Как то наворотили детектор
Схема управления временем закрытия собрана на ОУ 4а, она управляет скоростью разрядки конденсатора C19 в зависимости от сопротивления VR2 (Decay).
Вцелом по детектору много не подскажу, слабо разбираюсь в этом типе схем.
 
  • Like
Реакции: Vladimir74
«Как я понимаю, чтобы исключить влияние того, что к сэнду подключено. Повторитель развязывает схему с внешним устройством. То есть, если сделать напрямую, то в зависимости от сопротивления нагрузки, которая подключена к сэнду, будет и по разному работать схема. Эмиттерный повторитель решает эту проблему.»
Да, я понимаю эту логику, но в данном частном случае нагрузкой является вход примочки дисторшн с входным сопротивлением 2 мОм и просто повторитель на полевике с выходным Сопротивлением десятки килоом без проблем потянул бы и вход детектора и вход нагрузки. В общем на мой вкус, я бы локаничнее компоновал схему :) Хотя у тех разработчиков наверняка свой взгляд на все был.
 
Я в данном случае просто обмениваюсь мнениями, пытаясь уяснить для себя тонкости схемы, которые могу не совсем понимать. Хотя и разработчики наворотили не скупясь схемных решений :)
 
если сделать напрямую, то в зависимости от сопротивления нагрузки, которая подключена к сэнду,
будет и по разному работать схема. Эмиттерный повторитель решает эту проблему.

-- А заодно он решает проблему закороченных кабелей и джеков.
 
  • Like
Реакции: Vladimir74
@Long, я как то собирал копию decimatora тоже делал байпас на кнопке иначе он через схему сделано не понятно зачем. И там еще странное решение сенд тоже сделан через схему а я делал напрямую с инпута это с какого то мода взято. Так круче работало.
 
@Long, я как то собирал копию decimatora тоже делал байпас на кнопке иначе он через схему сделано не понятно зачем. И там еще странное решение сенд тоже сделан через схему а я делал напрямую с инпута это с какого то мода взято. Так круче работало.
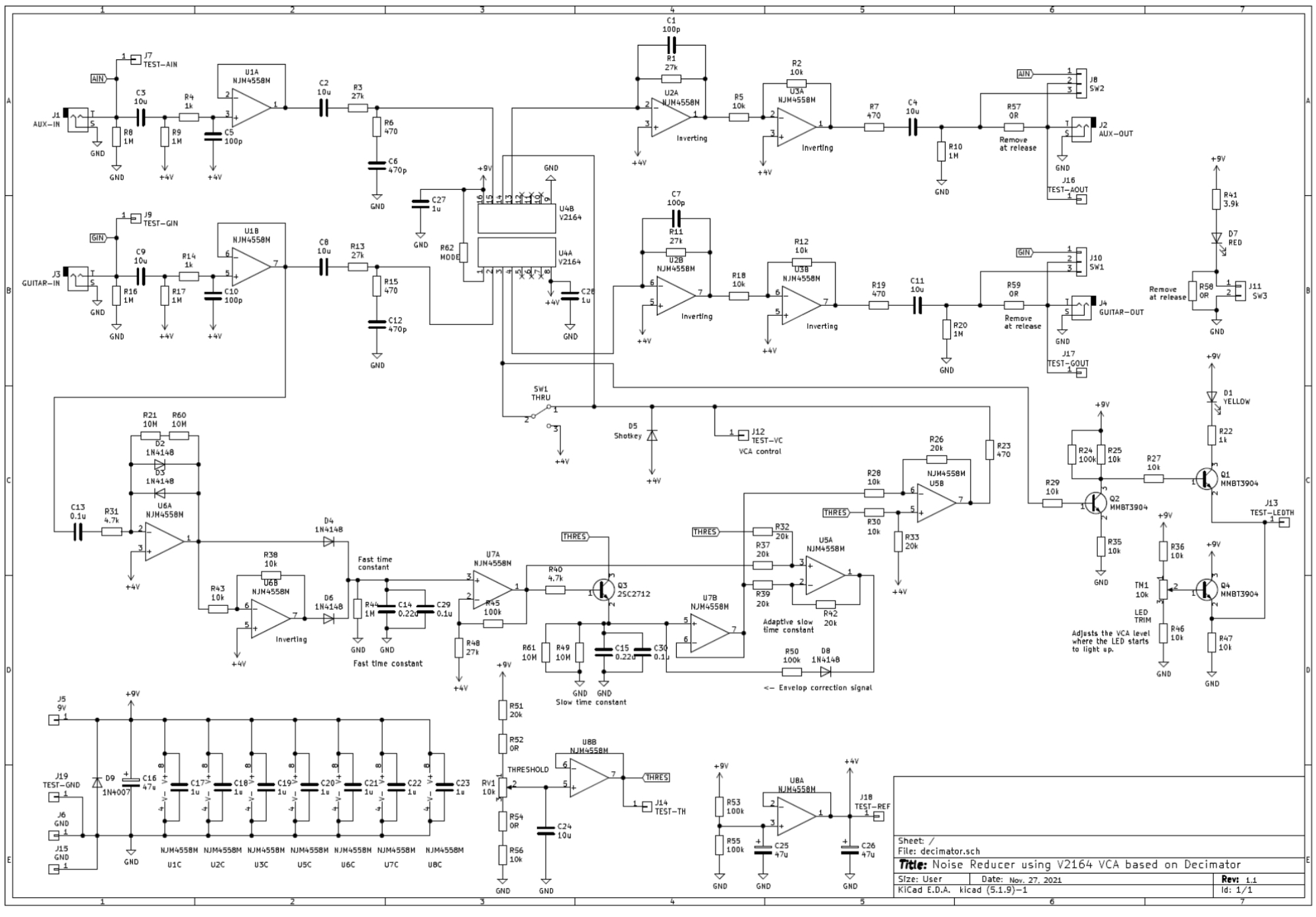
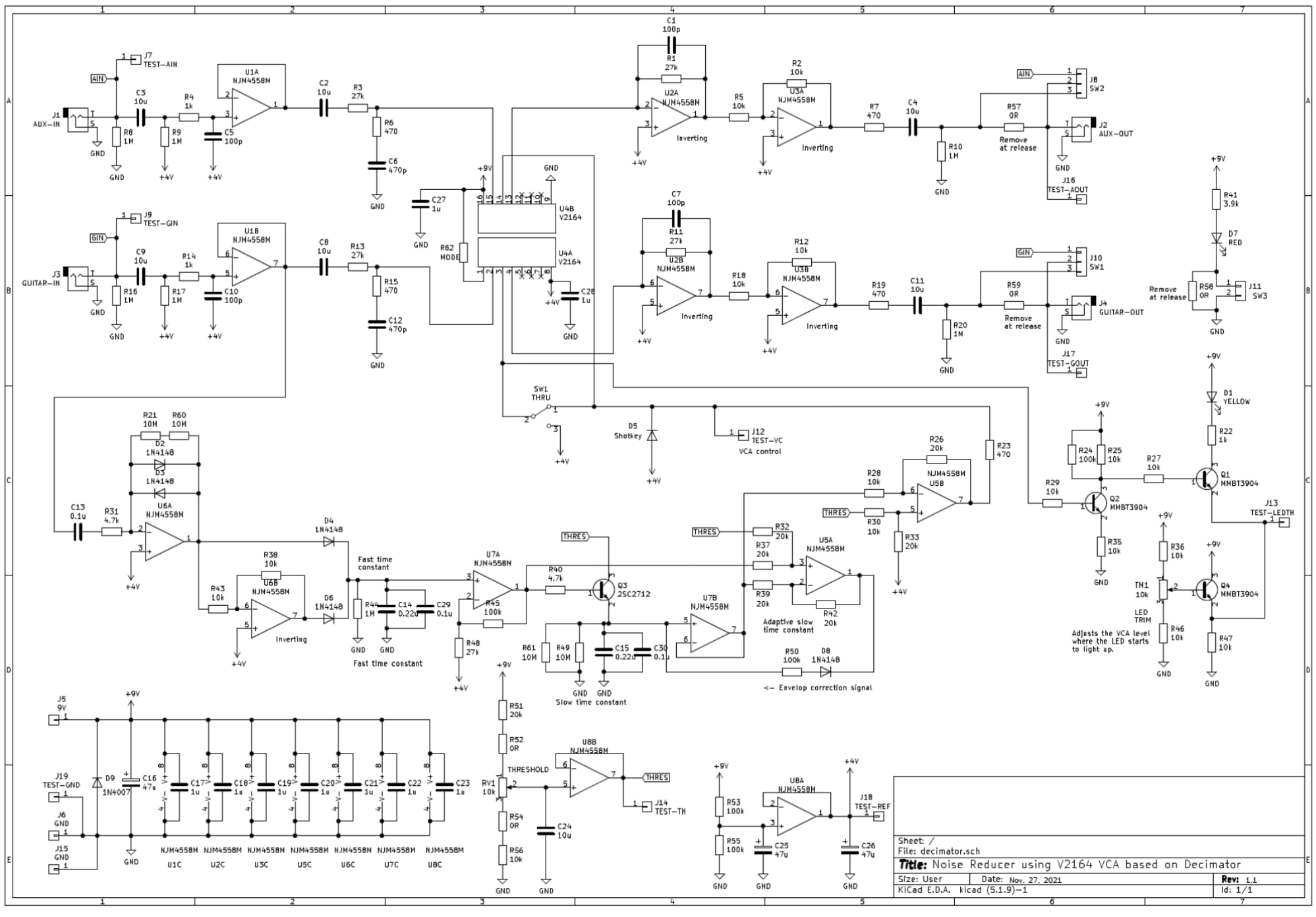
А можно схему дециматора, выложить? Интересно сравнить.
 
В дециматоре прикольно реализованы две постоянных времени в детекторе. И логарифмический усилитель перед детектором сглаживает пульсации сигнала. Кроме того в данной схеме и сенд сигнал обрабатывается гейтом и потом отдельный гейт в аукс линии. Там на схеме сенд выход назван гитарный выход, а ретюрн и главный выход названы аукс линией.
 
Не, это не оригинальная схема. Детектор похож и некоторые другие элементы схемы, но много модификаций вцелом.

Я собирал ISP Decimator G-String, вот оригинальная схема (это прям с печатной платы снята, но красным я некоторые вещи менял по разным причинам).
Да, двойной детектор - сильная его сторона. Когда гейт может и обрывать короткие звуки и протягивать сустейнистые ноты, это очень полезная фича.

DECIMA~1.JPG
 
  • Like
Реакции: Vladimir74
вот я собирал по схеме которую выложил Максим, только снормальным байпасом и сенд тупо соединял с инпутом чтоб на петлю уходил звук без изменений, как по мне дециматор круче работает чем босс
 
  • Like
Реакции: Vladimir74
Dynamic Filtering
As mentioned above, the ProRack units also incorporate a second noise reduction
process on each channel of Dynamic Low Pass Filtering. This allows the selective
removal of just high frequency hiss and upper frequency harmonic buzz. The Dynamic
low pass filter is controlled by a second Time Vector Processing circuit with a Frequency
weighted control. The Dynamic Filter will open from 1kHz up to 20kHz when the input
signal contains high frequency information. By controlling the Dynamic Filter with a
second Time Vector Processing circuit the release response of the Dynamic Filter will
track the envelope of the input signal the same as the Downward expander. The two
processes work together to provide the most adaptive and effective real-time noise
reduction available.
 
  • Like
Реакции: Vladimir74
А еще в дециматоре классно, что на входе детектора логарифмический усилитель. При этом ни один ОУ не разгоняется до насыщения. Иначе при разгоне сигнала на выходе от плюс питания до минус может паразитная модуляция по шине питания проникать в звуковой тракт и легкий подгруз в чистый сигнал подмешивать. Сталкивался с таким эффектом когда дисторшн с нойз гейтом делал. В том случае гейт врубался чисто в тракте дисторшн и это было неважно, но на чистом звуке тот детектор вносил легкие искажения в сигнал.
 
в дециматоре классно, что на входе детектора логарифмический усилитель

-- Так без него будет чёрт-знает-что, т.к. VCA имеет коэффициент передачи с размерностью dB/V.
Но вообще - схемотехника слабенькая....
 
  • Like
Реакции: andy felon и Vladimir74
-- Чаще всего - это сочетание 2-х, иногда даже 3-х различных постоянных времени.
Или соединение в цепочку нескольких вообще разных компрессоров, максимум про что читал - 6 штук.
 
  • Like
Реакции: Vladimir74
-- Чаще всего - это одна схема, с несколькими хитро объединёнными цепями.
Вот, например, авторелиз из SSL:
250034
 
  • Like
Реакции: Vladimir74

Сейчас просматривают