QUAD405: баги и фишки

Peratron

Well-Known Member
6 Июн 2006
1.102
400
83
74
Москва
peratronika.narod.ru
...а так же мифы и легенды вокруг этого самого легендарного из всех усей.

Вот, собственно, полез таки симулировать это чудо. Пока что в идеальной реинкарнации.
QUAD_sch1.gif

Во-первых, нахрена там режим В? Специально создаём себе трудности, что б потом их победно преодолевать? :mad:

По идее мост должен выправлять и АВ, и А - с их врождёнными проблемами. Причём, справиться с двойной проводимостью двухтактного А всё-таки гораздо проще, чем с тупой ступёнкой В.

Во-вторых - а чем не угодили вертикалки?

Вот результат:
QUAD_sp1.gif
Амплитуда - 30 В, частота - 1 кГц.

Жёлтеньким - при токе в полсотни мА, зелёненьким - около 3.5А.
Для чистого В - понятное дело, результат заметно хуже. И это - при идеальном усилителе в петле.

Биполяры тоже хуже - дБ эдак на 20, а то и больше. Причём, опять же - с раскачкой от идеального уся, вдувающего любой ток в базы. То есть, без учёта гадостей, которые подкинут драйверные каскады для раскачки баз.

ХИНТ: коррекция искажений осуществляется всё-таки за счёт глубины ООС (петлевого усиления).
При 60 дБ в петле - искажения падают до банальных -80 дБ.
Причём, эффективность моста тоже существенно зависит от базового усиления - при усилении в петле 100 дБ, мост искажения уменьшает на 40 дБ,. А при 60 дБ - и 20 дБ не наскребает.

Потому встаёт вопрос - а реально то каково петлевое усиление в родной схемке?
То есть, сколько тут веры в чудо, а сколько - правды?

ХИНТ: ну, и главный для меня вопрос - как же всё-таки превратить базовую схему в повторитель?
Пока упёрся в непонимание нюансов работы базовой схемы.

ХИНТ: зато придумал весёленький биполярно-полевой гибрид - биполяры разгружают выход УН от прокачки компенсирующего тока. Что при начальном токе полевиков в единицы мА даёт суммарно хороший результат.
Эта фенька занадобится при переходе от идеального УН к реальному ОУ...
 
Последнее редактирование:
  • Like
Реакции: sunet
405 наверное?
Во-первых, нахрена там режим В?
Возможно, потому что в ВК класса B малые кроссоверные искажения. Ну, и термостабильность на высоте; может, это основное соображение.
Во-вторых - а чем не угодили вертикалки?
Это схема середины 70-х, какие вертикалки? Ну, вроде тогда они уже существовали, но цена и доступность, сами понимаете.
 
Последнее редактирование:
Насколько я зная изначальная идея из которой вырос этот усилитель это работа двух усилителей параллельно на одну нагрузку - один маломощный в классе близком к А и второй в классе В, который присоединяется к работе при превышении уровня отпирания выходных транзисторов. Таким образом первый усилитель работает без ступеньки, а тогда когда ему становится трудно обеспечивать ток при большей амплитеде сигнала, ему помогает усилитель без смещения. Таким образом получается большой КПД, малый нагрев, высокая термостабильность и при этом отсутствие ступеньки. Я делал усилители по этому принципу для наушников, когда еще не знал схему Квода. Буквально ОУ, плюс два транзистора и резистор с выхода ОУ прямо на выход усилителя. Все кто слушал были очень довольны...
 
Ну, да. Ашипка...
Но ведь циферки то те же! :rolleyes:

Возможно, потому что в ВК класса B малые кроссоверные искажения.
Тридцать три раза - ХА!
С чего б вдруг?

Ну, и термостабильность на высоте; может, это основное соображение.
Как бы классика ампостроения давно уже решила эту проблему - не вижу смысла за неё цепляться, как за фетиш...

ХИНТ: я вообще хочу скрестить компенсирующий мост с параллельным каскадом - собственно, ради этой цели и погрузился в кводдинг.


Это схема середины 70-х, какие вертикалки? Ну, вроде тогда они уже существовали, но цена и доступность, сами понимаете.
Так на дворе ж не середина 70-х, а натуральный 21-й век!
Речь не о том, почему и зачем был придуман этот гениальный девайс - речь о том, что б из этого исторического артефакта взять всё правильное и нужное и перенести в день сегодняшний.

Идейка компенсирующего моста - красивая и полезная. И дешёвая - что наиболее ценно. Но она живёт только в приложении к архаичнейшей структуре - которая даже в далёкие 70-е не была образцом элегантности.
В кваде есть очень красивые фишки - типа устаканивающего среднюю точку опера по совместительству работающего внепетлевым УНом. Но петлевая структура ОЭ+ОЭ сильно несовременна - даже с учётом значительного улучшения частотных свойств камней...

Вот и надо снять икону со стены и перестать стучаться конструкторским лбом в пол - резервы для модернизации (а не "моддинга"!) есть - и давно пора их реализовать...
 
  • Like
Реакции: sunet
Насколько я зная изначальная идея из которой вырос этот усилитель это работа двух усилителей параллельно на одну нагрузку - один маломощный в классе близком к А и второй в классе В, который присоединяется к работе при превышении уровня отпирания выходных транзисторов.
Да это как раз совершенно известная фича - квод интересен всё ж именно мостом, который потенциально позволяет снизить искажения на пару порядков.

Беда гибридов АВ+В - достаточно сильные остаточные искажения, которые провоцируют появление спектральных заборов из-за неидеальности (недостаточного быстродействия) внутрипетлевых усилителей.

Вот за эту схемку я в бытность в Искре у шефа выиграл коньяк :p
(c)1986.gif

ХИНТ: сейчас в приложении к супер-кводу наверно имеет смысл её тоже припомнить...
 
  • Like
Реакции: sunet
-не вьехал , причем здесь мосфеты и quad да и патент Блэка, хотя в принципе у него там вообще лампы были
коррекция искажений осуществляется всё-таки за счёт глубины ООС (петлевого усиления).
-а вот и нет , подкачкой исправляющего тока непосредственно в нагрузку
Причём, эффективность моста тоже существенно зависит от базового усиления
-это да чем больше тем лучше , еще там скорость нарастания усилителя А на малых сигналах должна быть весьма большая
-вообще не вижу смысла обсуждать теорию вопроса, в Шкритеке с.215,216 все написано , вот конкретные схемные реализации это интересно
[DOUBLEPOST=1479992858][/DOUBLEPOST]
Как бы классика ампостроения давно уже решила эту проблему - не вижу смысла за неё цепляться, как за фетиш...
-ну да( латеральные мосфеты), остальные усилители продолжают себе спокойно вылетать от пробоя второго рода , несмотря даже на диоды на кристалле
 
Последнее редактирование:
Но она живёт только в приложении к архаичнейшей структуре - которая даже в далёкие 70-е не была образцом элегантности.
-т.е по твоему транзисторная двойка на комплементе менее элегантна чем куча дифкаскадов с у.н, очень спорно , к тому же при соответствующих тр-рах у нее
быстродействие повыше будет
 
-не вьехал , причем здесь мосфеты и quad да и патент Блэка, хотя в принципе у него там вообще лампы были
Дык. Принцип моста - он для любого активного прибора равно справедлив.
Но квод остаётся единственным, где он применяется - причём, в единственной структуре.

-а вот и нет , подкачкой исправляющего тока непосредственно в нагрузку
Для того, что б подкачка исправляла что-то - ею надо правильно управлять. А это делает только ООС.

Ещё раз: свой вывод я сделал на основе моделирования идеального уся: при базовом усилении в петле 60 дБ параметры получаются на уровне голимого хифи, а переход с просто подкачки к сбалансированному мосту улучшает мало.
А вот при петлевом усилении 100 дБ и сами начальные искажения много лучше, и балансировка моста докидывает аж 40 дБ.

-вообще не вижу смысла обсуждать теорию вопроса, в Шкритеке с.215,216 все написано , вот конкретные схемные реализации это интересно
В Шкритеке есть про мост? Гляну... Давно не листал.
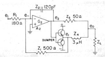
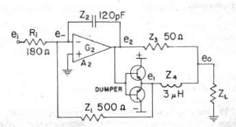
А вот что б выстроить более совершенную схемную реализацию - надо кое-что дополнительно сообразить: каким именно образом реализован мост в 405?
Ну не складывается пока в голове - как плечо моста, разбитое делителем, балансируется?

-т.е по твоему транзисторная двойка на комплементе менее элегантна чем куча дифкаскадов с у.н, очень спорно , к тому же при соответствующих тр-рах у нее
быстродействие повыше будет
Ну, сядь, да промоделируй - у двойки ОЭ+ОЭ базовые искажения мягко говоря оставляют желать.
Кроме того, усиление невелико - и его следует таки подразогнать: второй каскад - напрямую качает обходной ток и потому его усиление в принципе не может быть большим.
Насчёт быстродействия - с полюсами и вовсе засада: недаром в 405 всяких полюсных наконечников выше крыши - причём, они тупо копируются в модах с новейшими транзисторами, хотя были вставлены и подогнаны под совсем другие компоненты.
Тут вообще бардак, я полагаю, полный - эту сторону проекта необходимо ревизовать в первую очередь: вся потенция новой комплектовки сожрана устарелой коррекцией.

Ну, и насчёт кучи дифкаскадов - я ничего не говорил. Это ты уж сам...
[DOUBLEPOST=1480000184][/DOUBLEPOST]
-до кучи родной вариант для анализа
Ну, так именно его я и грызу - просто поначалу были биполяры, а сюда кинул вариант с вертикалками и смещением.
Именно в рамках базовой структуры я и играюсь - меняю петлевое усиление, начальный ток, балансирую/разбалансирую мост.
Схема то ровно та же - приглядись внимательней...
 
Последнее редактирование:
  • Like
Реакции: sunet
В Шкритеке есть про мост? Гляну... Давно не листал.
-у него это называется усилители с разгрузкой по току , хотя сути не меняет
-с мосфетами все несколько не так по моему , они управляются напряжением а не током , крутизна меньше , пороговое напряжение выше, т.е
эффект вроде должен быть меньше ( хрен его знает )
[DOUBLEPOST=1480013951][/DOUBLEPOST]
причём, они тупо копируются в модах с новейшими транзисторами,
-ну да половина деталей не нужна вообще , и оставшееся по другому сделать , я бы усилитель А вообще делал по другому , на входе дифкаскад на
д-мосфетах типа кп902 с током 40-60ма , и у.н на биполярах с о.б, выход по вкусу
 
Ну, сядь, да промоделируй - у двойки ОЭ+ОЭ базовые искажения мягко говоря оставляют желать.
-зачем?в учебнике и так все написано , к.у=3 к.г=0.02% это если совсем по простому , в кводе двойка по сложней, а если у.н еще усложнить то совсем
хорошо станет , тут главное не к.г а звук , я говорил ставил у.н из п.159 просто в родной квод звук улучшался даже на мой слух, тем более мост как раз
давит высокие гармоники что еще больше увеличивает апельсин
-да схема та же я просто кинул для информации
 
Последнее редактирование:
-у него это называется усилители с разгрузкой по току , хотя сути не меняет
Не все разгрузки - мостом.
Мост - это принципиальное отличие. Отличие по именно по сути.
Повторю ещё раз - вполне конкретный промер: мост добавляет к разгрузке ещё 40 дБ (!).


-с мосфетами все несколько не так по моему , они управляются напряжением а не током , крутизна меньше , пороговое напряжение выше, т.е эффект вроде должен быть меньше ( хрен его знает )
Тем и хорош симулятор - что плюёт на наши убеждения и показывает то, что получается при строгом расчёте. Избавляет от многих заблуждений, свойственный прикидкам на пальцах.
В биполярах очень значительные проблемы создаёт токовая нагрузка.
Крутизна в общем-то сопоставимая. а вот линейность входной ВАХ у полевиков получается выше: очень показательно сравнение спектров разностными пробниками (вход-выход) - спектр этой ошибки у полевиков значительно мягче. Уровень гармоник в ошибке порой бывает лучше 60 дБ (!) - она, ошибка, состоит в основном из первой гармоники сигнала.

И пока не начинаешь это мерять - пусть и в виртуальном эксперименте - это отличие совсем не осознаёшь, и не оцениваешь должным образом в схемотехнике.


я бы усилитель А вообще делал по другому , на входе дифкаскад на
д-мосфетах типа кп902 с током 40-60ма , и у.н на биполярах с о.б,
Ну, так а я про что?
Только тут проблема - пока её не разрешил: как завязать это в мост?!
Чего-то от моего понимания пока ускользает - никак не ухвачу суть.


тут главное не к.г а звук
Пока не сформулируешь на инженерном языке, что есть "звук", а что ьне есть "звук" - обсуждать бесполезно.
Я вот исхожу из того, что "звук" определяется минимумом артефактов (ошибкой) и характером спектра (короткий спектр).
По этим критериям и веду синтез схемы.
Так, что к.г. - тоже главное...


я говорил ставил у.н из п.159 просто в родной квод звук улучшался даже на мой слух,
Да понятно - модуляция напряжением сильно меняет ВАХ транзистора. Стабилизация напруги на коллекторе на порядки уменьшает артефакты.
В приложении к моей структуре - с летающим питанием - сам этот эффект отсутствует: напряжение на коллекторе стабильно и модуляции нет по определению.


тем более мост как раз
давит высокие гармоники что еще больше увеличивает апельсин
Мост давит ошибку - независимо от частоты.
 
Tuvalu сказал(а): ↑
Возможно, потому что в ВК класса B малые кроссоверные искажения.
Тридцать три раза - ХА!
С чего б вдруг?
Из статьи Васильева про гибридные усилители:
ClassB.png

В аттаче сама эта статья. Там, кстати, неплохое объяснение принципа работы этого Квода.
 

Вложения

Мост давит ошибку - независимо от частоты.
-ну да если он резистивный, если комплексный то нет
-читал как то статью про квод , там было написано , что мост сбалансирован на вч , на нч он практически
не работает , и маленький к.г только за счет оос,источник к сожалению не помню
 
Из статьи Васильева про гибридные усилители:
Не убедительно.
Плз, конкретней - что понимается под "кроссоверными искажениями" и почему их вдруг становится мало?


Там, кстати, неплохое объяснение принципа работы этого Квода.
В решетниковской статье совершенно достаточно аналогичной информации про сам принцип.
Мой вопрос про квод заключается в том, что квод отличается по структуре от теоретического обоснования и в нём мост, как и петлевой усилитель, существенно модифицированы: в теоретическом прототипе обратная связь идёт на вход ИУ, в точку виртуальной земли. С тем, как это работает - всё ясно.
В кводе обратная связь идёт делителем в эмиттер неинвертирующего усилителя - как в этой структуре обстоит с балансом моста, мне по прежнему неясно: ведь делитель изменяет Кпер этого плеча.
И, главное, мне неясно, как пересчитать базовую структуру квода в неинвертирующий повторитель, сохранив баланс моста.
Если этот аспект понимаешь - подскажи конкретно: где и какие номиналы должны быть изменены?
 
ну да если он резистивный, если комплексный то нет
Баланс моста сохраняется в широком диапазоне частот и при комплексном импедансе!
Реактивности сбалансированы.
Баланс нарушается только из-за неидеальности реактивностей - выраженно это проявляется только в виде влияния собственного омического сопротивления катушки и сказывается на нижних частотах. Причём, может быть легко компенсировано добавлением соответствующей омической проводимости в плечо с ёмкостью.


читал как то статью про квод , там было написано , что мост сбалансирован на вч , на нч он практически не работает , и маленький к.г только за счет оос,источник к сожалению не помню
Про поддержание к.г. за счёт ООС - это и у Решетникова есть.
Но мост де-балансируется на нижних, но не на средних.

А на верхах банально не хватает петлевого усиления - и потому его эффективность сильно падает (вместе с глубиной ООС.
Всё это вполне конкретно видно в симе - надо только подставить более адекватные модели реактивностей.

К слову, нет под рукой катушек от вашего квода? А то б сделал бы доброе дело - померял бы омическое сопротивление и помог бы общему делу :rolleyes:
 
нет под рукой катушек от вашего квода?
У меня есть китайские от него, вроде точно содранные с английского... они на феррите. Но к сожаленью столь малое значение померять нечем... может собрать какой-нибудь мостик? Есть смысл если использовать 1% резисторы?
 
Ладно...
Приспичит - посчитаю по конструкции катушки (из диаметра провода и числа витков).
Вот это хотя б померяй, будь ласка...
 
мои залиты видимо силиконом, плюс термотрубка... постараюсь сегодня собрать мостик и померять
 
К слову, нет под рукой катушек от вашего квода? А то б сделал бы доброе дело - померял бы омическое сопротивление и помог бы общему делу
-Жень там 16 витков на 8мм оправке провод 1.3 - 3uh намотано в два слоя ( туда обратно , катушка стоячая), это то что я ставил
-не надо мерять там 3 uh и есть я мерял в свое время, у меня мост Е7-8 , только в родном кводе 450 намотано на резисторе 75ом, ферриту вообще в звуке не место , да еще на таких
токах , карбонильное железо еще куда ни шло
В кводе обратная связь идёт делителем в эмиттер неинвертирующего усилителя
-это и есть - вход с малым rin
 
не надо мерять там 3 uh и есть я мерял в свое время, у меня мост Е7-8
Вопрос об омическом сопротивлении катушки.
К слову, в Орбите таки ёмкостное плечо моста имеет компенсатор сопротивления индуктивности...


это и есть - вход с малым rin
Вопрос о балансе моста - не вижу того, как он в этой схеме сбалансирован.
Впрочем, это надо щупать симулем - на глаз совершенно неочевидно...
 
Спаял на макетке мостик - один резистор на 220К, второй на 220 Ом, катушка и многооборотник на 220 Ом. Тестер, блок питания на 15 В. Подкрутил потенциометр до балланса и замерил его - 11,7 Ом. Значит сопротивление основной катушки (делить на 1000) примерно 0,012 Ом - та что на 3u, другие две катушки по 0,022 Ома...
 
Последнее редактирование:
  • Like
Реакции: Peratron
Спаял на макетке мостик - один резистор на 220К, второй на 220 Ом, катушка и многооборотник на 220 Ом.
-ребята делать вам нечего что-ли у меня слева е7-8 стоит , меряй не хочу , Жень ты его не видел что-ли такая здоровенная бандура с ламповыми индикаторами и крокодилами с пол ладони
скажите сколько витков мотануть и каким проводом , и все померяем без вопросов
 
Последнее редактирование:
Так у меня просто катушка есть, а сколько витков не знаю...ломать не хочу... скоро приедет приборчик (правда тоже китайский) для измерения индуктивностей, буду экспериментировать с воздушными катушками, или почти воздушными - на резисторе.
 
у меня слева е7-8 стоит , меряй не хочу , Жень ты его не видел что-ли такая здоровенная бандура с ламповыми индикаторами и крокодилами с пол ладони
Ну, потому и спросил именно тебя :rolleyes:


скажите сколько витков мотануть и каким проводом , и все померяем без вопросов
Так я ж сказал: с вашего уся и померять.
Но на самом деле запрос особых хлопот и не стоит - для прикидок с референсной точкой уже определился, а большего пока и не надо...
[DOUBLEPOST=1480148563][/DOUBLEPOST]
скоро приедет приборчик (правда тоже китайский) для измерения индуктивностей, буду экспериментировать с воздушными катушками, или почти воздушными - на резисторе.
В первом приближении ESR-meter сгодится...
 

Сейчас просматривают